Operation CHARM: Car repair manuals for everyone.
Manuals through 2025 now available!

Our trusted friends have launched a new website named LEMON, which has newer manuals. It also contains all the CHARM manuals.

LEMON is the spiritual successor to CHARM, I recommend you try it!

Link: lemon-manuals.la or lemon-manuals.org.ua

(Some people have issue connecting. LEMON is investigating. For now, use Firefox or change your DNS server)

Or, hide this message: temporarily or permanently

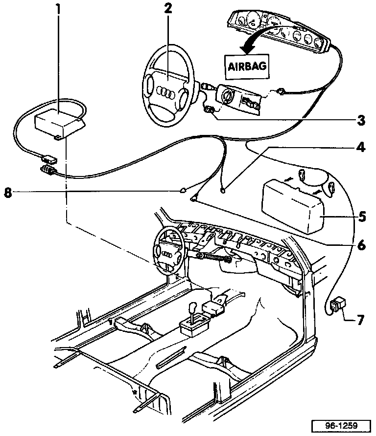
Air Bag Control Module: Locations


Airbag II/III Assembly





1 Triggering unit

2 Steering wheel with airbag unit
Always set airbag unit down with horn pad facing UP

3 Connector for airbag spiral spring

4 Airbag power supply connector

5 Passenger side airbag unit

6 Ground (GND) connection

7 Airbag Malfunction Indicator Lamp (MIL)

8 Data Link Connector (DLC)
Located above electronic box