Operation CHARM: Car repair manuals for everyone.
Manuals through 2025 now available!

Our trusted friends have launched a new website named LEMON, which has newer manuals. It also contains all the CHARM manuals.

LEMON is the spiritual successor to CHARM, I recommend you try it!

Link: lemon-manuals.la or lemon-manuals.org.ua

(Some people have issue connecting. LEMON is investigating. For now, use Firefox or change your DNS server)

Or, hide this message: temporarily or permanently

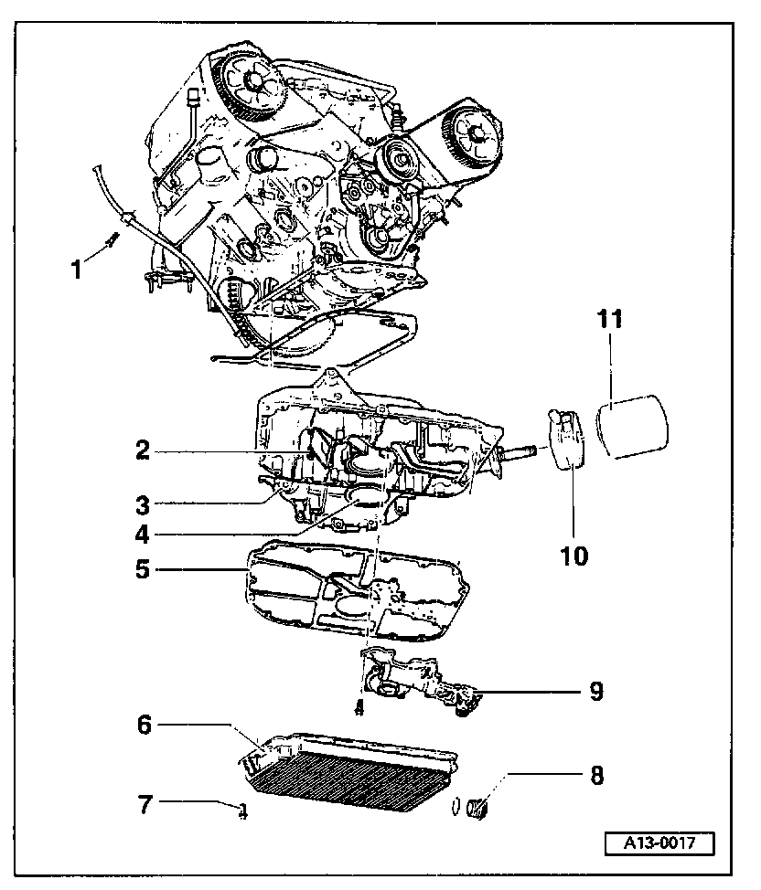
Engine Code AAH From 8/94, Engine Code AFC

Component layout, engine code AAH from 8.94, engine code AFC

CAUTION: Oil filters for earlier and later version lubrication systems are NOT interchangeable.






1. 10 Nm (7 ft lb)
2. 10 Nm (7 ft lb)
3. Oil pan, upper
4. Pick-up strainer
5. Seal
6. Oil pan, lower
7. 10 Nm (7 ft lb)
8. Drain plug 40 Nm (30 ft lb)
9. Cover
10. Oil cooler
11. Oil filter