Operation CHARM: Car repair manuals for everyone.
Manuals through 2025 now available!

Our trusted friends have launched a new website named LEMON, which has newer manuals. It also contains all the CHARM manuals.

LEMON is the spiritual successor to CHARM, I recommend you try it!

Link: lemon-manuals.la or lemon-manuals.org.ua

(Some people have issue connecting. LEMON is investigating. For now, use Firefox or change your DNS server)

Or, hide this message: temporarily or permanently

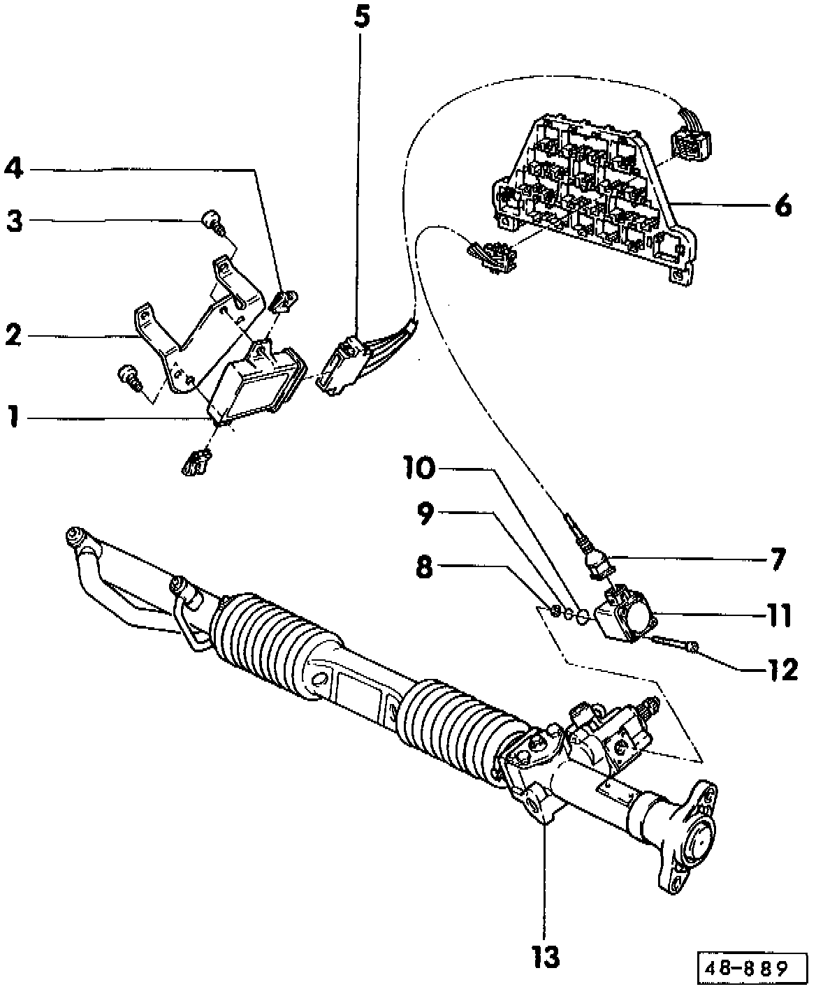
Components

CAUTION
When working on Servotronic system components, keep working surfaces and all components absolutely clean.

CAUTION
Part numbers are for reference only. Always check with your Parts Dept. for latest parts information.

Note
^ Use hydraulic fluid Part No. G 002 000 when replacing or adding fluid to the power steering system.
^ Lubricate all seals and 0-rings with hydraulic fluid before installing.
^ Do not attempt to weld or straighten steering system component.





1 - SERVOTRONIC CONTROL MODULE - J236

^ located behind glove compartment

2 - Bracket

^ remove bracket when removing Servotronic Control Module - J236

^ also used to mount cruise control, control module

3 - Self-tapping screw (2X)

^ secures Servotronic Control Module - J236 to bracket

4 - Speed nut (2X)

5 - Servotronic Control Module - J236 connector

^ wiring is part of instrument panel wiring harness

6 - Connector station 1

^ Located below instrument panel on driver's side.





Connector 9: Orange, for Servotronic system and outside (ambient) temperature sensor

7 - Servotronic Solenoid Valve - N119 connector

^ connected to instrument panel wiring harness at

8 - Strainer

^ clean if necessary

^ when cleaning on S4 vehicles equipped with a hydraulic brake booster (servo), remove brake booster.

9 - O-ring

^ always replace

^ not available separately, contained in External Seal Kit Part No. 4A1 498 020 A

10 - O-ring

^ always replace

^ not available separately, contained in External Seal Kit Part No. 4A1 498 020 A

11 - SERVOTRONIC SOLENOID VALVE - N119

^ on S4 vehicles with a hydraulic brake booster (servo), remove brake booster when cleaning or replacing solenoid valve -N119.

12 - Socket head screw - 3 Nm (27 in.lb.)

^ secures Servotronic Solenoid Valve - N119 to housing

^ screw is NOT marked with sealing paint

13 - Steering gear