Operation CHARM: Car repair manuals for everyone.
Manuals through 2025 now available!

Our trusted friends have launched a new website named LEMON, which has newer manuals. It also contains all the CHARM manuals.

LEMON is the spiritual successor to CHARM, I recommend you try it!

Link: lemon-manuals.la or lemon-manuals.org.ua

(Some people have issue connecting. LEMON is investigating. For now, use Firefox or change your DNS server)

Or, hide this message: temporarily or permanently

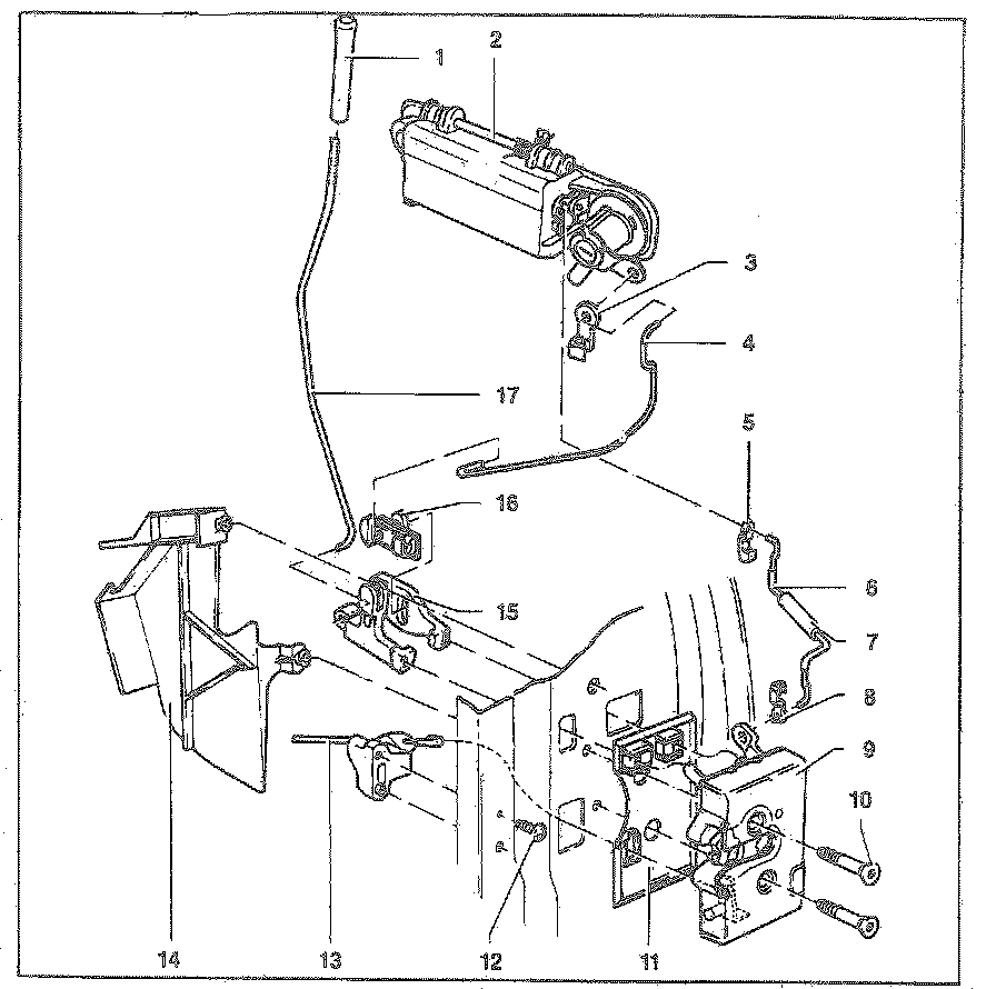
Door Locks

Front Door Lock, Assembly





1 - Locking button
2 - Door handle
3 - Swivel bushing
4 - Locking rod
5 - Swivel bushing
6 - Operating rod
7 - Adjusting nut
8 - Swivel bushing
9 - Door lock
10 - Screws
11 - Seal
12 - Screws
13 - Bowden cable
14 - Door lock cover