Operation CHARM: Car repair manuals for everyone.
Manuals through 2025 now available!

Our trusted friends have launched a new website named LEMON, which has newer manuals. It also contains all the CHARM manuals.

LEMON is the spiritual successor to CHARM, I recommend you try it!

Link: lemon-manuals.la or lemon-manuals.org.ua

(Some people have issue connecting. LEMON is investigating. For now, use Firefox or change your DNS server)

Or, hide this message: temporarily or permanently

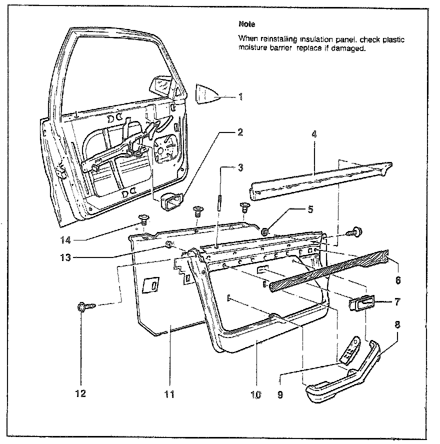
Front Door Panel

Front Door Trim Panel, Assembly





1 - Cover
2 - Control panel cable box
3 - Locking button
4 - Top trim
5 - Clamp washers
6 - Wood trim
7 - Inner door opening mechanism
8 - Armrest
9 - Control panel
10 - Door trim panel, front
11 - Insulation panel
12 - Screws
13 - Nuts
14 - Clips