Operation CHARM: Car repair manuals for everyone.
Manuals through 2025 now available!

Our trusted friends have launched a new website named LEMON, which has newer manuals. It also contains all the CHARM manuals.

LEMON is the spiritual successor to CHARM, I recommend you try it!

Link: lemon-manuals.la or lemon-manuals.org.ua

(Some people have issue connecting. LEMON is investigating. For now, use Firefox or change your DNS server)

Or, hide this message: temporarily or permanently

Alternator: Service and Repair

NOTE: On air bag equipped vehicles, refer to Air Bags (Supplemental Restraint Systems), Service Precautions. Also refer to Air Bag(s) Arming and Disarming.

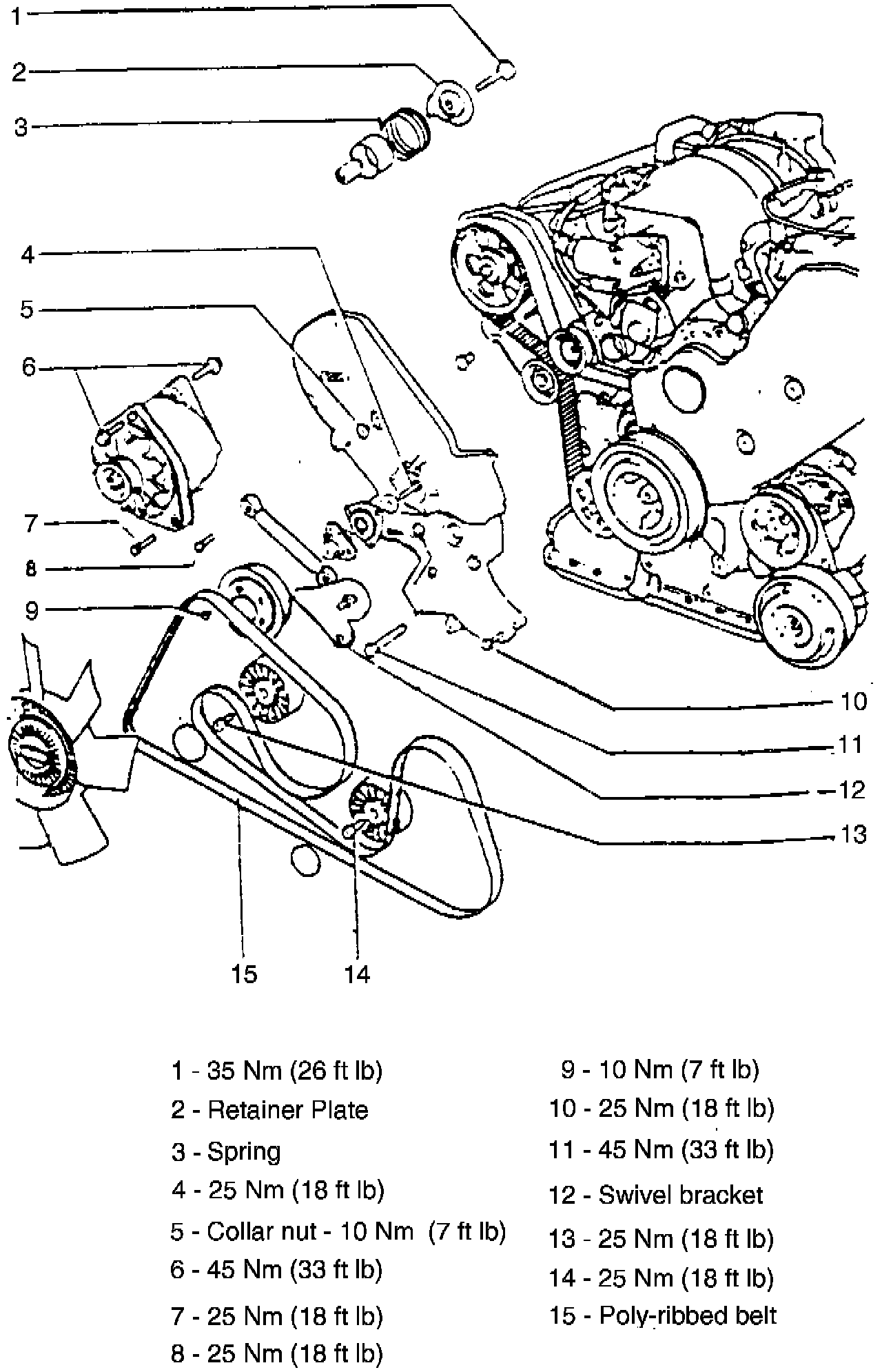
Fig.4 Alternator Removal.:





Fig.2 Drive Belt Pulley Removal:





1. Vehicles with audio coded antitheft system refer to Radio/Stereo, Service Precautions.
2. Disconnect battery ground cable.
3. Remove serpentine drive belt Fig.4, then disconnect electrical connections from alternator.
4. Remove alternator mounting bolts and brackets, then alternator.
5. Remove belt pulley using puller tool No. 3310, or equivalent, Fig.2.
6. Reverse procedure to install.