Operation CHARM: Car repair manuals for everyone.
Manuals through 2025 now available!

Our trusted friends have launched a new website named LEMON, which has newer manuals. It also contains all the CHARM manuals.

LEMON is the spiritual successor to CHARM, I recommend you try it!

Link: lemon-manuals.la or lemon-manuals.org.ua

(Some people have issue connecting. LEMON is investigating. For now, use Firefox or change your DNS server)

Or, hide this message: temporarily or permanently

Door Locks: Service and Repair

Door lock with actuating components, servicing





1 - Door handle
^ Removing. Service and Repair
^ Adjusting door handle and door lock => Fig. 2

2 - Pivoting clip
^ Swivel 65° to release
^ Installing, refer to Fig. 1 Service and Repair

3 - Screw
^ 3 Nm (27 in. lb)

4 - Trim plate
^ Removing lock cylinder. Service and Repair

5 - Lock operating rod
^ Installation sequence => Fig 2 (below)

6 - Operating mechanism clip
^ Push sleeve down and unhook lock operating rod

7 - Lock cylinder locking rod
^ Swivel articulated bushings to remove

8 - Locking rod
^ Unclip at fastener to remove

9 - Fastener
^ Removing is only possible with door lock removed

10 - Seal

11 - Door lock
^ Removing => Fig. 1 (below)

12 - Screw
^ 16 Nm (12 ft lb)

13 - Bowden cable for internal door mechanism
^ Replacing => Fig. 3 (below)

14 - Clips
^ Note installed position of Bowden cable hooked in clips

15 - Striker pin
^ 50 Nm (37 ft lb)

16 - Dished washer
^ Note washer backing
^ Two dished washers can be installed if needed

17 - Plastic washer


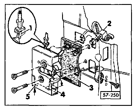
Fig. 1 - Removing door lock



- Remove front door trim panel. Service and Repair
- Press spring on operating rod -1-and remove operating rod.
- Detach Bowden cable.
- Disconnect door lock from fastener -2-.

Installing
Notes:
^ To attach Bowden cable, pivot lever -4- in direction of arrow and hold in position with a screwdriver through hole -5-.
^ Note seal -3-.
^ Screw tightening torque: 76 Nm (72 ft lb).


Fig. 2 - Installing lock operating rod



- Install articulated bushing into release lever -2-.
- Attach operating rod -3- to articulated bushing.
- Insert securing clip -4- into release lever of door lock.
- Attach operating rod to securing clip -4-.
^ Adjust operating rod so that it is not loose
^ Do not put door lock release lever under strain. Max. clearance: 1 mm (0.04 in.).
- Move sleeve upward on securing clip -4-.


Fig. 3 - Replacing Bowden cable for internal door mechanism



- Remove door trim panel. Service and Repair
- Unclip Bowden cable, pull core of cable and hold door lock in position.
- Remove Bowden cable.
Note direction cable is hooked into clips.