Operation CHARM: Car repair manuals for everyone.
Manuals through 2025 now available!

Our trusted friends have launched a new website named LEMON, which has newer manuals. It also contains all the CHARM manuals.

LEMON is the spiritual successor to CHARM, I recommend you try it!

Link: lemon-manuals.la or lemon-manuals.org.ua

(Some people have issue connecting. LEMON is investigating. For now, use Firefox or change your DNS server)

Or, hide this message: temporarily or permanently

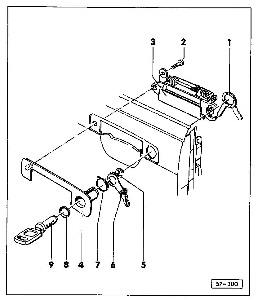
Front Door Exterior Handle

Door handle





1 - Pivoting clip
2 - Screw
3 - Door handle
4 - Trim plate
5 - Circlip
6 - Operating lever with bushing
7 - Spring
8 - Seal
9 - Lock cylinder