Manuals through 2025 now available!
Our trusted friends have launched a new website named LEMON, which has newer manuals. It also contains all the CHARM manuals.
LEMON is the spiritual successor to CHARM, I recommend you try it!
Link:
lemon-manuals.la or
lemon-manuals.org.ua
(Some people have issue connecting. LEMON is investigating. For now, use Firefox or change your DNS server)
Or, hide this message:
temporarily or
permanently
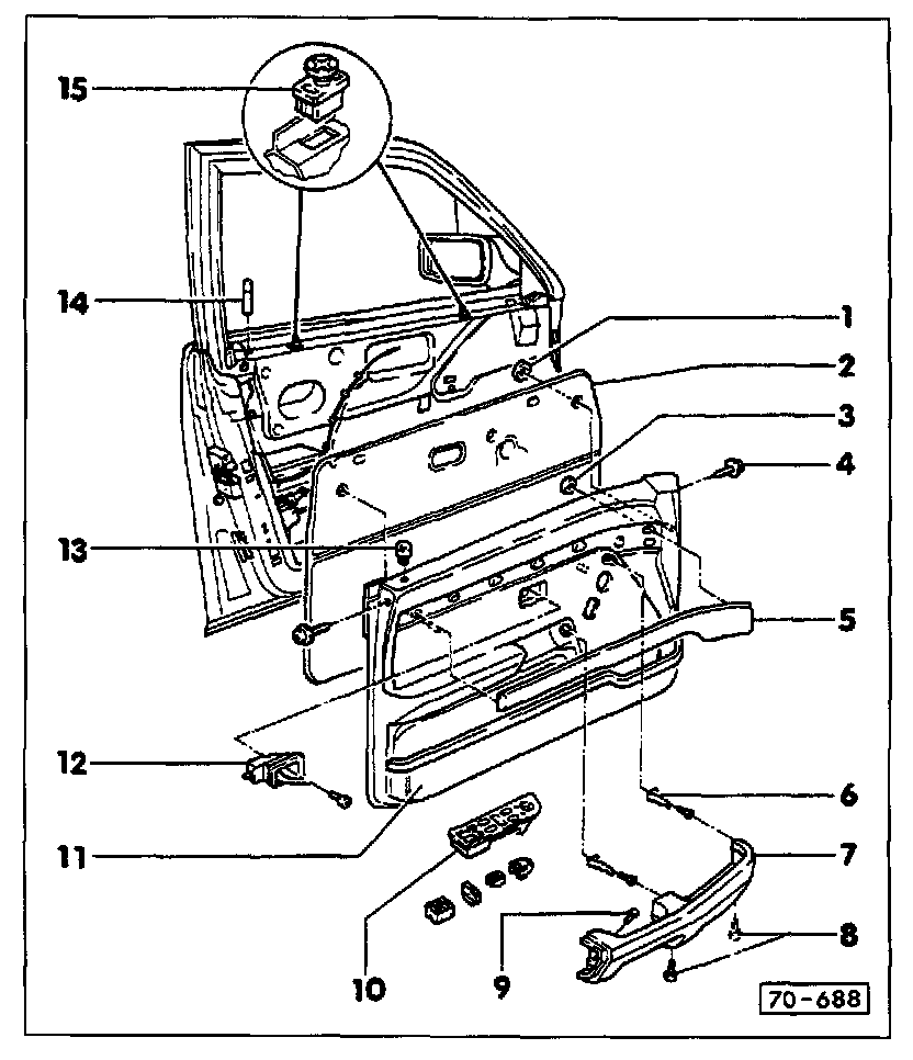
Front Door Panel
Front door trim panel, removing and installing 1 -
Clamping washer
2 -
Barrier
3 -
Clamping washer
4 -
Screw
5 -
Trim
6 -
Retainer for
arm rest 7 -
Armrest
8 -
Socket-head screw
9 -
Socket-head screw
10 -
Switch plate
11 -
Door
trim panel 12 -
Inside door release mechanism
13 -
Guide for
door lock knob 14 -
Lock knob
15 -
Height adjustment clip