Operation CHARM: Car repair manuals for everyone.
Manuals through 2025 now available!

Our trusted friends have launched a new website named LEMON, which has newer manuals. It also contains all the CHARM manuals.

LEMON is the spiritual successor to CHARM, I recommend you try it!

Link: lemon-manuals.la or lemon-manuals.org.ua

(Some people have issue connecting. LEMON is investigating. For now, use Firefox or change your DNS server)

Or, hide this message: temporarily or permanently

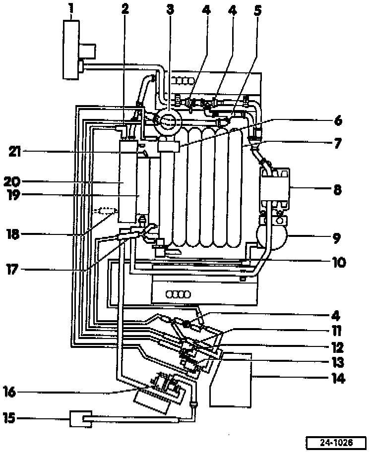
With Exhaust Gas Recirculation

VACUUM SYSTEM DIAGRAM

Automatic transmission vehicles with EVAP system and EGR

NOTE:
On automatic transmission vehicles with EVAP and EGR there are two system variations.

Vacuum Hose Diagram:





Variation 1
1 - Vacuum brake booster
2 - Vent line from EGR solenoid valve
3 - Exhaust Gas Recirculation (EGR) valve
4 - Check valve
5 - Vacuum booster
6 - Vacuum unit for intake manifold change-over
7 - Intake manifold
8 - Ignition coils
9 - Vacuum reservoir for intake manifold change-over valve
10 - Fuel pressure regulator
11 - Restrictor 1
12 - EGR vacuum regulator solenoid valve
13 - Restrictor 2
14 - Solenoid valve for intake manifold change-over valve
15 - Air cleaner
16 - EVAP canister
17 - EVAP canister purge regulator valve
18 - Vacuum supply for solenoid valves
19 - Vent line from EGR vacuum regulator solenoid valve
20 - Throttle body
21 - Noise damper
22 - Vacuum connection for A/C and/or differential lock


Vacuum Hose Diagram:





Variation 2
1 - Vacuum brake booster
2 - Vent line from Exhaust Gas Recirculation (EGR) valve in Audi 100
3 - Exhaust Gas Recirculation (EGR) valve
4 - Check valve
5 - Vacuum booster
6 - Vacuum unit for intake manifold change-over valve
7 - Intake manifold
8 - Ignition coils
9 - Vacuum reservoir for intake manifold change-over valve
10 - Fuel pressure regulator
11 - EGR vacuum regulator solenoid valve
12 - Restrictor
13 - Intake manifold change-over valve
14 - Air cleaner
15 - EVAP canister
16 - EVAP canister purge regulator valve
17 - Vacuum supply for solenoid valves
18 - Not applicable
19 - Throttle body
20 - Noise damper
21 - Vacuum connection for A/C and/or differential lock