Operation CHARM: Car repair manuals for everyone.
Manuals through 2025 now available!

Our trusted friends have launched a new website named LEMON, which has newer manuals. It also contains all the CHARM manuals.

LEMON is the spiritual successor to CHARM, I recommend you try it!

Link: lemon-manuals.la or lemon-manuals.org.ua

(Some people have issue connecting. LEMON is investigating. For now, use Firefox or change your DNS server)

Or, hide this message: temporarily or permanently

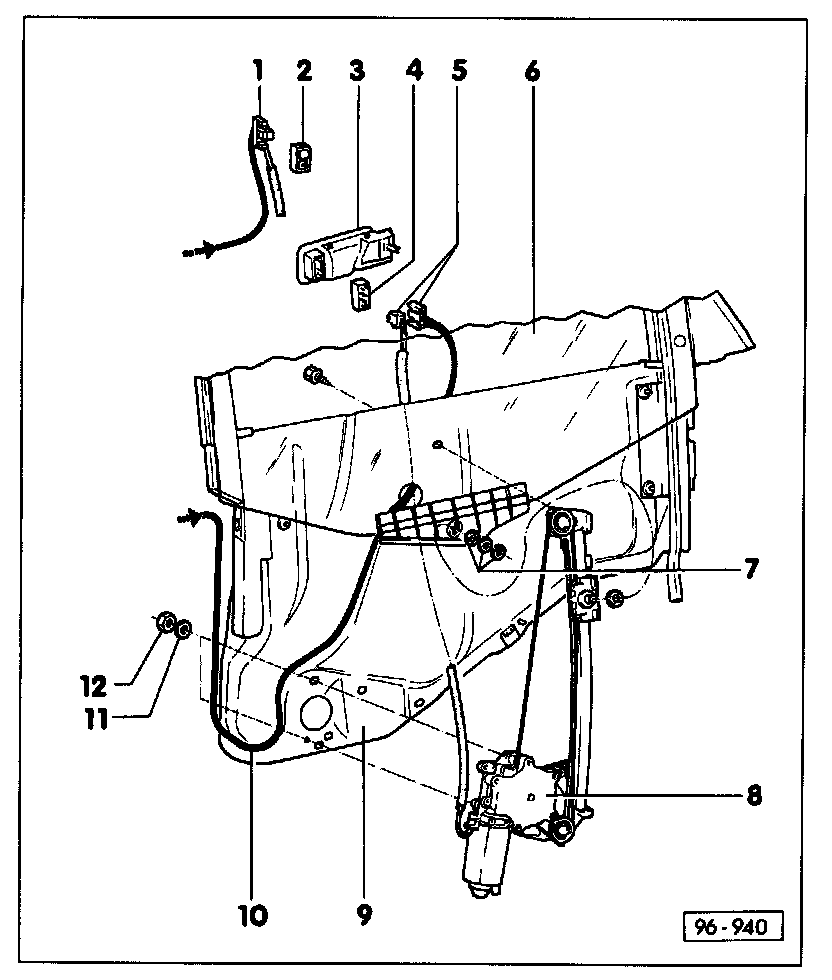
Rear Door


Rear Power Windows, Assembly





1 Right rear window switch connector

2 Right rear window switch -E54-

3 Inside door handle

4 Left rear window switch -E52-

5 Left rear window switch connector

6 Rear door window glass, left

7 Window glass mount

8 Left rear window motor -V26-

CAUTION! The rear window regulators are an open system. DO NOT move the rear window unless securely bolted to the door component carrier, otherwise the window regulator will be damaged. Always follow instructions for adjusting with window in "half open " position.

9 Door component carrier

10 Wiring harness

11 Washer

12 Securing nut