Operation CHARM: Car repair manuals for everyone.
Manuals through 2025 now available!

Our trusted friends have launched a new website named LEMON, which has newer manuals. It also contains all the CHARM manuals.

LEMON is the spiritual successor to CHARM, I recommend you try it!

Link: lemon-manuals.la or lemon-manuals.org.ua

(Some people have issue connecting. LEMON is investigating. For now, use Firefox or change your DNS server)

Or, hide this message: temporarily or permanently

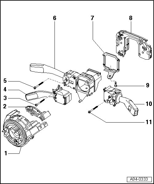
Steering Column Switch Module Assembly Overview






Steering Column Switch Module Assembly Overview





1 Coil Connector with Slip Ring

Removing and installing, refer to => [ Airbag Spiral Spring/Return Spring with Slip Ring ] Airbag Spiral Spring/Return Spring with Slip Ring

CAUTION!
Coil connector with slip ring is not to be turned following removal.

2 Steering Angle Sensor (G85)

Removing and installing, refer to => [ Steering Angle Sensor ] Steering Angle Sensor

3 Socket Head Bolt

0.65 Nm

4 Cruise Control Switch (E45)

Removing and installing, refer to => [ Cruise Control Switch ] Cruise Control Switch

5 Socket Head Bolt

0.65 Nm

6 Turn Signal Switch (E2)

Removing and installing, refer to => [ Turn Signal Switch ] Turn Signal Switch

7 Retainer

8 Steering Column Electronic Systems Control Module (J527)

Removing and installing, refer to => [ Steering Column Electronic Systems Control Module ] Steering Column Electronic Systems Control Module

Connector assignment of steering column electronic systems control module, refer to => [ Steering Column Electronic Systems Control Module, Front Side, Connector Assignment ] Steering Column Electronic Systems Control Module, Front Side, Connector Assignment

9 Clamping Bolt

3 Nm

10 Windshield Wiper/Washer Switch (E22)

Removing and installing, refer to => [ Windshield Wiper/Washer Switch ] Windshield Wiper/Washer Switch

11 Socket Head Bolt

0.65 Nm

Tightening Specification, Steering Column Trim





1. Lower steering column switch trim

2. Upper steering column switch trim

3. Bolt - 0.6 Nm

4. Bolt - 0.6 Nm

5. Handle for manual steering column adjustment

6. Bolt - 3.5 Nm