Operation CHARM: Car repair manuals for everyone.
Manuals through 2025 now available!

Our trusted friends have launched a new website named LEMON, which has newer manuals. It also contains all the CHARM manuals.

LEMON is the spiritual successor to CHARM, I recommend you try it!

Link: lemon-manuals.la or lemon-manuals.org.ua

(Some people have issue connecting. LEMON is investigating. For now, use Firefox or change your DNS server)

Or, hide this message: temporarily or permanently

Transmission Control Systems: Locations






Electrical and Electronic Components and Component Locations

Data Link Connector (DLC)





Installed location: The DLC for the vehicle diagnosis, testing and information system (VAS 5051B) is located in the driver side footwell.

Mechatronic, transmission control module (J217) , multifunction transmission range switch (F125) , transmission input speed sensor (G182) and transmission output speed sensor (G195)






Installed location: The Mechatronic unit is bolted to the bottom of the transmission housing and is covered by the transmission fluid pan.

The Mechatronic unit incorporates the hydraulic control, the transmission control module, the multifunction transmission range switch and the sensors and actuators as a complete synchronized unit. The following are part of:

Transmission control module (J217)

Multifunction transmission range switch (F125)

Transmission input speed sensor (G182)

Transmission output speed sensor (G195)

Only the complete "Mechatronic" unit can be replaced.

On Board Diagnostic (OBD) checks all the components named.

Refer to => [ Mechatronic Unit ] Service and Repair.

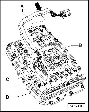
Wiring Harness in Transmission






Installed location: The connector - C - is attached to the wiring harness - A - on the Mechatronic - B -.

Refer to => [ Wiring Harness in Transmission ] Wiring Harness In Transmission.

Transmission Range Display (Y6)






Installed location: The transmission range display is integrated in the instrument cluster.

The instrument cluster must be replaced if the transmission range display is faulty.
Selector Lever Sensor System Control Module (J587) and Tiptronic Switch (F189)





Installed location: The selector lever sensor system control module and the tiptronic switch are a single unit - 2 -, which is clipped to the selector mechanism function unit - arrows -.

Ignore - arrow A -.

Refer to => [ Selector Lever Sensor System Control Module (J587) with the Tiptronic Switch (F189) ] Selector Lever Sensor System Control Module (J587) With the Tiptronic Switch (F189).

Shift Lock Solenoid (N110)





Installed location: The shift lock solenoid - 1 - is clipped to the selector mechanism.

Refer to => [ Shift Lock Solenoid (N110) ] Service and Repair.

Transmission Park Selector Switch (F305)





Installed location: The transmission park selector switch, which consists of two reed contacts - 1 and 2 -, is installed on the circuit board - B - on the shift lock solenoid - A -.

The transmission park selector switch can only be replaced together with the shift lock solenoid.

Refer to => [ Shift Lock Solenoid (N110) ] Service and Repair.

Kick Down Switch (F8)





A specific value from the accelerator pedal position sensor (G79) and the accelerator pedal position sensor 2 (G185) is stored in the Engine Control Module (ECM).

Installed location: The accelerator pedal position sensors are integrated inside the accelerator pedal module - arrow -.

If the accelerator pedal sensor is faulty, then replace the accelerator pedal module.

Selector Lever Transmission Range Position Display (Y26)





Installed location: The selector lever transmission range position display - 1 - is clipped in center console.

Refer to => [ Selector Lever Transmission Range Position Display Unit (Y26) ] Selector Lever Transmission Range Position Display Unit (Y26).