Operation CHARM: Car repair manuals for everyone.
Manuals through 2025 now available!

Our trusted friends have launched a new website named LEMON, which has newer manuals. It also contains all the CHARM manuals.

LEMON is the spiritual successor to CHARM, I recommend you try it!

Link: lemon-manuals.la or lemon-manuals.org.ua

(Some people have issue connecting. LEMON is investigating. For now, use Firefox or change your DNS server)

Or, hide this message: temporarily or permanently

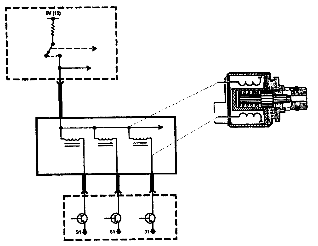
Overlap Shift Pressure Regulators



Overlap Shift Pressure Regulators (A5S 440/560Z Only)





EDS solenoids 2, 3 and 5 are used to regulate the flow of oil supply for clutch application during overlap up/down shifting of gears 2-3, 3-4, 4-5. The solenoids are normally open (failsafe).

Power to EDS solenoids 2, 3 and 5 is supplied by the TCM. The solenoids are activated by a pulse width modulated ground by the TCM proportional to the increasing and decreasing clutch application pressures.