Changes Compared to E46
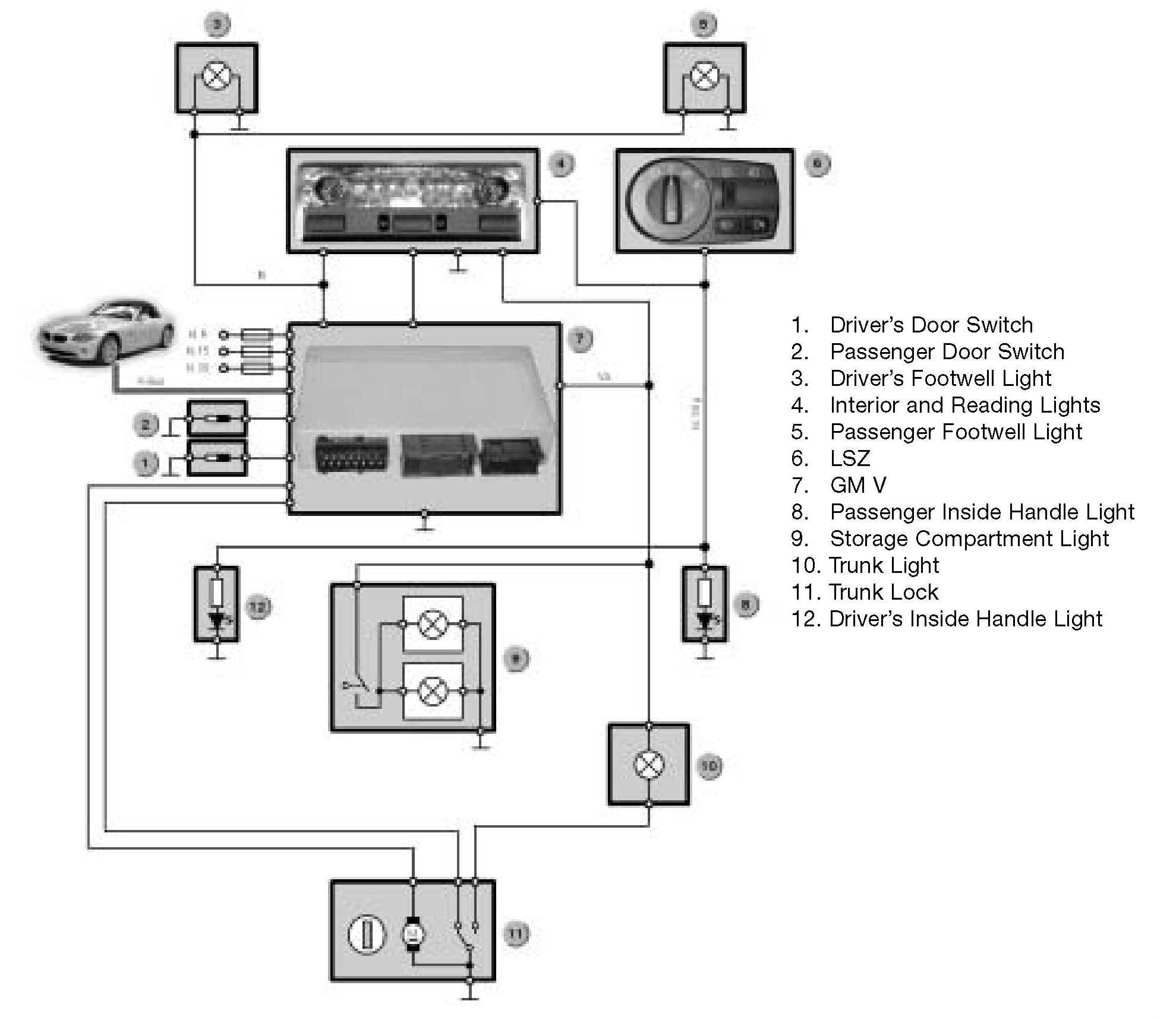
Changes Compared to E46The interior lighting is controlled by the general module V. In order to even out the light power fluctuations that are made more likely by the use of the NO engines (probability of high power draw by Valvetronic electric motors), the voltage for the vehicle lights is provided by means of a pulse width modulated signal with a fixed frequency of 100 Hz. By varying the pulse width, and thereby the voltage, applied to the light bulbs, the fluctuations referred to above can be compensated for.
The general module V has a fault feedback function. If the power driver in the general module V detects the failure of a bulb, the output on the general module V is shut down. That means that no power is available at that output any longer. If the defective bulb is replaced and terminal R switched OFF/ON, power is available at the general module output again. The interior door handle lights and centre console lights as well as the ambience lights in the interior light unit are controlled by the light switch center.
The storage compartment also has a light. That light has a microswitch and two bulbs.