Operation CHARM: Car repair manuals for everyone.
Manuals through 2025 now available!

Our trusted friends have launched a new website named LEMON, which has newer manuals. It also contains all the CHARM manuals.

LEMON is the spiritual successor to CHARM, I recommend you try it!

Link: lemon-manuals.la or lemon-manuals.org.ua

(Some people have issue connecting. LEMON is investigating. For now, use Firefox or change your DNS server)

Or, hide this message: temporarily or permanently

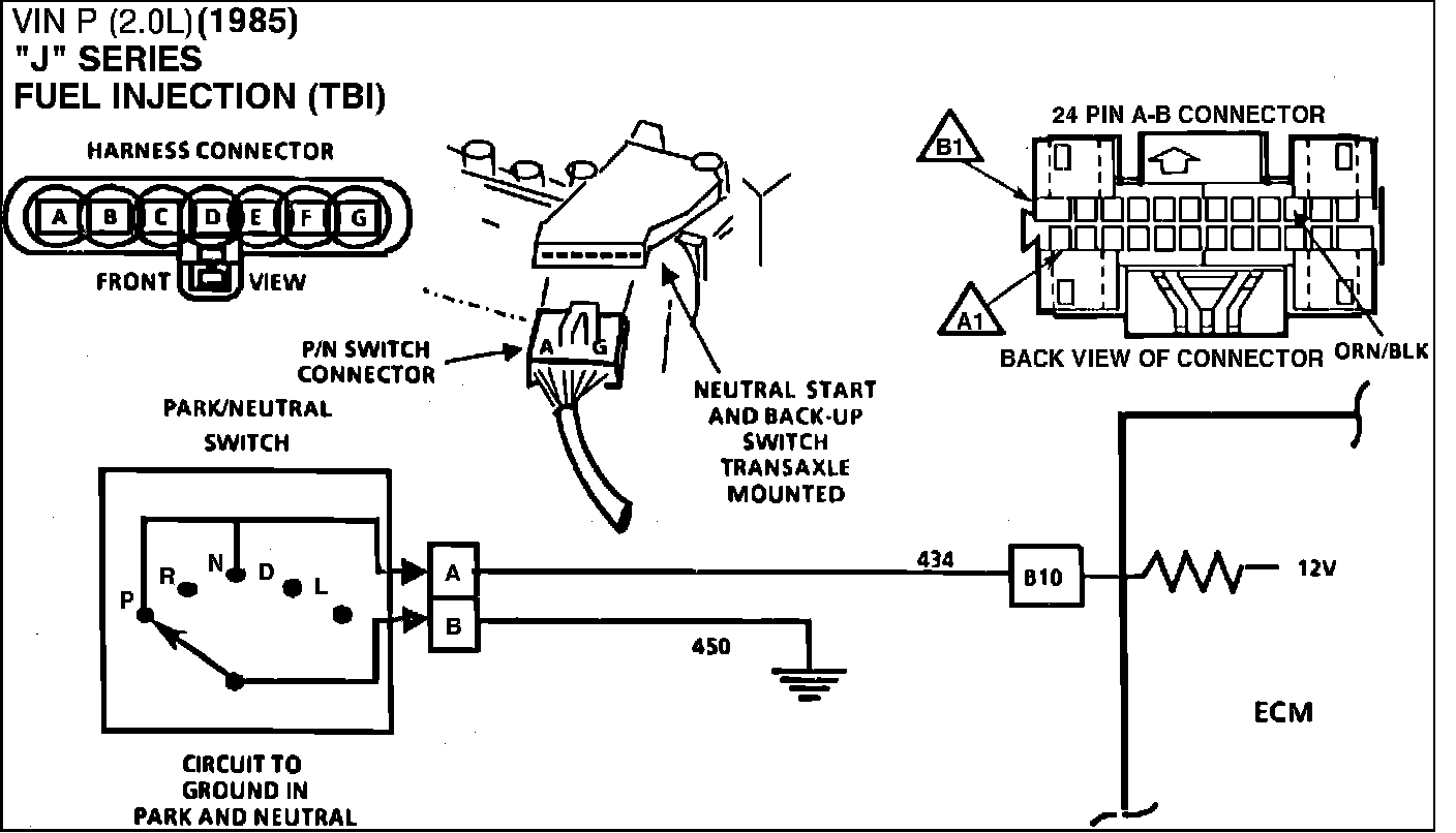
Transmission Position Sensor/Switch: Testing and Inspection

Fig. 003 - Wiring Diagram for Chart C-1A Park/Neutral Switch. VIN P:





CHART C-1A

PARK/NEUTRAL SWITCH

2.0L "J" SERIES

FUEL INJECTION (TBI)

The Park/Neutral Switch contacts are a part of the Neutral Start switch and are closed to ground in park or neutral, and open in drive ranges.
The ECM supplies ignition voltage through a current limiting resistor to CKT 434 and senses a closed switch when the voltage on CKT 434 drops to less than one volt.
The ECM uses the P/N signal as one of the inputs to control;
- Idle Air Control
- VSS Diagnostics


Fig. 001 Chart C-1A Park/Neutral Switch:





1. Checks for a closed switch to ground in park position. If using an ohmmeter instead of a test light the resistance will be low, indicating continuity to ground.
2. Checks for an open switch in drive range. If using an ohmmeter instead of a test light to 12 volts, the resistance will be high or infinity, indicating an open switch.
3. Checks to this point indicate the P/N switch and wiring are OK, however, the ECM signal voltage on CKT. 434 may be missing. To check, reconnect ECM. Either back probe ECM connector circuit 434 with selector in drive or disconnect P/N switch and probe harness connector CKT 434 with a voltmeter to ground.