Operation CHARM: Car repair manuals for everyone.
Manuals through 2025 now available!

Our trusted friends have launched a new website named LEMON, which has newer manuals. It also contains all the CHARM manuals.

LEMON is the spiritual successor to CHARM, I recommend you try it!

Link: lemon-manuals.la or lemon-manuals.org.ua

(Some people have issue connecting. LEMON is investigating. For now, use Firefox or change your DNS server)

Or, hide this message: temporarily or permanently

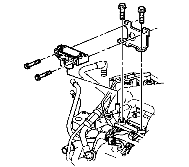
Manifold Pressure/Vacuum Sensor: Service and Repair




REMOVAL PROCEDURE
1. Turn OFF the ignition.
2. Remove the MAP sensor harness connector.
3. Disconnect the MAP inlet vacuum hose.
4. Remove the MAP sensor bolts.
5. Remove the MAP sensor.

INSTALLATION PROCEDURE
1. Install the inlet vacuum hose.
2. Connect the electrical connector.
3. Position the MAP sensor to bracket and install the retainers.

Tighten
Tighten the retainers to 3 N.m (27 lb in).