Operation CHARM: Car repair manuals for everyone.
Manuals through 2025 now available!

Our trusted friends have launched a new website named LEMON, which has newer manuals. It also contains all the CHARM manuals.

LEMON is the spiritual successor to CHARM, I recommend you try it!

Link: lemon-manuals.la or lemon-manuals.org.ua

(Some people have issue connecting. LEMON is investigating. For now, use Firefox or change your DNS server)

Or, hide this message: temporarily or permanently

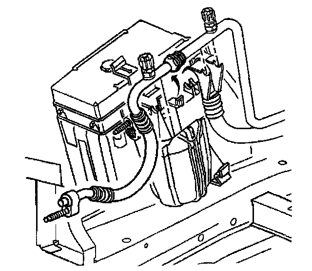
Expansion Block/Orifice Tube: Service and Repair

EXPANSION (ORIFICE) TUBE REPLACEMENT

REMOVAL PROCEDURE

TOOLS REQUIRED
J 39500-B A/C Refrigerant Recovery, Recycling and Recharging (ACR4) System




1. Recover the refrigerant from the A/C system. Refer to Refrigerant Recovery and Recharging.
2. Remove the A/C evaporator hose from the retaining clips.




3. Separate the A/C evaporator hose at the expansion tube location.




4. Remove the expansion tube from the line

INSTALLATION PROCEDURE

TOOLS REQUIRED
J 39400-A Electronic Halogen Leak Detector

IMPORTANT: Lubricate the new expansion tube O-ring with mineral base 525 viscosity refrigerant oil before installing into the evaporator hose.




1. Install the new expansion tube. Ensure that the short screen and arrow face toward the evaporator.

NOTE: Refer to Fastener Notice in Service Precautions.




2. Assemble the A/C evaporator tube.

Tighten
Tighten the O-ring joint connections to 27 N.m (20 lb ft).




3. Install the A/C evaporator hose to the retaining clips.
4. Recharge the A/C system. Refer to Refrigerant Recovery and Recharging.
5. Test the A/C system for leaks using the J 39400-A. Refer to Leak Testing.