Operation CHARM: Car repair manuals for everyone.
Manuals through 2025 now available!

Our trusted friends have launched a new website named LEMON, which has newer manuals. It also contains all the CHARM manuals.

LEMON is the spiritual successor to CHARM, I recommend you try it!

Link: lemon-manuals.la or lemon-manuals.org.ua

(Some people have issue connecting. LEMON is investigating. For now, use Firefox or change your DNS server)

Or, hide this message: temporarily or permanently

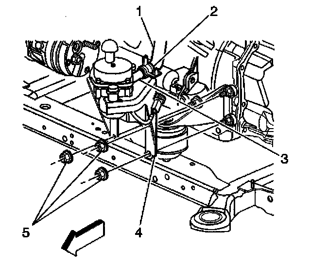
Air Injection Pump: Service and Repair

REMOVAL PROCEDURE




1. Loosen the pinch clamp on the AIR exhaust pipe (2) hose.
2. Disconnect the AIR exhaust hose (1) from the AIR pump (3).




3. Disconnect the AIR pump electrical connector (1).




4. Remove the 3 nuts (5) securing the AIR pump bracket to the transmission mount.
5. Remove the AIR pump and the bracket as an assembly (4).

INSTALLATION PROCEDURE

NOTE: Refer to Fastener Notice in Service Precautions.




1. Secure the AIR pump and the bracket (4) to the transmission mount with the 3 nuts (5).

Tighten
Tighten the nuts to 50 Nm (37 lb ft).




2. Connect the AIR pump electrical connector (1).




3. Lightly lubricate the inner edge of the AIR exhaust hose (1).
4. Attach the AIR exhaust hose (1) to the AIR pump outlet port (3).
5. Place the pinch clamp (2) around the AIR pump outlet port and exhaust hose connection.