Operation CHARM: Car repair manuals for everyone.
Manuals through 2025 now available!

Our trusted friends have launched a new website named LEMON, which has newer manuals. It also contains all the CHARM manuals.

LEMON is the spiritual successor to CHARM, I recommend you try it!

Link: lemon-manuals.la or lemon-manuals.org.ua

(Some people have issue connecting. LEMON is investigating. For now, use Firefox or change your DNS server)

Or, hide this message: temporarily or permanently

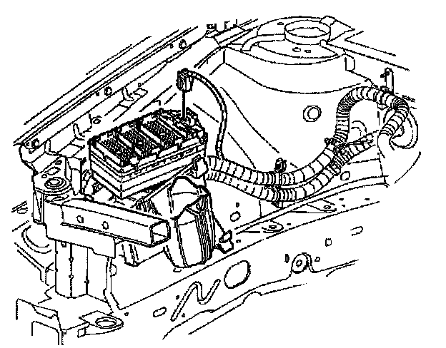
Underhood Fuse Block Replacement

UNDERHOOD FUSE BLOCK REPLACEMENT

REMOVAL PROCEDURE

CAUTION: Refer to Battery Disconnect Caution in Service Precaution.

1. Disconnect the negative battery cable.
2. Remove the cover from the underhood electrical center.






3. Disconnect the positive battery cables nut (1) from the underhood electrical center.
4. Disconnect the wiring harness clip from the accumulator cover and position the cables out of the way.






5. Disconnect the evaporator hose from the accumulator cover.






6. Remove the accumulator cover and the accumulator from the housing and position out of the way.






7. Loosen the three screws retaining the underhood electrical center connectors.
8. Disconnect the four cam lock connectors from the underhood electrical center and lift the assembly up from the base.






9. Disconnect the engine harness connector and remove the underhood electrical center from the vehicle.






10. Remove the underhood electrical center base nut and bolt.
11. Remove the underhood electrical center base assembly.

INSTALLATION PROCEDURE






1. Install the underhood electrical center base into the vehicle.

NOTE: Refer to Fastener Notice in Service Precautions.

2. Install the underhood electrical center base nut and bolt.

Tighten
Tighten the nut and bolt to 9 N.m (80 lb in).






3. Connect the engine harness connector to the underhood electrical center.






4. Connect the underhood electrical center connectors and tighten the three retaining bolts.

Tighten
Tighten the bolts to 6.6 N.m (58 lb in).

5. Install the underhood electrical center by pressing into the four retaining locks.






6. Install the accumulator and the accumulator cover into the housing.
7. Install the wiring harness into the clip in the accumulator cover and position the cables onto the stud.






8. Install the positive battery cable nut (1) to the underhood electrical center.

Tighten
Tighten the nut to 15 N.m (11 lb ft).

9. Install the cover onto the underhood electrical center.






10. Connect the evaporator hose to the accumulator cover.
11. Connect the negative battery cable.