Operation CHARM: Car repair manuals for everyone.
Manuals through 2025 now available!

Our trusted friends have launched a new website named LEMON, which has newer manuals. It also contains all the CHARM manuals.

LEMON is the spiritual successor to CHARM, I recommend you try it!

Link: lemon-manuals.la or lemon-manuals.org.ua

(Some people have issue connecting. LEMON is investigating. For now, use Firefox or change your DNS server)

Or, hide this message: temporarily or permanently

Internal Components








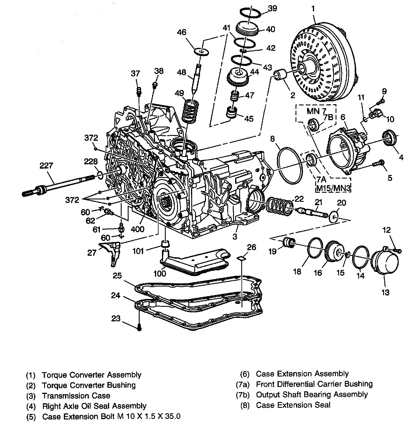
Case and Associated Parts (1 of 4)








Case and Associated Parts (2 of 4)








Case and Associated Parts (3 of 4)








Case and Associated Parts (4 of 4)





Oil Pump Assembly





Control Valve Body Assembly (1 of 2)





Control Valve Body Assembly (2 of 2)





Case Cover Assembly








Internal Components (1 of 2)








Internal Components (2 of 2)





Manual Shaft and Parking System Assembly





Case Side Cover Bolts





Oil Pump Bolts





Control Valve Body Bolts





Case Cover Bolts





Bottom Pan, Accumulator Cover and Manual 2-1 Band Servo Cover Bolts





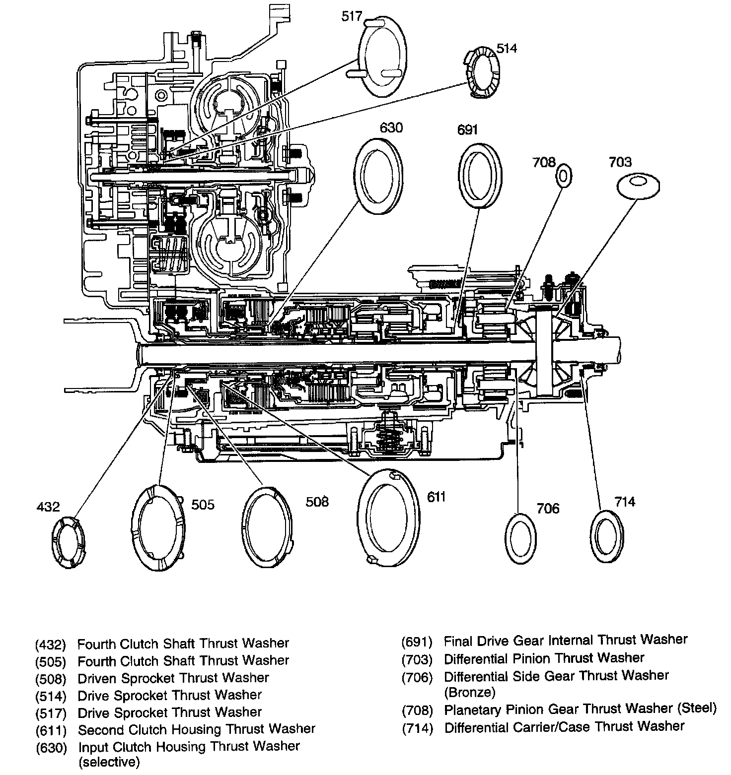
Thrust Washers





Bushings





Bearings





Lip Seals





Square and O-Ring Seals





Gaskets