Operation CHARM: Car repair manuals for everyone.
Manuals through 2025 now available!

Our trusted friends have launched a new website named LEMON, which has newer manuals. It also contains all the CHARM manuals.

LEMON is the spiritual successor to CHARM, I recommend you try it!

Link: lemon-manuals.la or lemon-manuals.org.ua

(Some people have issue connecting. LEMON is investigating. For now, use Firefox or change your DNS server)

Or, hide this message: temporarily or permanently

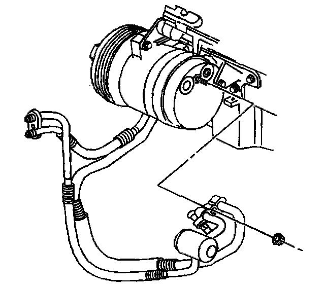
Compressor Hose Assembly Replacement

REMOVAL PROCEDURE

TOOLS REQUIRED
J 39500-B A/C Refrigerant Recovery, Recycling and Recharging (ACR4) System




1. Recover the refrigerant from the A/C system. Refer to Refrigerant Recovery and Recharging.
2. Disconnect the negative battery cable.
3. Remove the evaporator A/C compressor hose clip.




4. Remove the A/C compressor hose from the accumulator.




5. Disconnect the A/C hose retaining clip (1) at the rail.




6. Remove the A/C compressor hose from the condenser.




7. Disconnect the electrical connector from the A/C pressure sensor.
8. Remove the nut that attaches the A/C compressor hose to the A/C compressor.
9. Remove the A/C compressor hose from the vehicle.

INSTALLATION PROCEDURE

TOOLS REQUIRED
J 39400-A Electronic Halogen Leak Detector




1. Install the A/C compressor hose to the vehicle.

IMPORTANT: Inspect the seal washers for damage before reinstalling the A/C lines and hoses.

If any damage is noted during inspection, the suspect sea must be replaced.

Flat washer type seals do not require lubrication.

NOTE: Refer to Fastener Notice in Service Precautions.

2. Install the nut to attach the A/C compressor hose to the A/C compressor.

Tighten
Tighten the nut to 30 N.m (22 lb ft).

3. Connect the electrical connector to the A/C pressure switch.




4. Install the A/C compressor hose to the condenser.

Tighten
Tighten the condenser connection to 24 N.m (18 lb ft).

5. Install the A/C compressor hose into the clip on the rail and fasten.

IMPORTANT: Inspect the seal washers for damage before reinstalling the A/C lines and hoses.

If any damage is noted during inspection, the suspect seal must be replaced.

Flat washer type seals do not require lubrication.




6. Install the A/C compressor hose to the accumulator.

Tighten
Tighten the accumulator connection to 24 N.m (18 lb ft).




7. Install the upper A/C compressor hose clip.
8. Connect the negative battery cable.
9. Recharge the A/C system. Refer to Refrigerant Recovery and Recharging.
10. Test the A/C system for leaks using the J 39400-A. Refer to Leak Testing.