Operation CHARM: Car repair manuals for everyone.
Manuals through 2025 now available!

Our trusted friends have launched a new website named LEMON, which has newer manuals. It also contains all the CHARM manuals.

LEMON is the spiritual successor to CHARM, I recommend you try it!

Link: lemon-manuals.la or lemon-manuals.org.ua

(Some people have issue connecting. LEMON is investigating. For now, use Firefox or change your DNS server)

Or, hide this message: temporarily or permanently

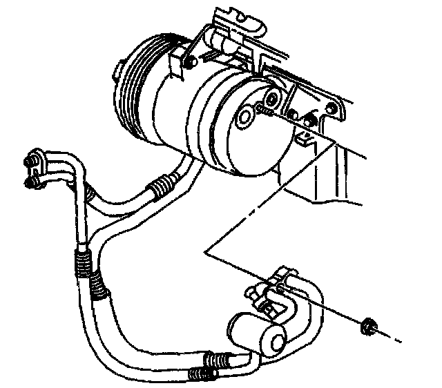
Compressor Replacement

REMOVAL PROCEDURE

IMPORTANT: When replacing a failed compressor it will be necessary to inspect the orifice tube for material build up. Clean or replace as necessary. Refer to Expansion (Orifice) Tube Replacement.

TOOLS REQUIRED
J 39500-B A/C Refrigerant Recovery, Recycling and Recharging (ACR4) System




1. Recover the refrigerant from the A/C system. Refer to Refrigerant Recovery and Recharging.
2. Remove the accessory drive belt.
3. Raise and support the vehicle. Refer to Lifting and Jacking the Vehicle in General Information.
4. Remove the right front fascia extension.
5. Remove the lower air deflector.
6. Remove the wiring harness bracket bolt.
7. Disconnect the electrical connector from the compressor.
8. Disconnect the electrical connector from the A/C pressure sensor.




9. Remove the A/C compressor hose from the compressor.




10. Remove the front compressor mounting nuts.
11. Remove the bolt from the rear of the compressor.
12. Remove the compressor.

INSTALLATION PROCEDURE

IMPORTANT: When servicing or replacing the compressor, drain and measure the oil from the old compressor. If less than 1 fluid ounce is drained, add 2 ounces to the replacement compressor. If 1 ounce or more is drained, fill the compressor with that amount.

TOOLS REQUIRED
J 39400-A Electronic Halogen Leak Detector




1. Install the compressor.

NOTE: Refer to Fastener Notice in Service Precautions.

2. Install the mounting nuts and the bolt.

Tighten
Tighten the nuts to 50 N.m (37 lb ft).

3. Install the rear bolt to the compressor.

Tighten
Tighten the bolt to 50 N.m (37 lb ft).

IMPORTANT: Inspect the seal washers for damage before reinstalling the A/C lines and hoses.

If any damage is noted during inspection, the suspect seal must be replaced.

Flat washer type seals do not require lubrication.




4. Install the A/C compressor hose to the compressor.

Tighten
Tighten the nut to 30 N.m (22 lb ft).

5. Install the wiring harness bracket and bolt.

Tighten
Tighten the bolt to 12 N.m (106 lb in).




6. Connect the electrical connections to the compressor.
7. Connect the electrical connection to the A/C pressure sensor.
8. Lower the vehicle.
9. Install the accessory drive belt.
10. Recharge the A/C system. Refer to Refrigerant Recovery and Recharging.
11. Test the A/C system for leaks using the J 39400-A. Refer to Leak Testing.
12. Install the lower air deflector.
13. Install the right front fascia extension.