Operation CHARM: Car repair manuals for everyone.
Manuals through 2025 now available!

Our trusted friends have launched a new website named LEMON, which has newer manuals. It also contains all the CHARM manuals.

LEMON is the spiritual successor to CHARM, I recommend you try it!

Link: lemon-manuals.la or lemon-manuals.org.ua

(Some people have issue connecting. LEMON is investigating. For now, use Firefox or change your DNS server)

Or, hide this message: temporarily or permanently

Lock Replacement - Front Door

REMOVAL PROCEDURE




1. Remove the trim panel.
2. Remove the water deflector.
3. Remove the inside handle rods from the handle.
4. Remove the clip securing the inside handle rods to the door.
5. Use side cutters in order to cut off the outside handle rod-to-lock clip from the lock.
6. Unscrew the remainder of the clip from the outside handle rod.
Discard the clip.




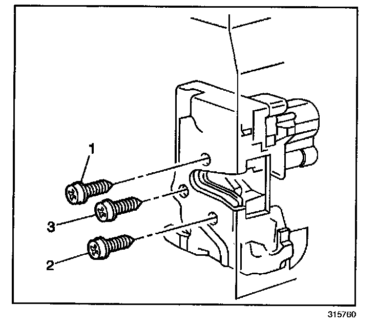
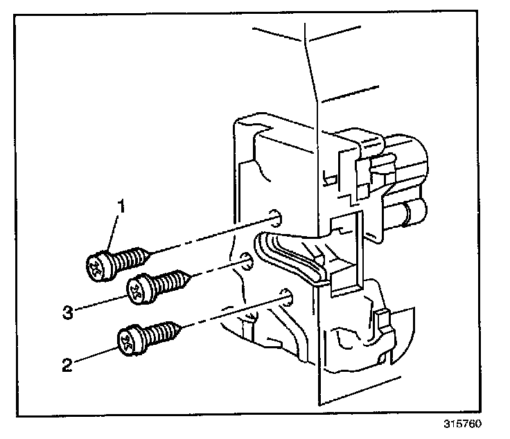
7. Remove the screws (1,2,3) securing the lock to the door.




8. Disconnect the electrical connectors.
9. Remove the inside handle rods from the lock.

INSTALLATION PROCEDURE




1. Install the inside handle rods to the lock.
2. Install the door lock in position through the access hole in the door inner panel.
3. Connect the electrical connectors.

NOTE: Refer to Fastener Notice in Service Precautions.

IMPORTANT: Use Loctite(R) Blue GM P/N 12345382 or equivalent prior to installing the fasteners.




4. Install the door lock screws in the correct fastener tightening sequence (top, bottom, middle, 1,2,3).

Tighten
Tighten the door lock screws to 10 N.m (89 lb in).




5. Press a new outside handle rod-to-lock clip onto the door lock lever.
6. Position the outside door handle rod in the clip in order to eliminate any free play in the outside door handle.
7. Press the clip cover closed over the threaded outside door handle rod.
8. Install the clip to the inside handle rods.
9. Install the inside handle rods to the handle.
10. Install the water deflector.
11. Install the trim panel.
12. Inspect the lock system for proper operation.