Operation CHARM: Car repair manuals for everyone.
Manuals through 2025 now available!

Our trusted friends have launched a new website named LEMON, which has newer manuals. It also contains all the CHARM manuals.

LEMON is the spiritual successor to CHARM, I recommend you try it!

Link: lemon-manuals.la or lemon-manuals.org.ua

(Some people have issue connecting. LEMON is investigating. For now, use Firefox or change your DNS server)

Or, hide this message: temporarily or permanently

Timing Components: Service and Repair

Removal Procedure

^ Tools Required
- J37096 Flywheel Holder





1. Disconnect the battery ground (negative) cable. Refer to Battery Negative Cable Disconnect/Connect Procedure.
2. Drain the engine coolant from the cooling system. Refer to Draining and Filling Cooling System in Cooling System.
3. Remove the drive belt tensioner. Refer to Drive Belt Tensioner Replacement.
4. Remove the crankshaft balancer. Refer to Crankshaft Balancer Replacement.
5. Disconnect the wiring harness connectors from the engine front cover.
6. Remove the crankshaft position sensor shield.

Important: The oil pan can be dropped slightly for engine front cover clearance if all pan bolts are loosened and the oil level sensor is removed.





7. Install the J28467-90A and the J28467-B. Refer to Engine Support Fixture.
8. Remove the engine mount bracket for oil pan access. Refer to Engine Mount and Bracket Replacement.
9. Lower the oil pan and remove the oil pan-to-engine front cover bolts.
10. Drain the engine oil. Remove the oil filter. Refer to Engine Oil and Oil Filter Replacement.
11. Remove the radiator outlet hose. Refer to Radiator Hose Replacement - Outlet in Cooling System.
12. Remove the water pump pulley. Refer to Water Pump Replacement in Cooling System.





13. Remove the crankshaft position sensor.





14. Remove the engine front cover attaching bolts.
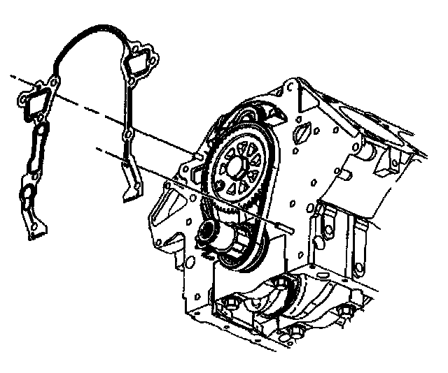
15. Remove the engine front cover with the oil filter adapter as one assembly.





16. Remove the engine front cover gasket.
17. If replacing the engine front cover, remove the oil filter adapter and pressure relief valve from the engine front cover. Refer to Oil Filter Adapter and Bypass Valve Assembly Replacement.
18. If replacing the engine front cover, remove the water pump from the engine front cover. Refer to Water Pump Replacement in Cooling System.





19. If replacing the engine front cover, remove the oil pump cover and gear set from the engine front cover. Refer to Oil Pump Cover and Gear Set Replacement.
20. Inspect the oil pump cover and gear set. Refer to Oil Pump Clean and Inspect.





21. If replacing the engine front cover, remove the camshaft position sensor from the engine front cover.
22. Inspect the timing chain for overall in and out movement. Maximum movement is 25.4 mm (1 inch). Refer to Timing Chain and Sprockets Clean and Inspect (VIN 1) or Timing Chain and Sprockets Clean and Inspect (VIN K).
23. Inspect the sprockets for wear.
24. Clean the mating surfaces of the front cover and cylinder block.
25. Clean the sealing surfaces with degreaser.

Installation Procedure

^ Tools Required
- J36660-A Electronic Torque Angle Meter
- J37096 Flywheel Holder

Notice: Refer to Fastener Notice in Service Precautions.





1. If replacing the engine front cover, install the camshaft position sensor to the engine front cover.
Tighten the camshaft position sensor bolts to 10 Nm (89 lb in).





2. If replacing the engine front cover, install the oil pump cover and gear set to the engine front cover. Refer to Oil Pump Cover and Gear Set Replacement.
3. If replacing the engine front cover, install the oil filter adapter and pressure relief valve to the engine front cover. Refer to Oil Filter Adapter and Bypass Valve Assembly Replacement.
4. If replacing the engine front cover, install the water pump to the engine front cover. Refer to Water Pump Replacement in Cooling System.





5. Install the new engine front cover seal. Refer to Crankshaft Front Oil Seal Replacement.





6. Install the new engine front cover gasket. Ensure that the sealing surfaces are not damaged.
7. Apply sealer GM P/N 1052080 or equivalent to the bolt threads.





8. Align the cogs on the crankshaft sprocket with the cogs on the oil pump gear set in the engine front cover.
9. Install the engine front cover on the engine.





10. Install the crankshaft position sensor. Refer to Crankshaft Position (CKP) Sensor Replacement.





11. Install the engine front cover bolts (1-7).
Tighten the engine front cover bolts to 20 Nm (15 lb ft). Use the J36660-A in order to rotate the bolts an additional 40 degrees.
12. Inspect the oil pan gasket. Replace if necessary.
13. Install the oil pan-to-engine front cover bolts and the oil pan bolts.
Tighten the oil pan-to-engine front cover bolts to 14 Nm (125 lb in).
14. Install the engine mount bracket. Refer to Engine Mount and Bracket Replacement.
15. Lower the engine.
16. Install the engine mount bracket bolts.
17. Remove the J28467-B and the J28467-90A.
18. Install the water pump pulley. Refer to Water Pump Replacement in Cooling System.
19. Connect the radiator outlet hose. Refer to Radiator Hose Replacement - Outlet in Cooling System.





20. Install the oil filter. Install the engine oil pan drain plug. Refer to Engine Oil and Oil Filter Replacement.





21. Install the crankshaft position sensor shield.
22. Connect the wiring harness connectors to the engine front cover.
23. Install the crankshaft balancer. Refer to Crankshaft Balancer Replacement.
24. Install the drive belt tensioner. Refer to Drive Belt Tensioner Replacement.
25. Fill the cooling system with engine coolant. Refer to Draining and Filling Cooling System in Cooling System.
26. Fill the crankcase with clean engine oil. Refer to Capacities - Approximate Fluid and Fluid and Lubricant Recommendations.
27. Connect the battery ground (negative) cable. Refer to Battery Negative Cable Disconnect/Connect Procedure.
28. Inspect for proper fluid levels.
29. Inspect for leaks.
30. Perform the CKP system variation learn procedure. Refer to CKP System Variation Learn Procedure.