Operation CHARM: Car repair manuals for everyone.
Manuals through 2025 now available!

Our trusted friends have launched a new website named LEMON, which has newer manuals. It also contains all the CHARM manuals.

LEMON is the spiritual successor to CHARM, I recommend you try it!

Link: lemon-manuals.la or lemon-manuals.org.ua

(Some people have issue connecting. LEMON is investigating. For now, use Firefox or change your DNS server)

Or, hide this message: temporarily or permanently

Manual and Pressure Bleeding Procedures

A bleeding operation is necessary in order to remove air when air is introduced into the hydraulic brake system.
Bleed the hydraulic system at all four brakes if air has been introduced through a low fluid level or by disconnecting brake pipes at the master cylinder. If a brake hose or brake pipe is disconnected at one wheel, bleed only that one wheel caliper. If brake pipes or hoses are disconnected at any fitting located between the master cylinder and the brakes, then only bleed the brake system served by the disconnected pipe or hose.

With Scan Tool (Preferred Method)
Refer to Automated Bleed Procedure.

Without Scan Tool

Important: Do not place your foot on the brake pedal through this entire procedure unless specifically directed to do so.

1. Remove foot from the brake pedal.
2. Start the engine. Allow the engine to run for at least ten seconds while observing the amber ABS warning indicator.
3. If the amber ABS warning indicator turns on and stays on after ten seconds, stop the bleeding procedure. Use a Scan Tool in order to diagnose the ABS malfunction.
4. If the amber ABS warning indicator turns on for approximately three seconds, then turns off and stays off, turn the ignition off.
5. Repeat the previous four steps one more time.
6. Bleed the entire brake system.

Brake System Pressure Bleeding Procedure

^ Tools Required
- J29532 Diaphragm Type Brake Bleeder
- J35589 Brake Bleeder Adapter
1. Inspect and fill the master cylinder reservoir to the proper level as necessary. Refer to Master Cylinder Reservoir Filling.
2. Assemble the components as shown.





3. Install the J35589 to the master cylinder reservoir.
4. Adjust the to 35 - 70 kPa (5 - 10 psi).
5. Wait approximately 30 seconds, then inspect the entire hydraulic brake system in order to ensure that there are no existing brake fluid leaks. Repair any brake fluid leaks.
6. Adjust the to 205 - 240 kPa (30 - 35 psi).

Important: Use a shop cloth in order to catch escaping brake fluid.





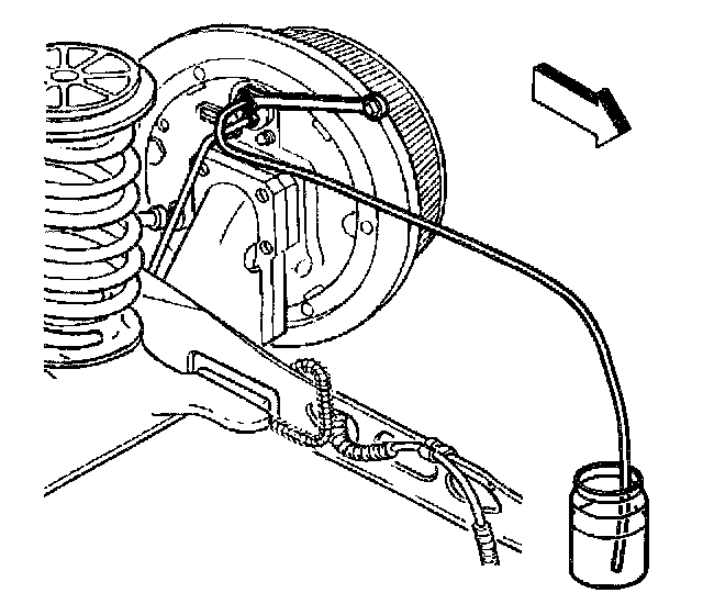
7. Slowly open the ABS modulator brake pipe fitting (1) starting from the first pipe on the left side in order to allow the brake fluid to flow.

Notice: Refer to Fastener Notice in Service Precautions.

8. Close the ABS modulator brake pipe fitting when air bubbles are no longer detected in the brake fluid.
^ Tighten the ABS modulator brake pipe fitting to 24 Nm (18 ft. lbs.).
9. Repeat Steps 8 and 9 for the remaining ABS modulator brake pipe fittings.





10. Raise and suitably support the vehicle. Refer to Vehicle Lifting.
11. Install the clear plastic bleeder hose to the RIGHT REAR bleeder valve:
^ For DOMESTIC vehicles, install the clear plastic bleeder hose to the wheel cylinder bleeder valve.
^ For EXPORT vehicles, install the clear plastic bleeder hose to the brake caliper bleeder valve.





12. Submerge the opposite end of the clear plastic bleeder hose in a clean container partially filled with clean brake fluid.
13. Slowly open the bleeder valve in order to allow the brake fluid to flow.
14. Close the bleeder valve when air bubbles are no longer detected in the brake fluid.
^ For DOMESTIC vehicles, tighten the wheel cylinder bleeder valve to 7 Nm (62 inch lbs.).
^ For EXPORT vehicles, tighten the wheel cylinder bleeder valve to 11 Nm (97 inch lbs.)

15. Remove the clear plastic bleeder hose from the bleeder valve.





16. Install the clear plastic bleeder hose to the LEFT FRONT brake caliper bleeder valve.
17. Submerge the opposite end of the clear plastic bleeder hose in a clean container partially filled with clean brake fluid.
18. Slowly open the bleeder valve in order to allow the brake fluid to flow.
19. Close the bleeder valve when air bubbles are no longer detected in the brake fluid.
^ Tighten the brake caliper bleeder valve to 13 Nm (115 inch lbs.).
20. Remove the clear plastic bleeder hose from the bleeder valve.





21. Install the clear plastic bleeder hose to the LEFT REAR bleeder valve.
^ For DOMESTIC vehicles, install the clear plastic bleeder hose to the wheel cylinder bleeder valve.
^ For EXPORT vehicles, install the clear plastic bleeder hose to the brake caliper bleeder valve.





22. Submerge the opposite end of the clear plastic bleeder hose in a clean container partially filled with clean brake fluid.
23. Slowly open the bleeder valve in order to allow the brake fluid to flow.
24. Close the bleeder valve when air bubbles are no longer detected in the brake fluid.
^ For DOMESTIC vehicles, tighten the wheel cylinder bleeder valve to 7 Nm (62 inch lbs.).
^ For EXPORT vehicles, tighten the wheel cylinder bleeder valve to 11 Nm (97 inch lbs.)

25. Remove the clear plastic bleeder hose from the bleeder valve.





26. Install the clear plastic bleeder hose to the RIGHT FRONT brake caliper bleeder valve.
27. Submerge the opposite end of the clear plastic bleeder hose in a clean container partially filled with clean brake fluid.
28. Slowly open the bleeder valve in order to allow the brake fluid to flow.
29. Close the bleeder valve when air bubbles are no longer detected in the brake fluid.
^ Tighten the brake caliper bleeder valve to 13 Nm (115 inch lbs.).
30. Remove the clear plastic bleeder hose from the bleeder valve.
31. Lower the vehicle.
32. Remove the J35589 from the master cylinder reservoir.
33. Inspect and fill the master cylinder reservoir to the proper level as necessary.
34. Install the master cylinder reservoir cap.
35. Start the engine and allow the engine to run for at least 10 seconds.
36. Turn the ignition OFF.
37. Inspect the brake pedal feel and the brake pedal travel.
^ If the brake pedal feels firm and constant and the brake pedal travel does not exceed specifications, proceed to Step 39.
^ If the pedal feels soft or the brake pedal travel exceeds specifications, DO NOT DRIVE THE VEHICLE. Go to Step 40.

38. Start the engine and inspect the brake pedal feel.
^ If the brake pedal still feels firm, go to Step 42.
^ If the brake pedal feels soft, DO NOT DRIVE THE VEHICLE. Proceed to Step 40.

39. Use the scan tool in order to perform the automated bleed procedure. Refer to Automated Bleed Procedure in Antilock Brake Systems.
40. Ensure that the unacceptable brake pedal feel/travel is not caused by misadjusted brake linings or other mechanical failures, then repeat the Brake System Pressure Bleeding procedure. Proceed to Step 1.
41. Road test the vehicle. Make several normal (non-ABS) stops from a moderate speed in order to ensure proper brake system function. Allow adequate brake system cooling time between stops.

Brake System Manual Bleeding Procedure

Important: This procedure may require the help of an assistant to apply the brake pedal while the bleeder valves are opened and closed.

Important: Ensure that the master cylinder brake fluid level does not drop to the bottom of the master cylinder reservoir. You will be instructed to Inspect and fill the master cylinder reservoir at times during this procedure. However, the actual frequency of master cylinder reservoir filling REQUIRED will depend on the amount of fluid that is released. If the brake fluid level drops to the bottom of the master cylinder reservoir, start the bleed procedure again at Step 1.

1. Inspect and fill the master cylinder reservoir to the proper level as necessary.

Important: Use a shop cloth in order to catch escaping brake fluid.





2. Slowly open the ABS modulator brake pipe fitting (1) starting from the first pipe on the left side in order to allow the brake fluid to flow.
3. Press and hold the brake pedal approximately 75 percent of a full stroke.

Notice: Refer to Fastener Notice in Service Precautions.

4. Close the ABS modulator brake pipe fitting when air bubbles are no longer detected in the brake fluid.
^ Tighten the ABS modulator brake pipe fitting to 24 Nm (18 ft. lbs.).
5. Repeat Steps 2 and 3 for the remaining ABS modulator brake pipe fittings.
6. Inspect and fill the master cylinder reservoir to the proper level as necessary.
7. Raise and suitably support the vehicle. Refer to Vehicle Lifting.





8. Install the clear plastic bleeder hose to the RIGHT REAR bleeder valve.
^ For DOMESTIC vehicles, install the clear plastic bleeder hose to the wheel cylinder bleeder valve.
^ For EXPORT vehicles, install the clear plastic bleeder hose to the brake caliper bleeder valve.





9. Submerge the opposite end of the clear plastic bleeder hose in a clean container partially filled with clean brake fluid.
10. Open the bleeder valve.
11. Press and hold the brake pedal approximately 75 percent of a full stroke.
12. Close the bleeder valve.
13. Release the brake pedal.
14. Repeat Steps 10 through 13 until air bubbles are no longer detected in the brake fluid.
^ For DOMESTIC vehicles, tighten the wheel cylinder bleeder valve to 7 Nm (62 inch lbs.).
^ For EXPORT vehicles, tighten the wheel cylinder bleeder valve to 11 Nm (97 inch lbs.)

15. Remove the clear plastic bleeder hose from the bleeder valve.





16. Install the clear plastic bleeder hose to the LEFT FRONT brake caliper bleeder valve.
17. Submerge the opposite end of the clear plastic bleeder hose in a clean container partially filled with clean brake fluid.
18. Open the bleeder valve.
19. Press and hold the brake pedal approximately 75 percent of a full stroke.
20. Close the bleeder valve.
21. Release the brake pedal.
22. Repeat Steps 18 through 21 until air bubbles are no longer detected in the brake fluid.
^ Tighten the brake caliper bleeder valve to 13 Nm (115 inch lbs.).
23. Remove the clear plastic bleeder hose from the bleeder valve.





24. Install the clear plastic bleeder hose to the LEFT REAR bleeder valve.
^ For DOMESTIC vehicles, install the clear plastic bleeder hose to the wheel cylinder bleeder valve.
^ For EXPORT vehicles, install the clear plastic bleeder hose to the brake caliper bleeder valve.





25. Submerge the opposite end of the clear plastic bleeder hose in a clean container partially filled with clean brake fluid.
26. Open the bleeder valve.
27. Press and hold the brake pedal approximately 75 percent of a full stroke.
28. Close the bleeder valve.
29. Release the brake pedal.
30. Repeat Steps 26 through 29 until air bubbles are no longer detected in the brake fluid.
^ For DOMESTIC vehicles, tighten the wheel cylinder bleeder valve to 7 Nm (62 inch lbs.).
^ For EXPORT vehicles, tighten the wheel cylinder bleeder valve to 11 Nm (97 inch lbs.).

31. Remove the clear plastic bleeder hose from the bleeder valve.





32. Install the clear plastic bleeder hose to the RIGHT FRONT brake caliper bleeder valve.
33. Submerge the opposite end of the clear plastic bleeder hose in a clean container partially filled with clean brake fluid.
34. Open the bleeder valve.
35. Press and hold the brake pedal approximately 75 percent of a full stroke.
36. Close the bleeder valve.
37. Release the brake pedal.
38. Repeat Steps 34 through 37 until air bubbles are no longer detected in the brake fluid.
^ Tighten the brake caliper bleeder valve to 13 Nm (115 inch lbs.).
39. Remove the clear plastic bleeder hose from the bleeder valve.
40. Lower the vehicle.





41. Remove the brake fluid reservoir cover.
42. Inspect the brake fluid level in the reservoir.
43. Install the brake fluid reservoir cover.
44. Turn the ignition switch to the RUN position, then turn off the engine. Apply the brake pedal with moderate force and hold the pedal. Note the pedal travel and feel.
45. If the pedal feels firm and constant and pedal travel is not excessive, start the engine. With the engine running, recheck the pedal travel.
46. If the pedal feel is still firm and constant and pedal travel is not excessive, perform a vehicle road test. Make several normal (non-ABS) stops from a moderate speed in order to ensure proper brake system function.
47. If pedal feel is soft or has excessive travel either initially or after engine start.
48. Repeat the manual bleeding procedure, starting at Step 1.
49. Perform a vehicle road test. Make several normal (non-ABS) stops from a moderate speed in order to ensure proper brake system function.