Operation CHARM: Car repair manuals for everyone.
Manuals through 2025 now available!

Our trusted friends have launched a new website named LEMON, which has newer manuals. It also contains all the CHARM manuals.

LEMON is the spiritual successor to CHARM, I recommend you try it!

Link: lemon-manuals.la or lemon-manuals.org.ua

(Some people have issue connecting. LEMON is investigating. For now, use Firefox or change your DNS server)

Or, hide this message: temporarily or permanently

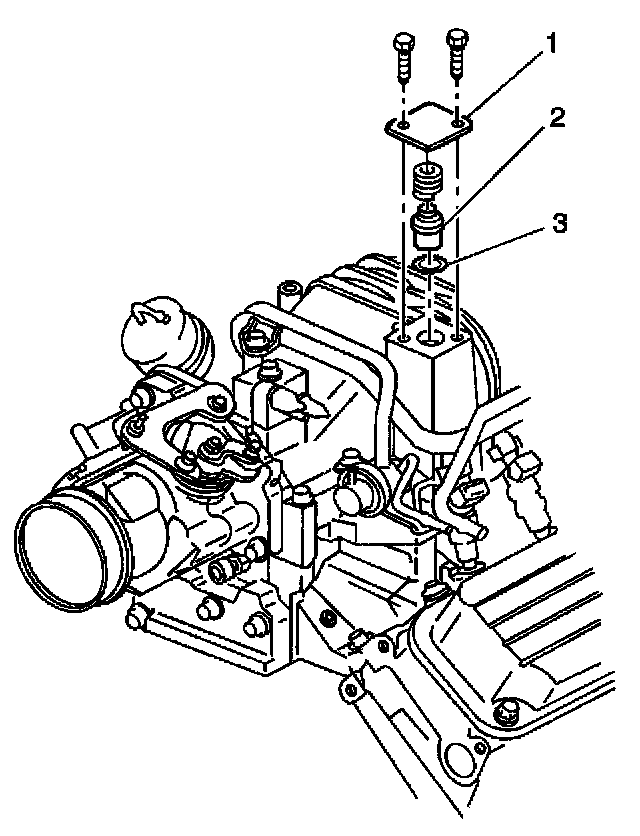
Positive Crankcase Ventilation: Service and Repair




REMOVAL PROCEDURE
1. While holding down the crankcase ventilation valve access cover (1), remove the 2 access cover retaining bolts.
2. Remove the crankcase ventilation valve access cover (1).
3. Remove the crankcase ventilation valve (2), spring, and O-ring (3).

INSTALLATION PROCEDURE
1. Install the crankcase ventilation valve (2), spring, and new O-ring (3).
2. Reinstall the crankcase ventilation valve access cover (1).
3. While holding down the crankcase ventilation valve access cover, install the access cover retaining bolts.