Operation CHARM: Car repair manuals for everyone.
Manuals through 2025 now available!

Our trusted friends have launched a new website named LEMON, which has newer manuals. It also contains all the CHARM manuals.

LEMON is the spiritual successor to CHARM, I recommend you try it!

Link: lemon-manuals.la or lemon-manuals.org.ua

(Some people have issue connecting. LEMON is investigating. For now, use Firefox or change your DNS server)

Or, hide this message: temporarily or permanently

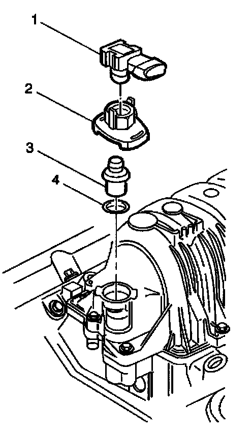
Positive Crankcase Ventilation: Service and Repair




REMOVAL PROCEDURE
1. Remove the injector sight shield from the fuel rail and intake manifold.
2. Remove the MAP sensor (1).
3. Use a 16 mm socket to press the access cover (2) down and rotate 1/4 turn counterclockwise.
4. Remove the access cover.
5. Remove the PCV valve (3) and the O-ring (4) from the intake manifold.

INSTALLATION PROCEDURE
1. Install the crankcase ventilation valve (3). If necessary, replace the O-ring (4).
2. Install the access cover (2).
3. Install the MAP sensor (1).
4. Install the sight shield.