Operation CHARM: Car repair manuals for everyone.
Manuals through 2025 now available!

Our trusted friends have launched a new website named LEMON, which has newer manuals. It also contains all the CHARM manuals.

LEMON is the spiritual successor to CHARM, I recommend you try it!

Link: lemon-manuals.la or lemon-manuals.org.ua

(Some people have issue connecting. LEMON is investigating. For now, use Firefox or change your DNS server)

Or, hide this message: temporarily or permanently

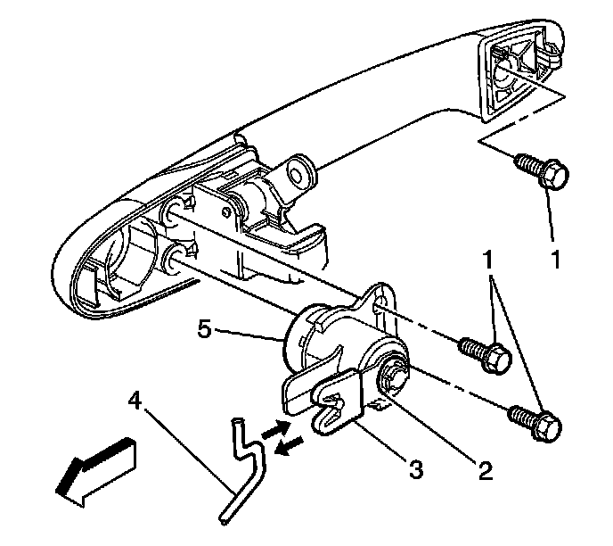
Procedures



Lock Cylinder Replacement - Door

Removal Procedure

Important: Do not attempt repairs in order to correct lock cylinder discrepancies. Replace the lock cylinder.




1. Remove the front door trim panel.
2. Remove the front door water deflector.
3. Remove the front door outside handle.
4. Remove the lock paw retaining clip (2).
5. Remove the lock cylinder paw (3).
6. Remove the lock cylinder (5) from the outside door handle.

Installation Procedure




1. Install the lock cylinder (5) into the outside door handle.
2. Install the lock cylinder paw (3).
3. Install the lock cylinder paw retaining clip (2).
4. Install the front door outside handle.
5. Inspect the door for proper operation.
6. Install the front door water deflector.
7. Install the front door trim panel.