Operation CHARM: Car repair manuals for everyone.
Manuals through 2025 now available!

Our trusted friends have launched a new website named LEMON, which has newer manuals. It also contains all the CHARM manuals.

LEMON is the spiritual successor to CHARM, I recommend you try it!

Link: lemon-manuals.la or lemon-manuals.org.ua

(Some people have issue connecting. LEMON is investigating. For now, use Firefox or change your DNS server)

Or, hide this message: temporarily or permanently

Condenser HVAC: Service and Repair



CONDENSER REPLACEMENT

TOOLS REQUIRED
J 39400-A Halogen Leak Detector

REMOVAL PROCEDURE
1. Recover the refrigerant. Refer to Refrigerant Recovery and Recharging.




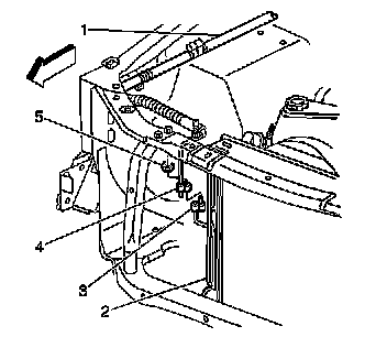
2. Remove the compressor discharge hose nut (1) from the condenser.
3. Remove the compressor discharge hose (2) from the condenser.




4. Remove the hood latch.
5. Remove the head lamp housing panel.
6. Remove the radiator diagonal brace.
7. Remove the bolts from the upper radiator support.
8. Remove the upper radiator support.
9. Remove the evaporator tube nut (5) from the condenser.
10. Remove the evaporator tube (4) from the condenser.
11. Remove the studs from the condenser inlet and outlets.
12. Remove the condenser LH upper bracket bolt and bracket.
13. Remove the condenser to radiator bolts.
14. Remove the condenser from the radiator.

INSTALLATION PROCEDURE




1. Install the condenser to the radiator.

IMPORTANT: If replacing the condenser, add the refrigerant oil to the condenser. Refer to Refrigerant System Capacities for the capacity information.

2. Install the condenser to the radiator bolts.

Tighten the bolts to 9 N.m (80 lb in).

NOTE: Refer to Fastener Notice in Service Precautions.

3. Install the condenser LH upper bracket bolt and bracket.

Tighten the bolt to 9 N.m (80 lb in).

4. Install the studs from the condenser inlet and outlets.

Tighten the studs to 4.5 N.m (40 lb in).

5. Install the evaporator tube (4) from the condenser.
6. Install the evaporator tube nut (5) form the condenser.

Tighten the nut to 28 N.m (21 lb in).

7. Install the upper radiator support bar.
8. Install the bolts form the upper radiator support bar.

Tighten the bolts to 50 N.m (37 lb in).

9. Install the radiator diagonal base.
10. Install the head lamp housing panel.
11. Install the hood latch.




12. Connect the compressor discharge hose (2) to the condenser.
13. Install the compressor discharge hose nut (1) to the condenser.

Tighten the nut to 28 N.m (210 lb in).

14. Evacuate and recharge the A/C system. Refer to Refrigerant Recovery and Recharging.
15. Leak test the fittings of the components using J 39400-A.