Operation CHARM: Car repair manuals for everyone.
Manuals through 2025 now available!

Our trusted friends have launched a new website named LEMON, which has newer manuals. It also contains all the CHARM manuals.

LEMON is the spiritual successor to CHARM, I recommend you try it!

Link: lemon-manuals.la or lemon-manuals.org.ua

(Some people have issue connecting. LEMON is investigating. For now, use Firefox or change your DNS server)

Or, hide this message: temporarily or permanently

Electrical Diagrams



ENGINE CONTROLS SCHEMATICS

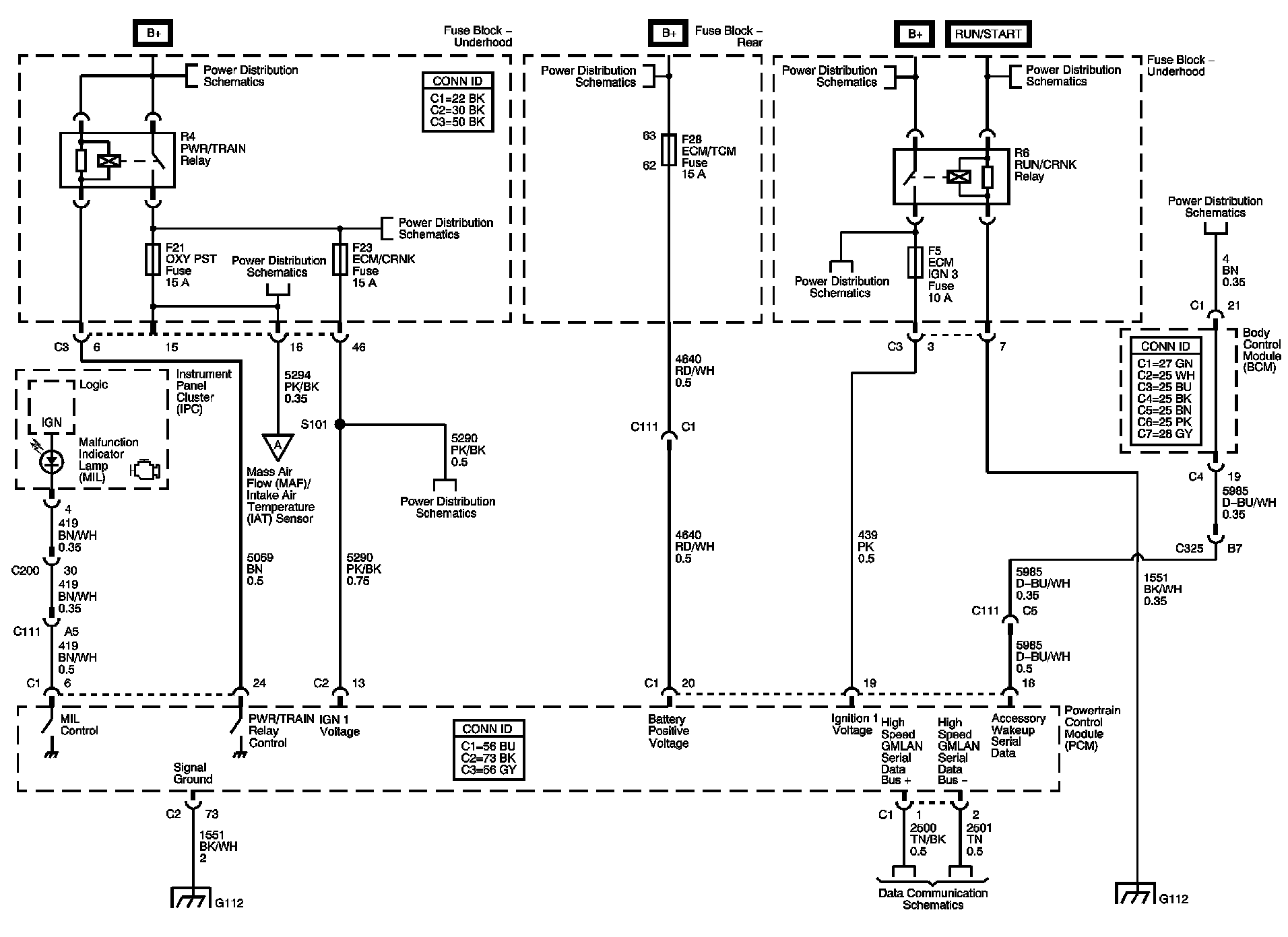
Power, Ground, MIL and DLC







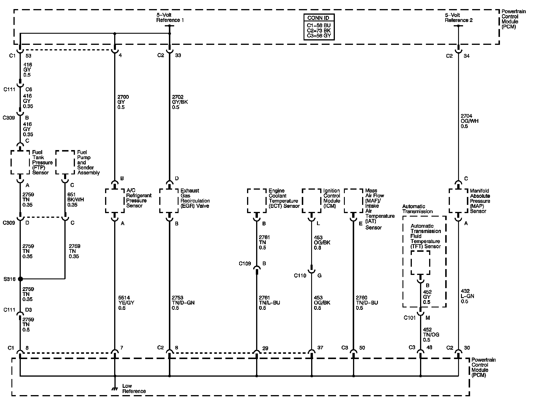
Engine Data Sensors, 5-Volt Reference Bussing







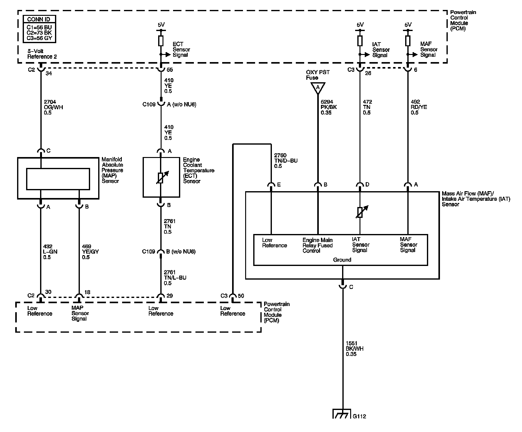
Engine Data Sensors - Pressure, Temp and MAF/IAT







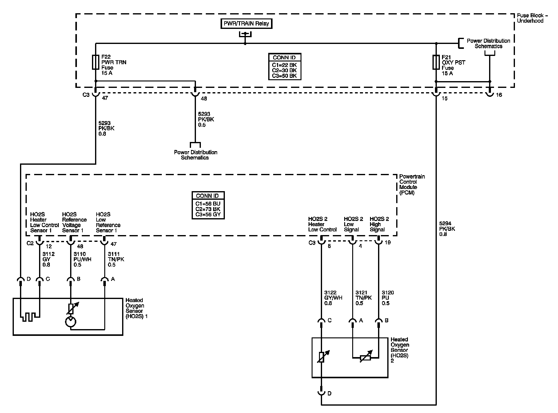
Engine Data Sensors, HO2S







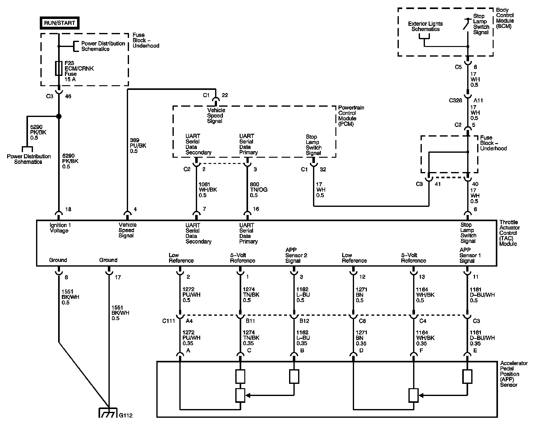
Engine Data Sensors, APP and TAC







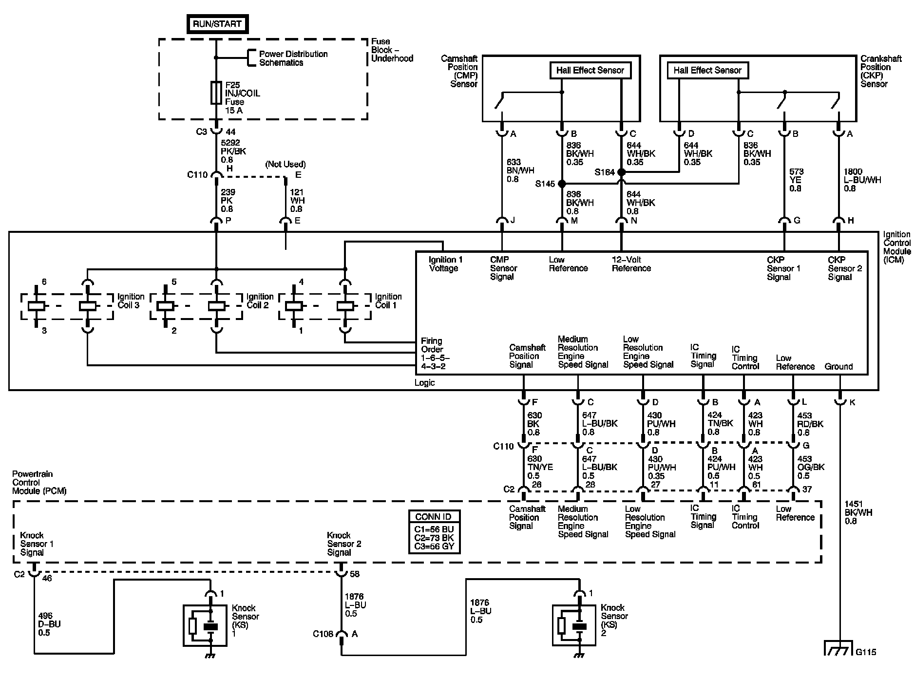
Ignition Controls, CKP, CMP, Knock Sensors







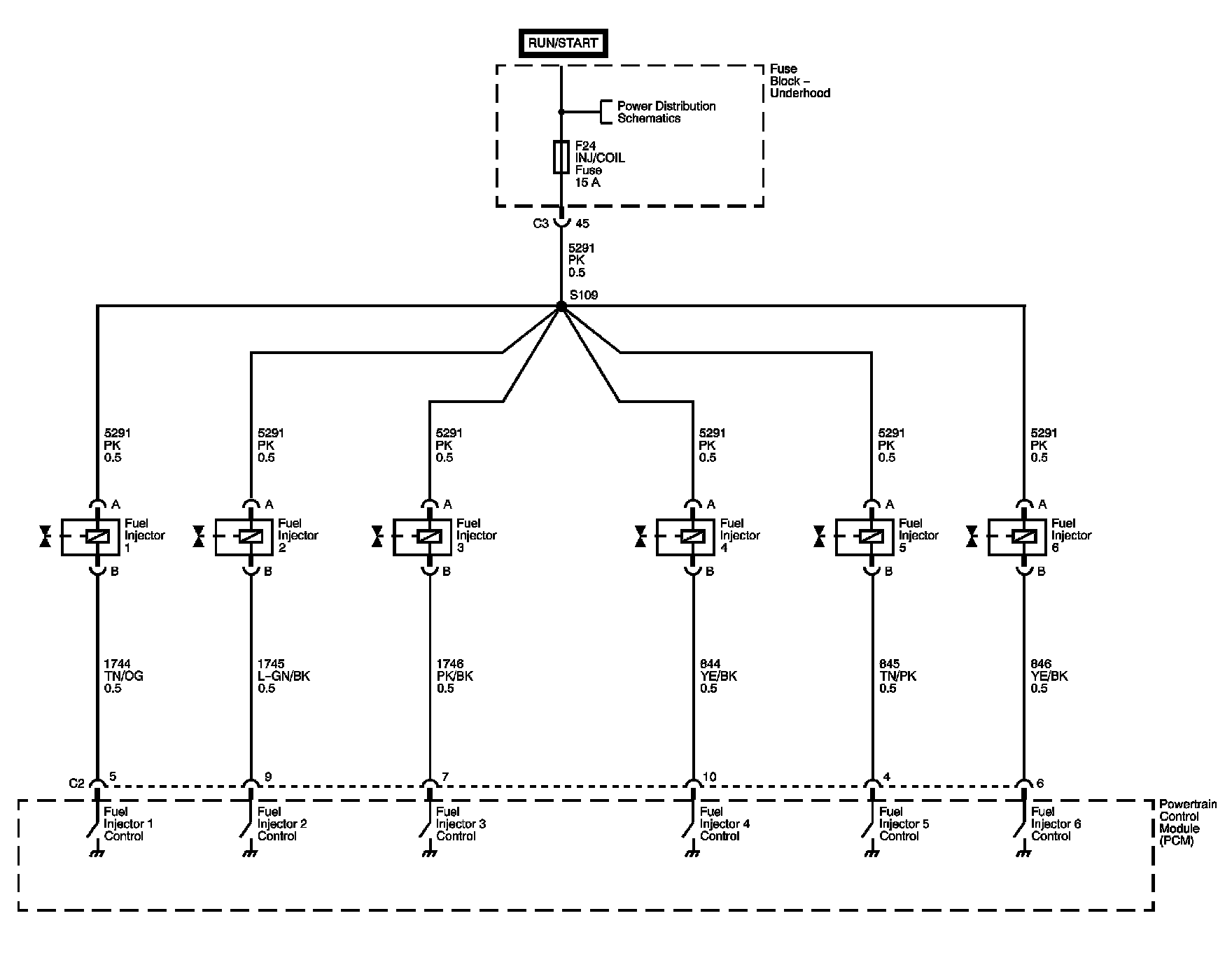
Fuel Controls







EVAP Controls







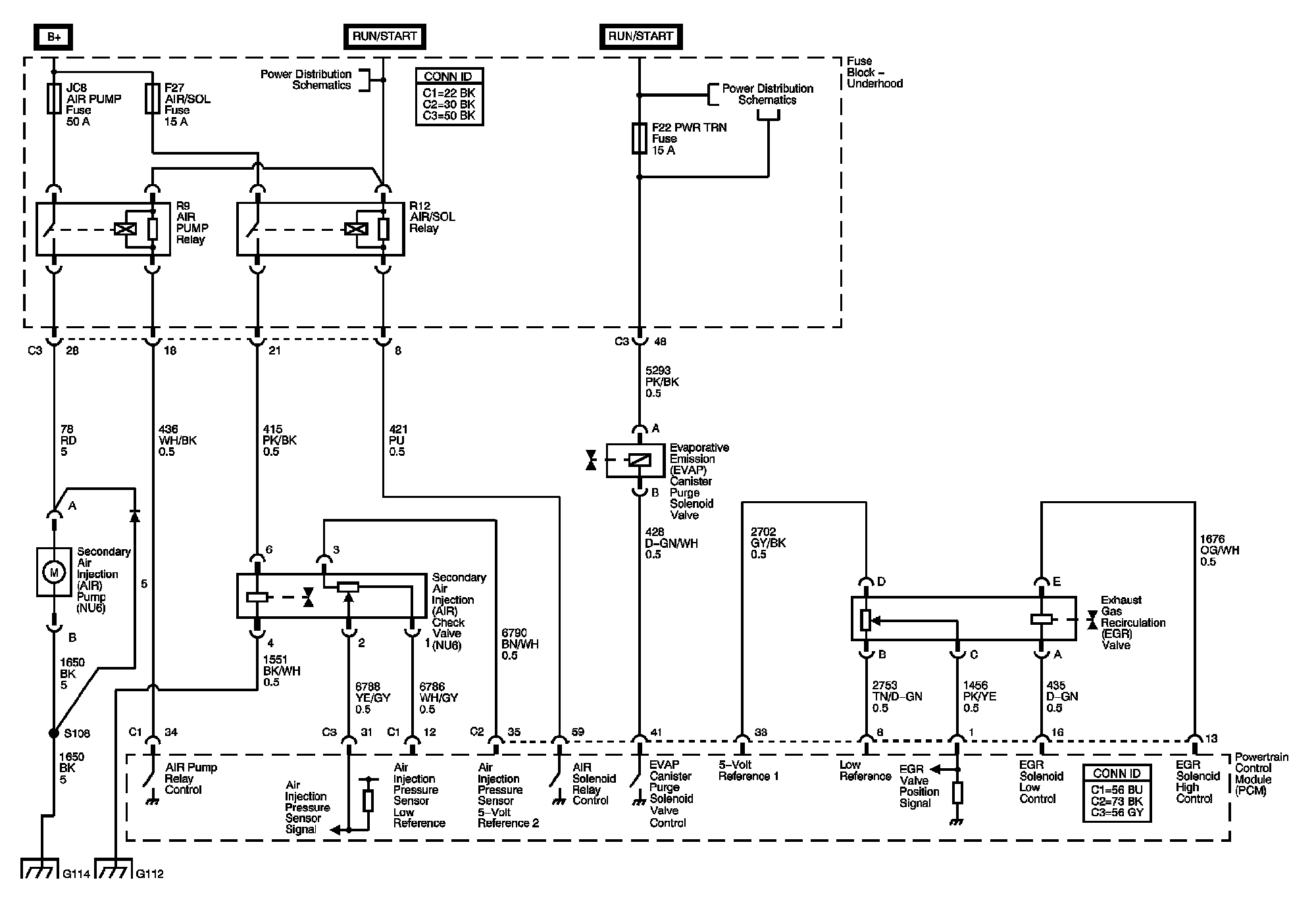
EGR, Secondary Air Injection (AIR)







Controlled/Monitored Subsystem References







Automatic Transmission Controls References







Locations: The locations for the Connectors, Grounds, Splices, and Grommets shown within these diagrams can be found via their numbers at Vehicle Locations. Locations