Operation CHARM: Car repair manuals for everyone.
Manuals through 2025 now available!

Our trusted friends have launched a new website named LEMON, which has newer manuals. It also contains all the CHARM manuals.

LEMON is the spiritual successor to CHARM, I recommend you try it!

Link: lemon-manuals.la or lemon-manuals.org.ua

(Some people have issue connecting. LEMON is investigating. For now, use Firefox or change your DNS server)

Or, hide this message: temporarily or permanently

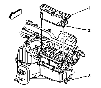
Windshield Defroster Duct Replacement



Windshield Defroster Duct Replacement

Removal Procedure

1. Remove the instrument panel (I/P) trim pad.




2. Remove the retaining screw (4) from the side window defroster duct (3).
3. Remove the passenger side window defroster duct.
4. Remove the air distribution duct.




5. Release locking tabs (2) from the defroster duct (1).
6. Remove the defroster duct (1).

Installation Procedure




1. Install the defroster duct.
2. Insert defroster duct into retaining slots.






Notice: Refer to Fastener Notice.

3. Install the retaining screw (4) to the passenger side window defroster duct (3).

Tighten the nut to 2 N.m (18 lb in).

4. Install the I/P assembly.