Operation CHARM: Car repair manuals for everyone.
Manuals through 2025 now available!

Our trusted friends have launched a new website named LEMON, which has newer manuals. It also contains all the CHARM manuals.

LEMON is the spiritual successor to CHARM, I recommend you try it!

Link: lemon-manuals.la or lemon-manuals.org.ua

(Some people have issue connecting. LEMON is investigating. For now, use Firefox or change your DNS server)

Or, hide this message: temporarily or permanently

Air Cleaner Housing: Service and Repair



Air Cleaner Assembly Replacement

Removal Procedure




1. Remove the following components from the lower air cleaner housing/washer solvent tank assembly (4).

* The air cleaner cover (2)
* The filter element (6)
* The mass air flow (MAF)/intake air temperature (IAT) sensor (3)
* The air inlet duct (5)




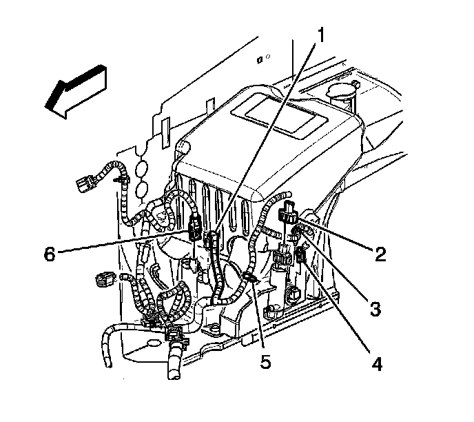
2. Disconnect the following electrical connectors:

* The windshield washer pump (1)
* The headlamp washer pump (2), if equipped
* The low solvent level sensor (4)
* The lift gate washer pump (6), if equipped

3. Remove the wire harness to the washer solvent level sensor from the retaining clips (3, 5).




4. If applicable, disconnect the headlamp washer hose from the headlamp washer pump located on the lower air cleaner housing/washer solvent tank. Cap the headlamp washer pump outlet fitting to prevent loss of washer solvent.




5. Disconnect the washer pump hoses (3) and plug the outlet ports to prevent loss of washer solvent.
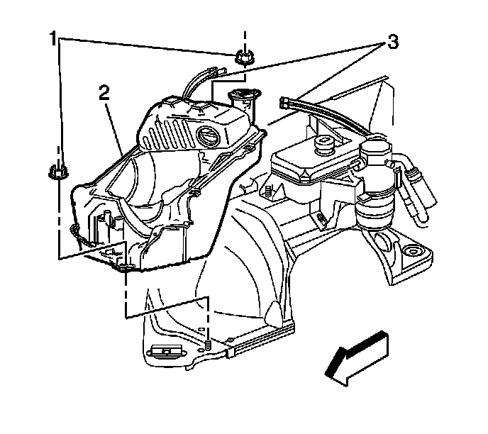
6. Remove the 2 retaining nuts (1) from the mounting studs on the air cleaner housing/washer solvent tank assembly.
7. Lift the lower air filter housing/washer solvent tank assembly (2) off of the studs and remove the assembly.

Installation Procedure




1. Install the lower air filter housing/washer solvent tank assembly (2) onto the mounting studs.
2. Connect the washer pump hoses (3) to the washer pumps.

Notice: Refer to Fastener Notice.

3. Install the 2 retaining nuts (1) to the mounting studs on the air cleaner housing/washer solvent tank assembly.

Tighten the nuts to 15 N.m (11 lb ft).




4. If applicable, connect the washer hose to the headlamp washer pump located on the lower air cleaner housing/washer solvent tank.




5. Connect the following electrical connectors:

* The windshield washer pump (1)
* The headlamp washer pump (2)
* The low solvent level sensor (4)
* The lift gate washer pump (6)

6. Install the wire harness for the washer solvent level sensor to the wire harness retaining clips (3, 5).




7. Install the following components to the lower air cleaner housing/washer solvent tank assembly (4).

* The air cleaner cover (2)
* The filter element (6)
* The mass air flow (MAF)/intake air temperature (IAT) sensor (3)
* The air inlet duct (5)