Manifold Pressure/Vacuum Sensor: Service and Repair
Manifold Absolute Pressure Sensor Replacement
Removal Procedure
1. Disconnect the manifold absolute pressure (MAP) sensor electrical connector (3).
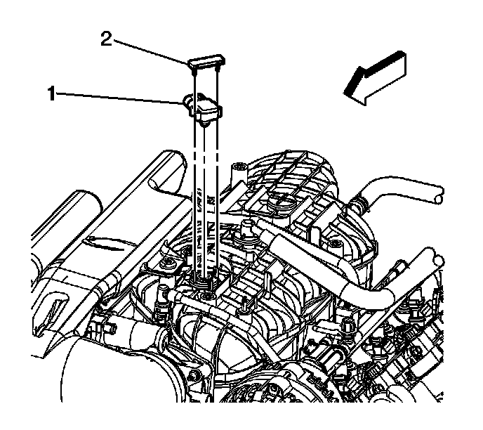
2. Remove the MAP sensor retaining clip (2) from the intake manifold.
3. Remove the MAP sensor (1) from the intake manifold.
Installation Procedure
Important: Lightly coat the MAP sensor seal with clean engine oil before installing the sensor.
1. Install the MAP sensor (1). Push the MAP sensor into the intake manifold.
2. Install the MAP sensor retainer (2) to the intake manifold.
3. Connect the MAP sensor electrical connector (3).