Operation CHARM: Car repair manuals for everyone.
Manuals through 2025 now available!

Our trusted friends have launched a new website named LEMON, which has newer manuals. It also contains all the CHARM manuals.

LEMON is the spiritual successor to CHARM, I recommend you try it!

Link: lemon-manuals.la or lemon-manuals.org.ua

(Some people have issue connecting. LEMON is investigating. For now, use Firefox or change your DNS server)

Or, hide this message: temporarily or permanently

Electrical Diagrams



ENGINE CONTROLS SCHEMATICS

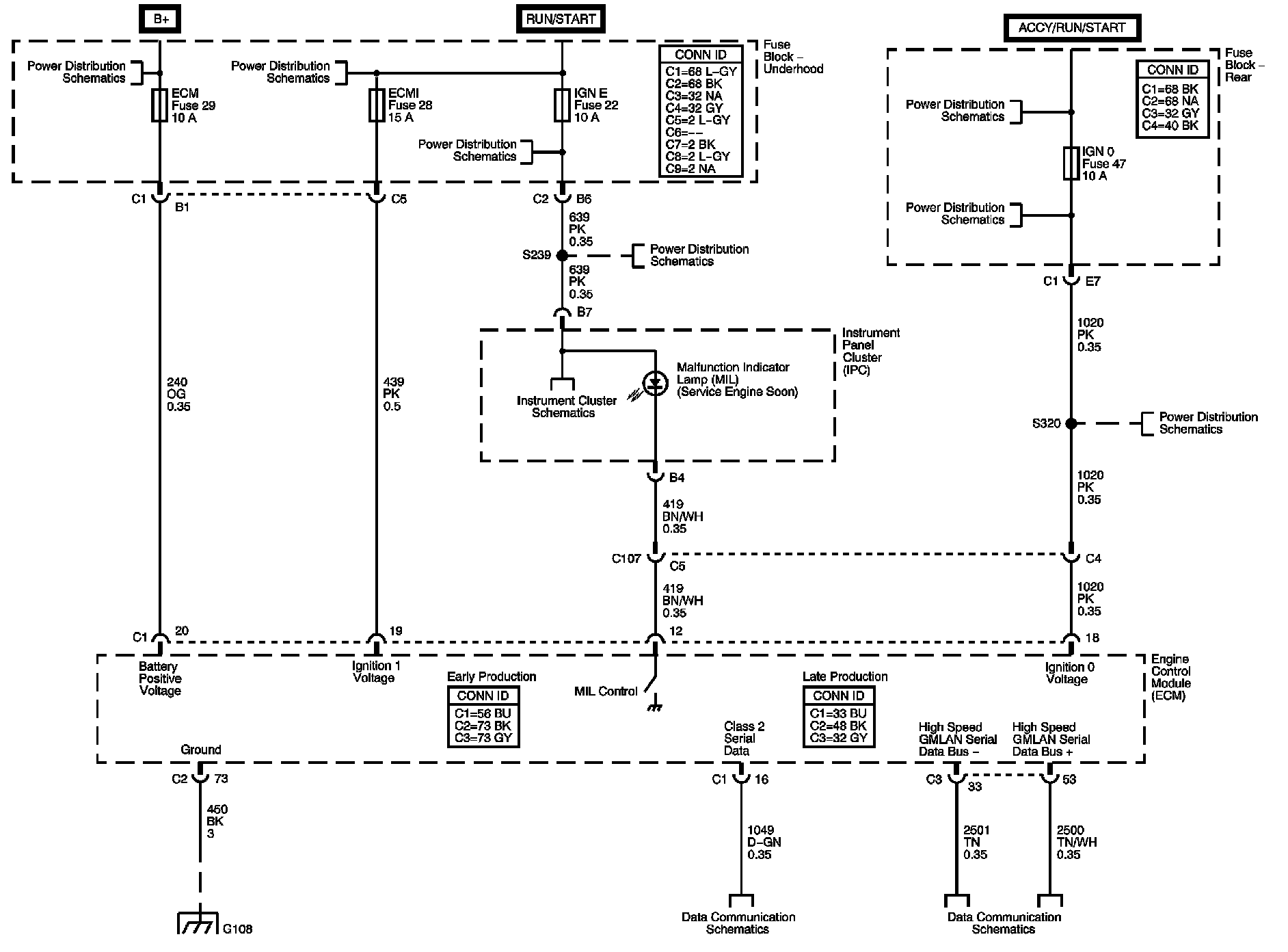
Module Power, Ground, Serial Data, and MIL







Underhood Fuse Block - PWR/TRN Relay










Engine Data Sensors - 5-Volt and Low Reference







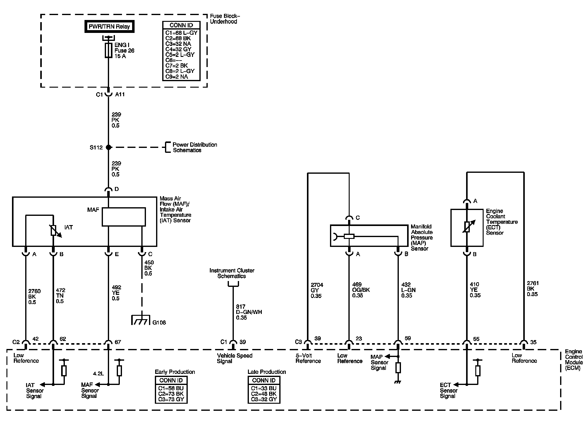
Engine Data Sensors - MAF, Pressure, Temperature, and VSS







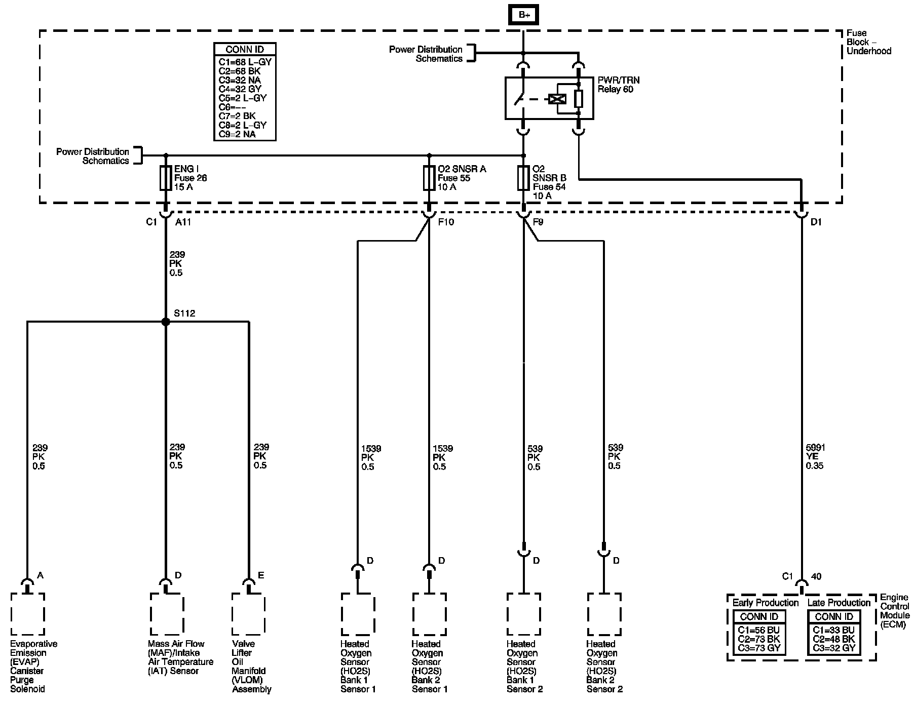
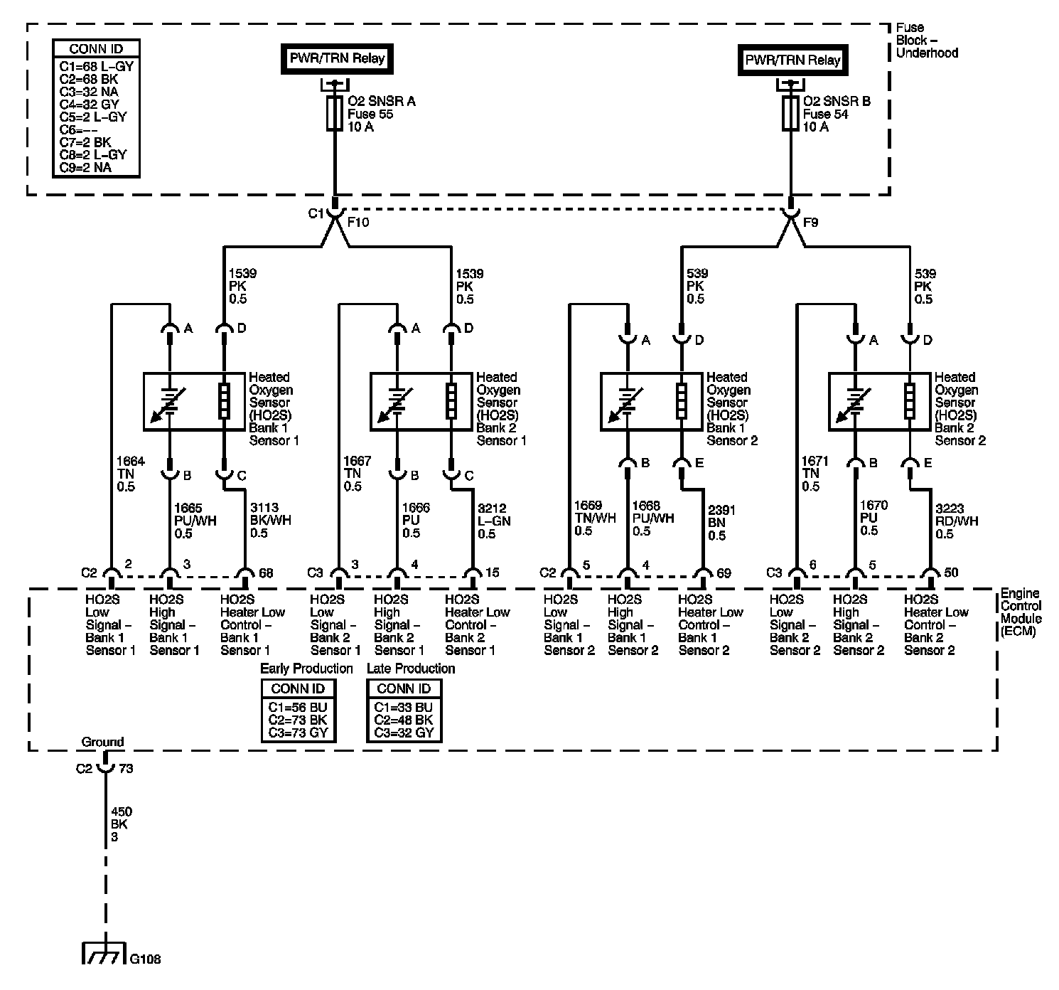
Engine Data Sensors - Oxygen Sensors







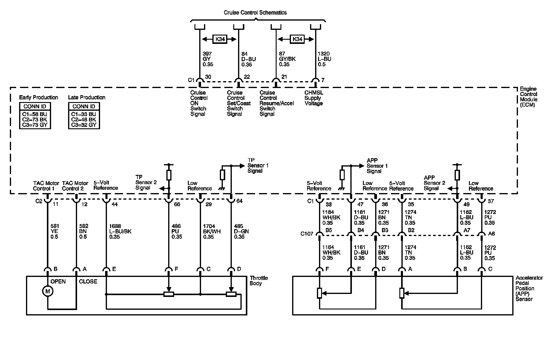
Engine Data Sensors - Throttle Actuator Controls







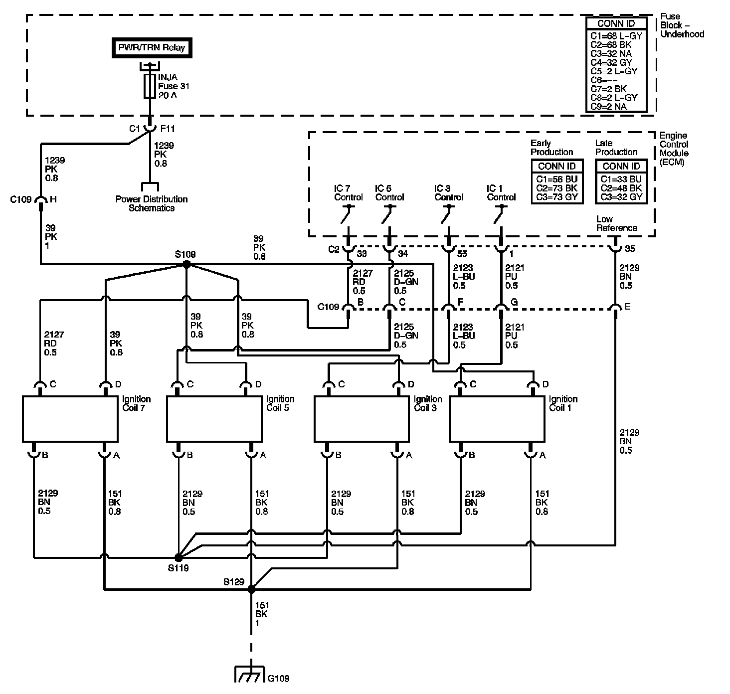
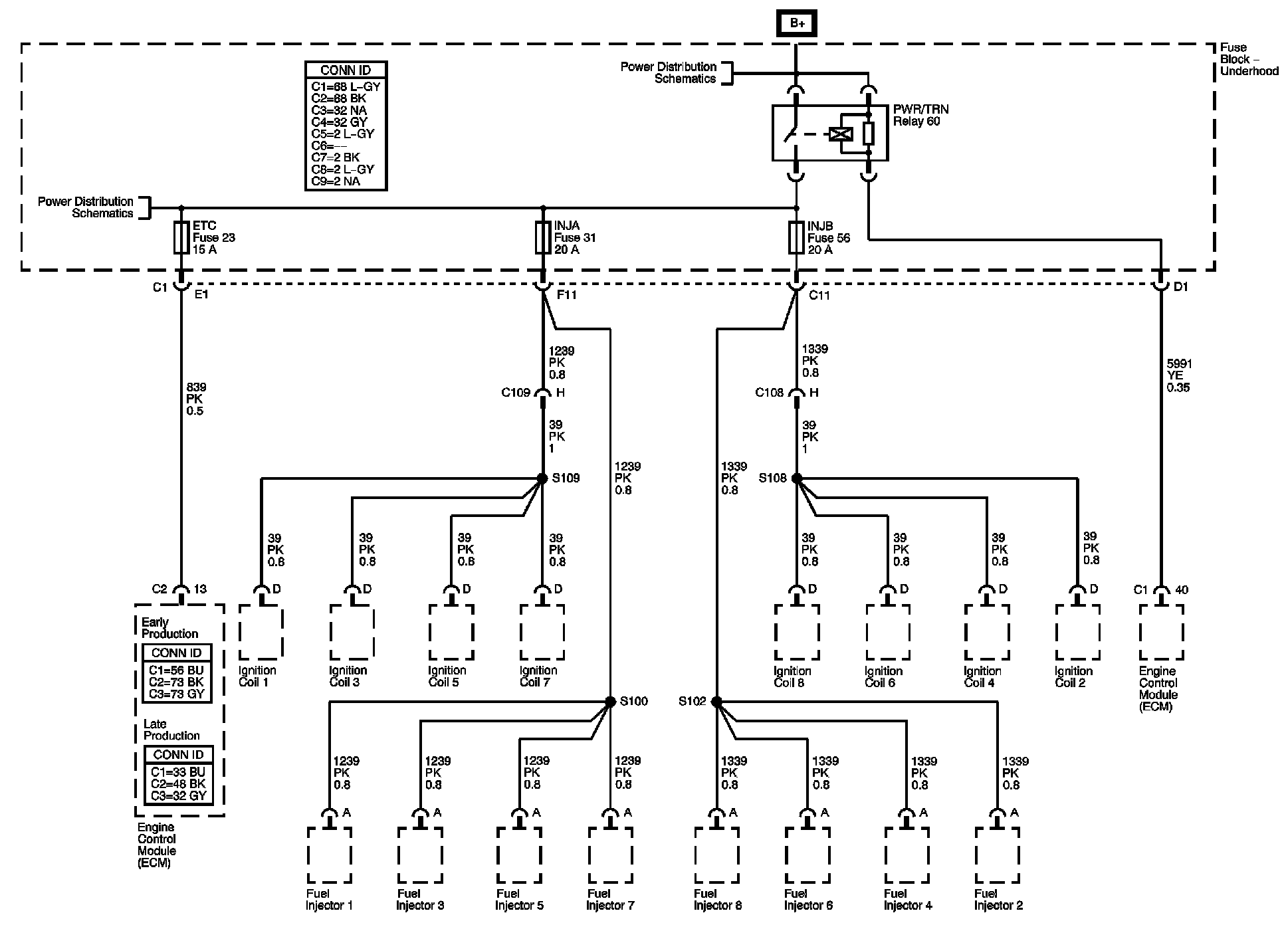
Ignition Controls - Ignition Coils 1, 3, 5, and 7







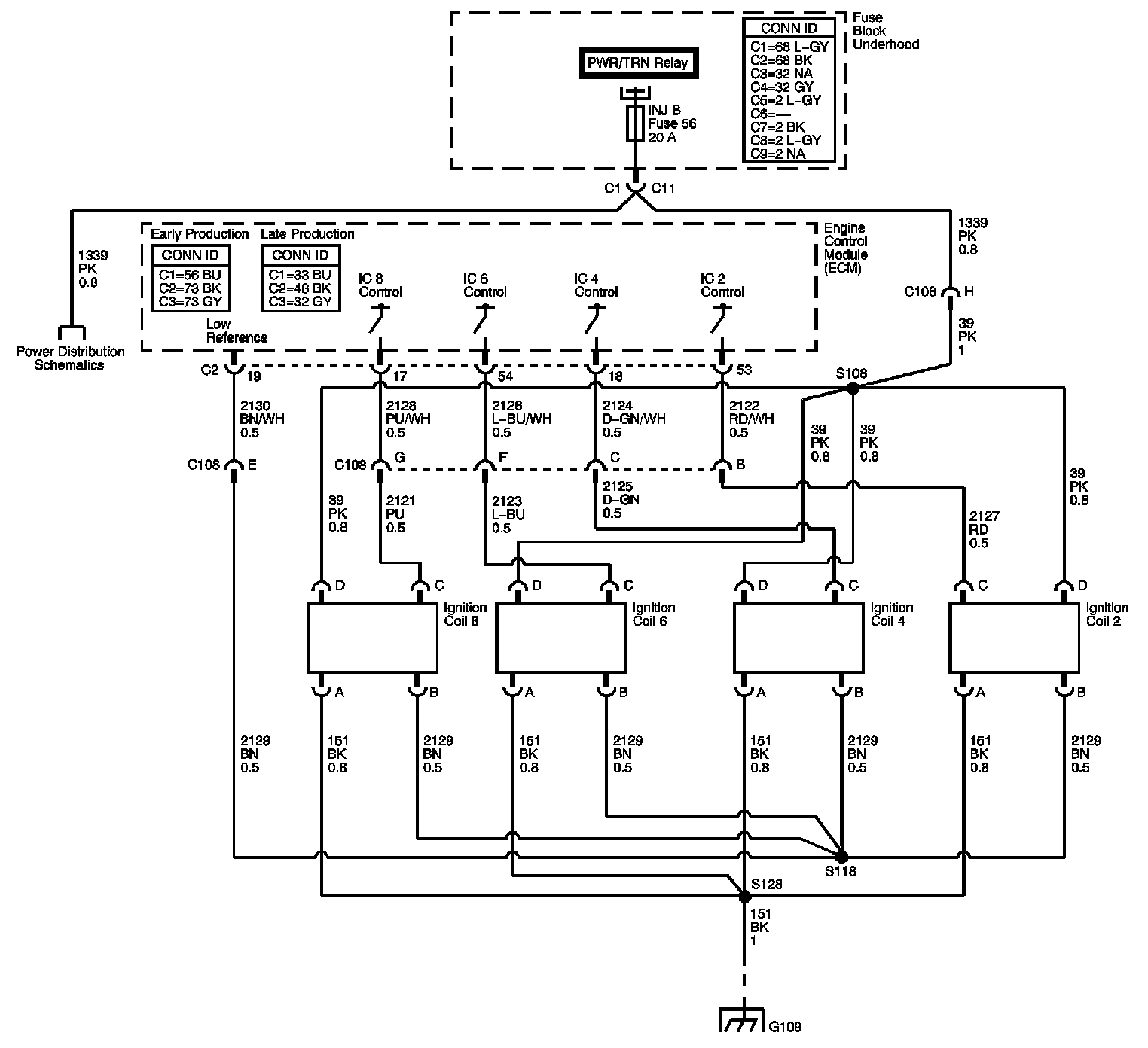
Ignition Controls - Ignition Coils 2, 4, 6, and 8







Ignition Controls - Sensors and DOD Controls







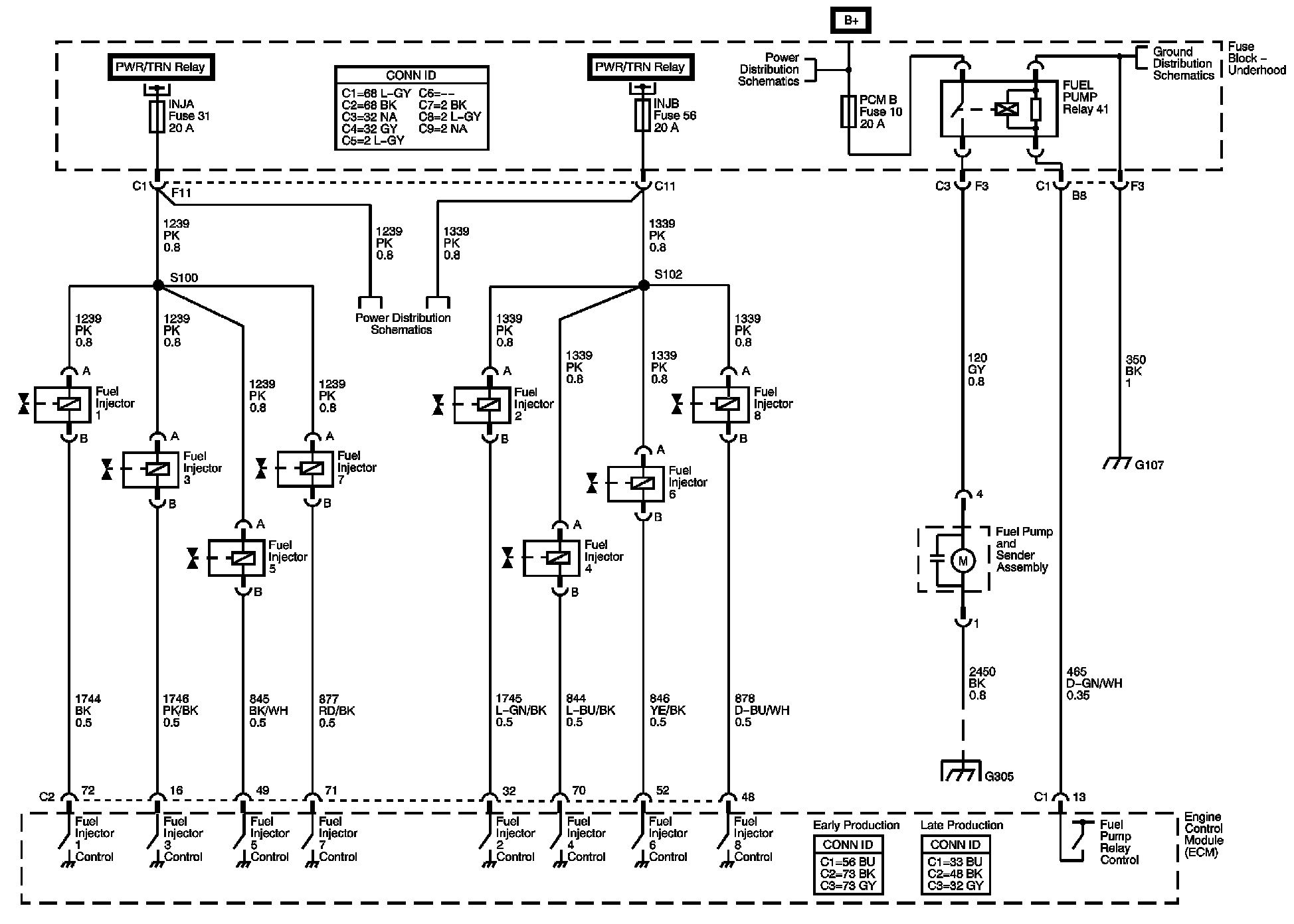
Fuel Controls - Fuel Pump and Fuel Injectors







Fuel Controls - EVAP Controls







Controlled/Monitored Subsystem References







Locations: The locations for the Connectors, Grounds, Splices, and Grommets shown within these diagrams can be found via their numbers at Vehicle Locations. Locations