Operation CHARM: Car repair manuals for everyone.
Manuals through 2025 now available!

Our trusted friends have launched a new website named LEMON, which has newer manuals. It also contains all the CHARM manuals.

LEMON is the spiritual successor to CHARM, I recommend you try it!

Link: lemon-manuals.la or lemon-manuals.org.ua

(Some people have issue connecting. LEMON is investigating. For now, use Firefox or change your DNS server)

Or, hide this message: temporarily or permanently

Powertrain Management: Locations



Engine Controls Component Views

Engine Control Module (ECM)




1 - Engine Control Module (ECM)
2 - Engine Control Module (ECM) C3
3 - Engine Control Module (ECM) C2
4 - Engine Control Module (ECM) C1

Camshaft Position (CMP) Sensor




1 - Camshaft Position (CMP) Sensor
2 - C110

Upper Left Side of the Engine




1 - Fuel Injector 1
2 - Evaporative Emission (EVAP) Canister Purge Solenoid
3 - Fuel Injector 3
4 - Manifold Absolute Pressure (MAP) Sensor
5 - Fuel Injector 5
6 - Fuel Injector 7
7 - Engine
8 - Ignition Coil 7
9 - Ignition Coil 5
10 - Ignition Coil Harness
11 - C109
12 - Ignition Coil 3
13 - Ignition Coil 1

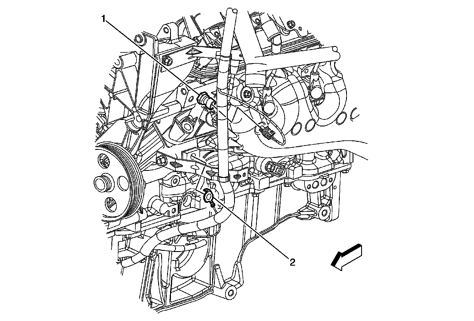
Left Side of Engine - Front




1 - Engine Coolant Temperature (ECT) Sensor
2 - G108

Lower Left Side of Engine - Rear




1 - G108
2 - Knock Sensor (KS) 1 - Left
3 - Engine
4 - G107
5 - Engine Harness

Upper Right Side of the Engine




1 - Engine
2 - Fuel Injector 8
3 - Fuel Injector 6
4 - Fuel Injector 4
5 - Fuel Injector 2
6 - Throttle Body
7 - Ignition Coil 2
8 - Ignition Coil 4
9 - Ignition Coil Harness
10 - C108
11 - Ignition Coil 6
12 - Ignition Coil 8

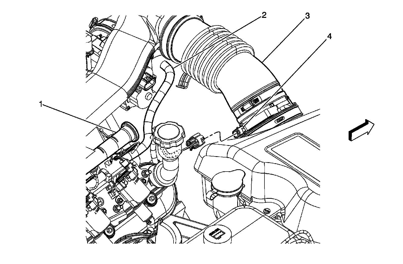
Upper Right Side of the Engine - Front




1 - Engine
2 - Engine Harness
3 - Air Duct
4 - Mass Air Flow (MAF)/Intake Air Temperature (IAT) Sensor

Lower Right Side of the Engine - Rear




1 - Crankshaft Position (CKP) Sensor
2 - Knock Sensor (KS) 2 - Right
3 - Engine Harness
4 - Starter
5 - Engine

Rear of the Engine




1 - Engine
2 - Engine Harness
3 - Engine Oil Pressure (EOP) Sensor Connector
4 - Valve Lifter Oil Manifold (VLOM) Assembly
5 - Heated Oxygen Sensor (HO2S) Bank 2 Sensor 1 Connector
6 - Transmission
7 - Heated Oxygen Sensor (HO2S) Bank 1 Sensor 1 Connector

Below Rear of the Engine




1 - Heated Oxygen Sensor (HO2S) Bank 2 Sensor 2
2 - Heated Oxygen Sensor (HO2S) Bank 2 Sensor 1
3 - Heated Oxygen Sensor (HO2S) Bank 1 Sensor 2
4 - Heated Oxygen Sensor (HO2S) Bank 1 Sensor 1

Power Brake Booster




1 - Brake Booster Vacuum Sensor
2 - Engine Harness
3 - Power Brake Booster

Accelerator and Brake Pedals




1 - Instrument Panel Harness
2 - Accelerator Pedal Position (APP) Sensor
3 - Accelerator Pedal
4 - Brake Pedal
5 - Stop Lamp Switch

Fuel Tank




1 - Fuel Tank Pressue (FTP) Sensor
2 - Fuel Pump and Sender Assembly
3 - Chassis Harness
4 - Fuel Tank
5 - Evaporative Emission (EVAP) Canister Vent Solenoid