Operation CHARM: Car repair manuals for everyone.
Manuals through 2025 now available!

Our trusted friends have launched a new website named LEMON, which has newer manuals. It also contains all the CHARM manuals.

LEMON is the spiritual successor to CHARM, I recommend you try it!

Link: lemon-manuals.la or lemon-manuals.org.ua

(Some people have issue connecting. LEMON is investigating. For now, use Firefox or change your DNS server)

Or, hide this message: temporarily or permanently

Battery Replacement



Battery Replacement

Removal Procedure




1. Disconnect the negative battery cable.
2. Loosen the positive battery cable bolt.
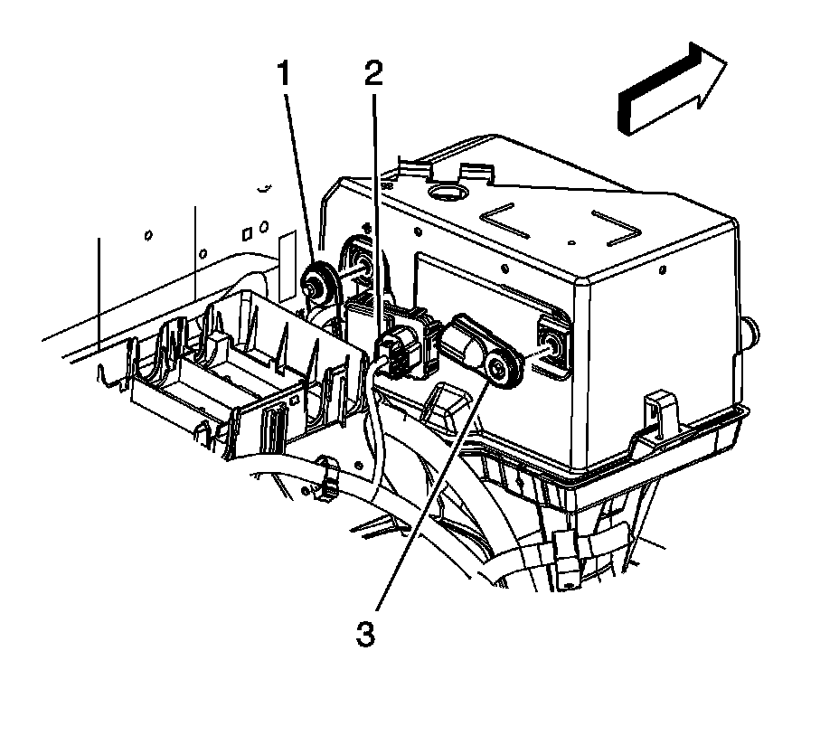
3. Remove the positive battery cable (1) from the battery.




4. Remove the coolant heater cord retainers (1) from the battery cover, if equipped.




5. Remove the battery air duct from the battery cover.




6. Remove the battery tray brace bolts/nut.




7. Remove the battery cover.




8. Remove the battery hold down nut (3), retainer (1), and washer.
9. Remove the battery.

Installation Procedure




1. Install the battery.

Notice: Refer to Fastener Notice.

2. Install the battery hold down retainer (1), nut (3), and washer.

Tighten the nut to 15 N.m (11 lb ft).




3. Install the battery cover.




4. Install the battery tray brace bolts/nut.

Tighten the bolts/nut to 10 N.m (89 lb in).




5. Install the battery air duct to the battery cover.




6. Install the coolant heater cord retainers (1) to the battery cover, if equipped.




7. Position the positive battery cable (1) to the battery.
8. Tighten the positive battery cable bolt.

Tighten the bolt to 15 N.m (11 lb ft).

9. Connect the negative battery cable.