Operation CHARM: Car repair manuals for everyone.
Manuals through 2025 now available!

Our trusted friends have launched a new website named LEMON, which has newer manuals. It also contains all the CHARM manuals.

LEMON is the spiritual successor to CHARM, I recommend you try it!

Link: lemon-manuals.la or lemon-manuals.org.ua

(Some people have issue connecting. LEMON is investigating. For now, use Firefox or change your DNS server)

Or, hide this message: temporarily or permanently

Electrical Diagrams



Engine Controls Schematics

Module Power, Ground, Serial Data, and MIL






5V and Low Reference Bus (1 of 2)






5V and Low Reference Bus (2 of 2)






Engine Data Sensors - Pressure, Temperature, and Throttle Controls






Engine Data Sensors - Oxygen Sensors






Ignition Controls - Bank 1 Ignition System






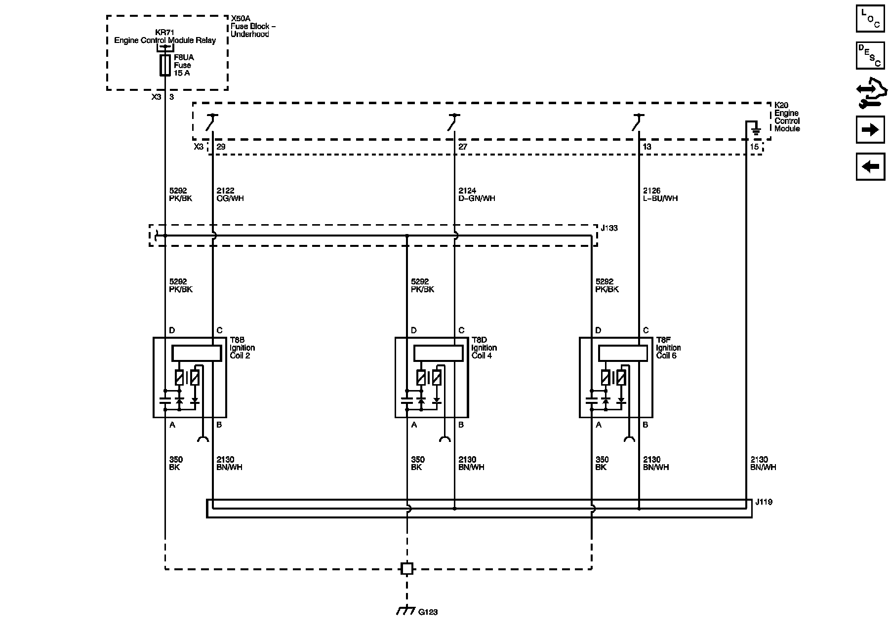
Ignition Controls - Bank 2 Ignition System






Ignition Controls - CKP/CMP/KS Sensors and CMP Actuator Solenoids






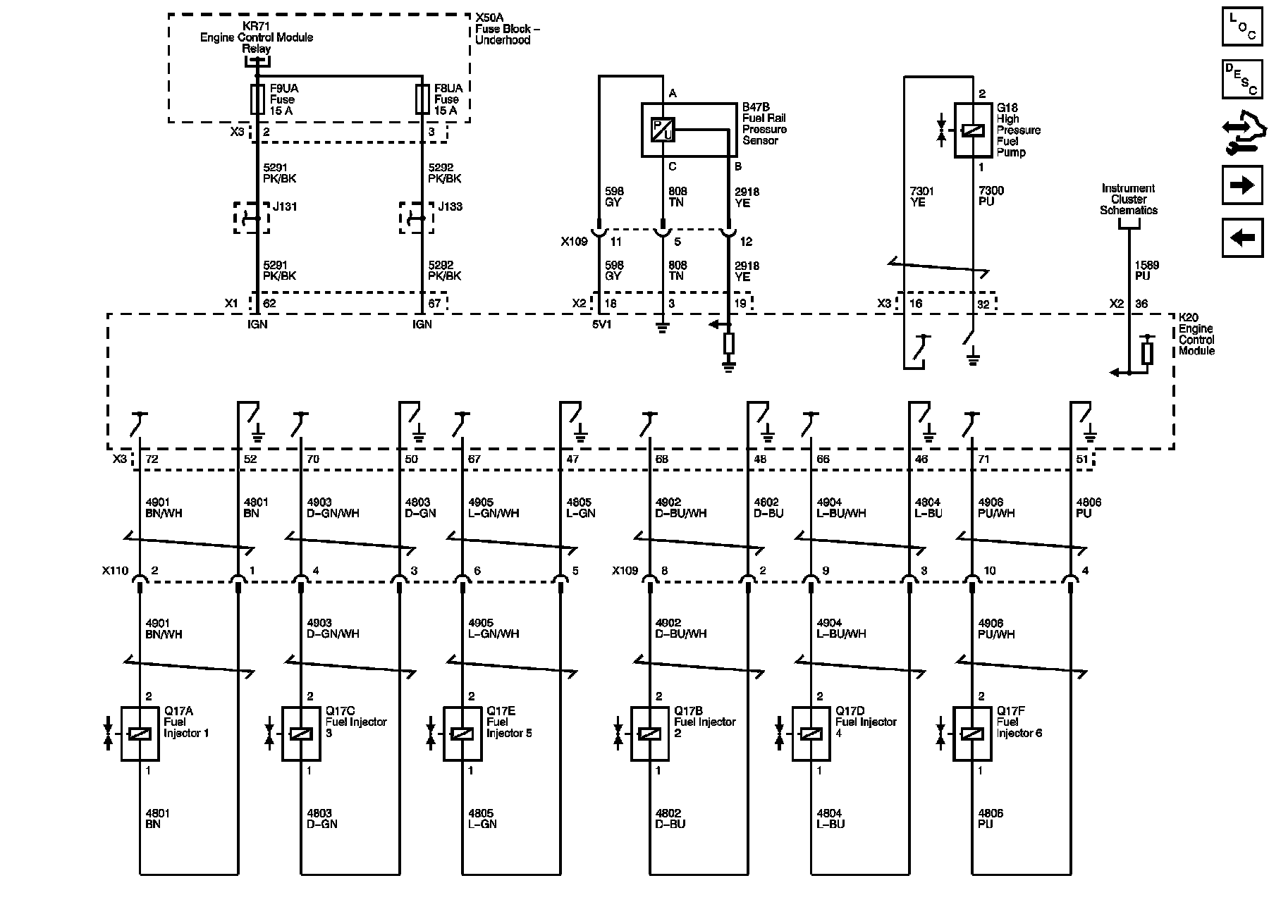
Fuel Controls - Fuel Injectors






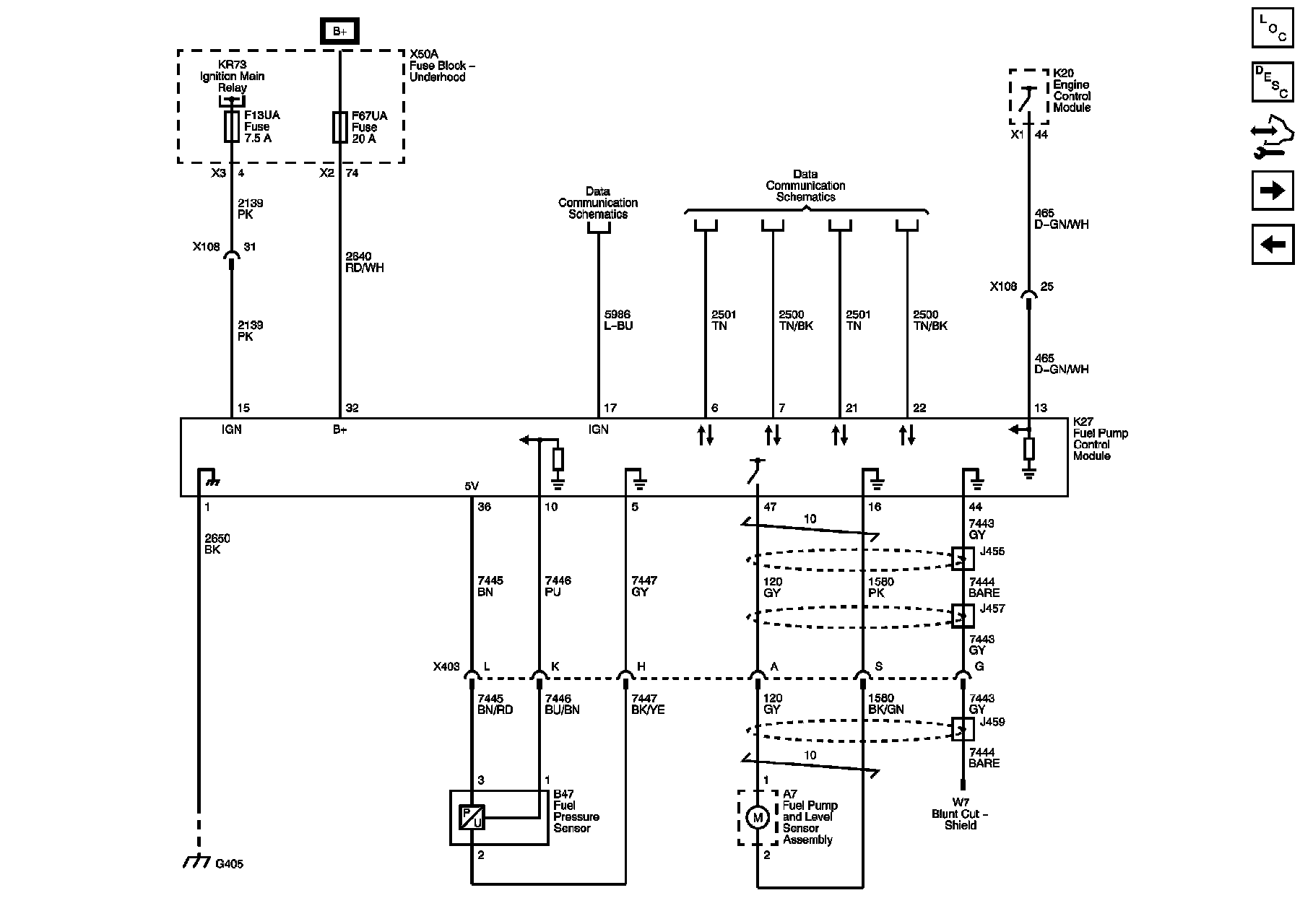
Fuel Controls - Fuel Pump Flow Control






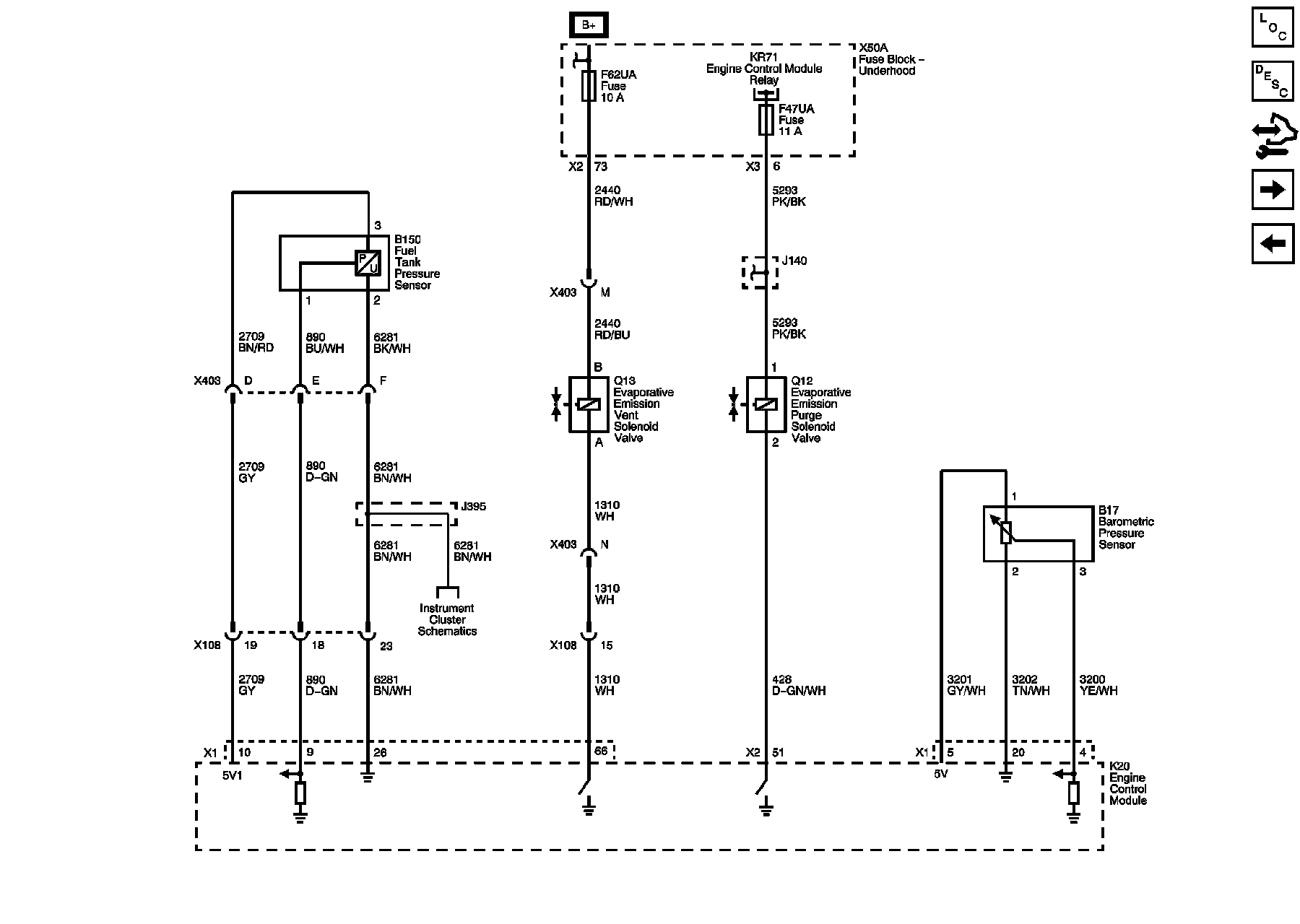
Fuel Controls - EVAP Controls






Subsystem References