Operation CHARM: Car repair manuals for everyone.
Manuals through 2025 now available!

Our trusted friends have launched a new website named LEMON, which has newer manuals. It also contains all the CHARM manuals.

LEMON is the spiritual successor to CHARM, I recommend you try it!

Link: lemon-manuals.la or lemon-manuals.org.ua

(Some people have issue connecting. LEMON is investigating. For now, use Firefox or change your DNS server)

Or, hide this message: temporarily or permanently

Electrical Diagrams



Engine Controls Schematics

Power, Ground, MIL and DLC






Engine Data Sensors - 5V Reference Bussing






Engine Data Sensors - Pressure, Temp and MAF/IAT






Engine Data Sensors - HO2S






Engine Data Sensors - APP and Throttle Body Assembly






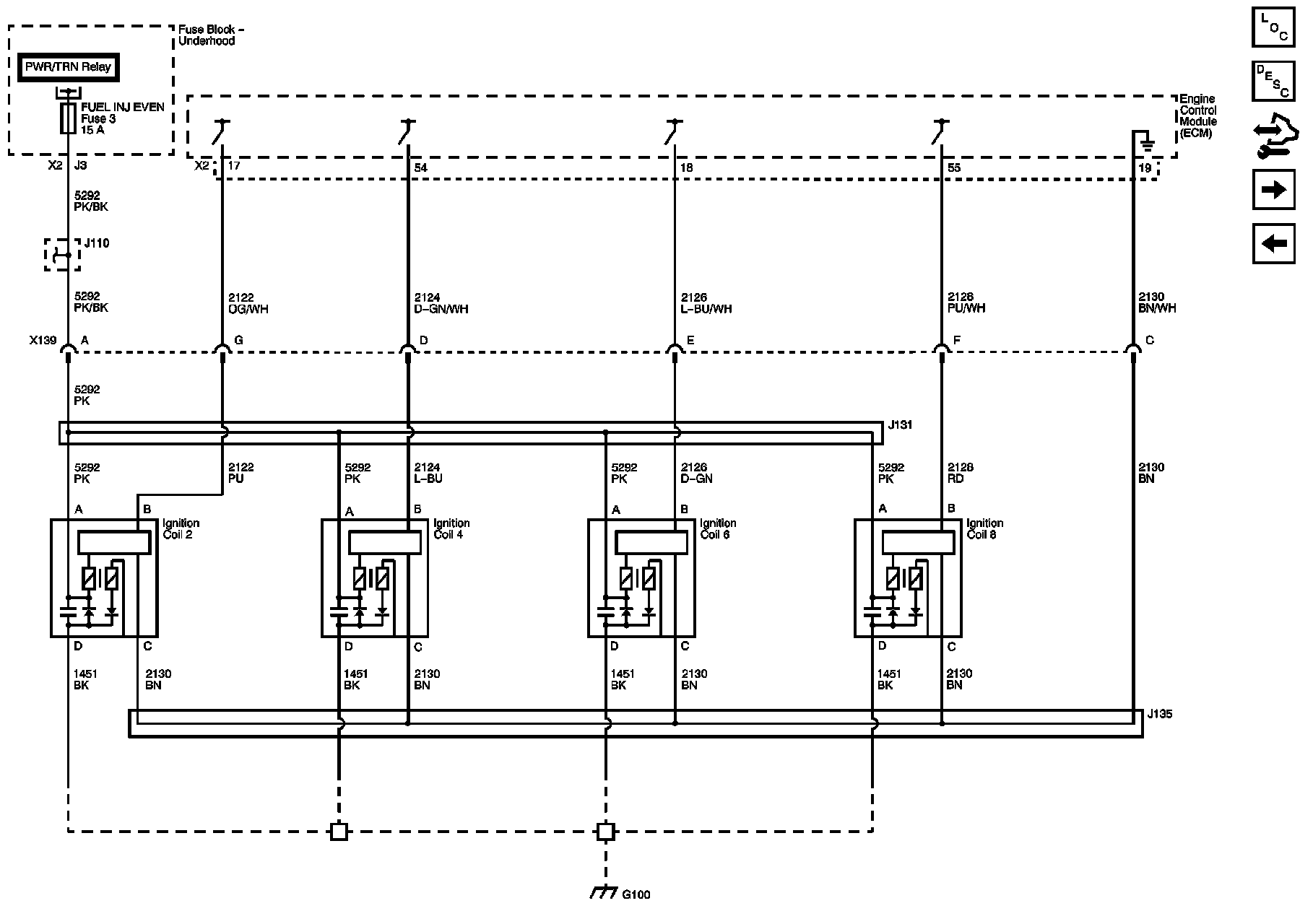
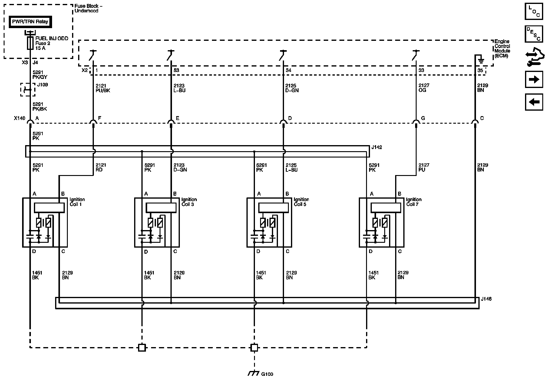
Ignition Controls 1 of 2






Ignition Controls 2 of 2






Fuel Controls






CKP, CMP, Knock Sensors






EVAP Controls, FTP Sensor






EGR, Secondary Air Injection (AIR)






Controlled and Monitored Subsystem References