Operation CHARM: Car repair manuals for everyone.
Manuals through 2025 now available!

Our trusted friends have launched a new website named LEMON, which has newer manuals. It also contains all the CHARM manuals.

LEMON is the spiritual successor to CHARM, I recommend you try it!

Link: lemon-manuals.la or lemon-manuals.org.ua

(Some people have issue connecting. LEMON is investigating. For now, use Firefox or change your DNS server)

Or, hide this message: temporarily or permanently

Timing Chain: Service and Repair

Timing Chain and Sprockets Replacement

Tools Required
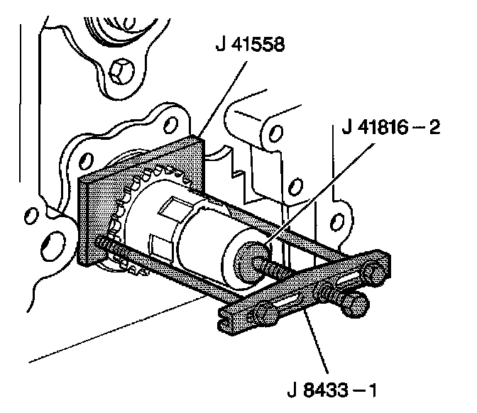
- J8433 Two Jaw Puller
- J41816-2 Crankshaft End Protector
- J41558 Crankshaft Sprocket Remover
- J41665 Crankshaft Balancer and Sprocket Installer

Removal Procedure
1. Remove the oil pump.
2. Rotate the crankshaft until the timing marks on the crankshaft and the camshaft sprockets are aligned.

Notice: Do not turn the crankshaft assembly after the timing chain has been removed in order to prevent damage to the piston assemblies or the valves.







3. Remove the camshaft sprocket bolts.
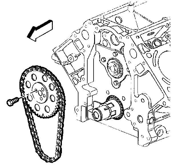
4. Remove the camshaft sprocket and timing chain.







5. Use the J8433, the J41816-2 and the J41558 in order to remove the crankshaft sprocket.







6. Remove the crankshaft sprocket.







7. Remove the crankshaft sprocket key, if required.
8. If required, clean and inspect the timing chain and sprockets.



Installation Procedure







1. Install the key into the crankshaft keyway, if previously removed.







2. Tap the key (1) into the keyway until both ends of the key bottom onto the crankshaft.







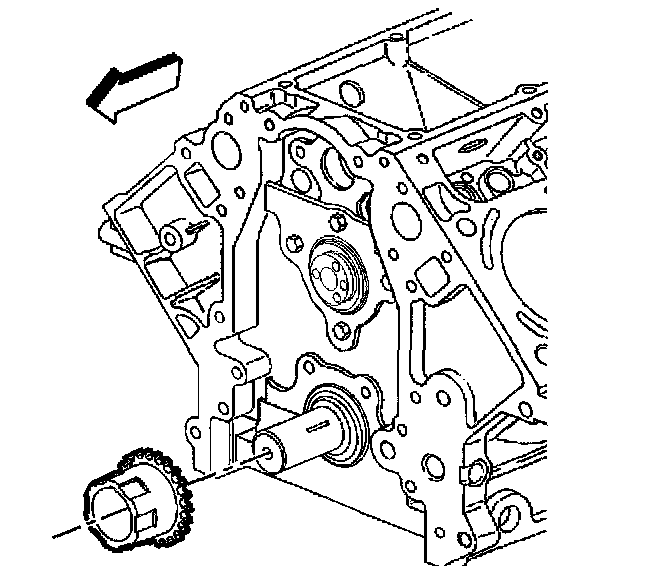
3. Install the crankshaft sprocket onto the front of the crankshaft. Align the crankshaft key with the crankshaft sprocket keyway.







4. Use the J41665 in order to install the crankshaft sprocket.
Install the sprocket onto the crankshaft until fully seated against the crankshaft flange.

5. Rotate the crankshaft sprocket until the alignment mark is in the 12 o'clock position.

Important: Properly locate the camshaft sprocket locating pin with the camshaft sprocket alignment hole.
The sprocket teeth and timing chain must mesh.
The camshaft and the crankshaft sprocket alignment marks MUST be aligned properly.
Locate the camshaft sprocket alignment mark in the 6 o'clock position.







6. Install the camshaft sprocket and timing chain.







7. If necessary, rotate the camshaft or crankshaft sprockets in order to align the timing marks.

Notice: Refer to Fastener Notice in Service Precautions.
Fastener Notice


8. Install the camshaft sprocket bolts.
Tighten the bolts to 35 Nm (26 ft. lbs.).


9. Install the oil pump.