Operation CHARM: Car repair manuals for everyone.
Manuals through 2025 now available!

Our trusted friends have launched a new website named LEMON, which has newer manuals. It also contains all the CHARM manuals.

LEMON is the spiritual successor to CHARM, I recommend you try it!

Link: lemon-manuals.la or lemon-manuals.org.ua

(Some people have issue connecting. LEMON is investigating. For now, use Firefox or change your DNS server)

Or, hide this message: temporarily or permanently

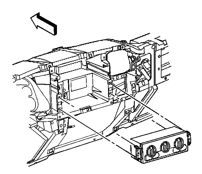
HVAC Control Module

REMOVAL PROCEDURE
1. Remove the instrument cluster trim plate bezel.
2. Remove the instrument panel storage tray.
3. Remove the accessory switch assembly from the instrument panel.
4. Remove the screws from the HVAC control assembly.




5. Remove the HVAC control assembly, with the following procedure:
5.1. Release the retaining tabs.
5.2. Pull the control head out of the instrument panel carrier.
6. Disconnect the electrical connectors from the HVAC control assembly.

INSTALLATION PROCEDURE




1. Connect the electrical connectors to the HVAC control assembly.

IMPORTANT: The Key should be in the off position when connecting the electrical connectors to ensure proper calibration.

2. Install the HVAC control assembly.
3. Install the accessory switch assembly to the instrument panel.
4. Install the screws from the HVAC control assembly.

NOTE: Refer to Fastener Notice in Service Precautions.

Tighten
Tighten the screws to 1.9 N.m (17 lb in).

5. Install the instrument panel storage tray.
6. Install the instrument cluster trim plate bezel.
7. Start the vehicle and let run for one minute

IMPORTANT: Do not adjust any controls on the HVAC control module while the HVAC control module is calibrating. If interrupted improper HVAC performance will result.