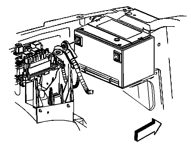
Battery Replacement
REMOVAL PROCEDURECAUTION: Refer to Battery Disconnect Caution in Service Precautions.
1. Disconnect the negative battery cable.
2. Unsnap the positive battery cable cap.
3. Disconnect the positive battery cable.
4. Remove the front end diagonal brace bolts and brace.
5. Remove the battery hold down retainer bolt and retainer.
6. Remove the battery.
7. Remove the battery insulator, if necessary.
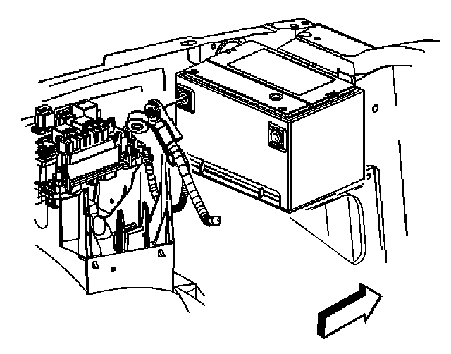
INSTALLATION PROCEDURE
1. Install the battery insulator, if necessary.
2. Install the battery.
NOTE: Refer to Fastener Notice in Service Precautions.
3. Install the battery hold down retainer and bolt.
Tighten
Tighten the bolt to 25 N.m (18 lb ft).
4. Install the front end diagonal brace and bolts.
Tighten
Tighten the bolts to 9 N.m (80 lb in).
5. Connect the positive battery cable.
Tighten
Tighten the bolt to 17 N.m (13 lb ft).
6. Snap the positive battery cable cap closed.
7. Connect the negative battery cable.