Operation CHARM: Car repair manuals for everyone.
Manuals through 2025 now available!

Our trusted friends have launched a new website named LEMON, which has newer manuals. It also contains all the CHARM manuals.

LEMON is the spiritual successor to CHARM, I recommend you try it!

Link: lemon-manuals.la or lemon-manuals.org.ua

(Some people have issue connecting. LEMON is investigating. For now, use Firefox or change your DNS server)

Or, hide this message: temporarily or permanently

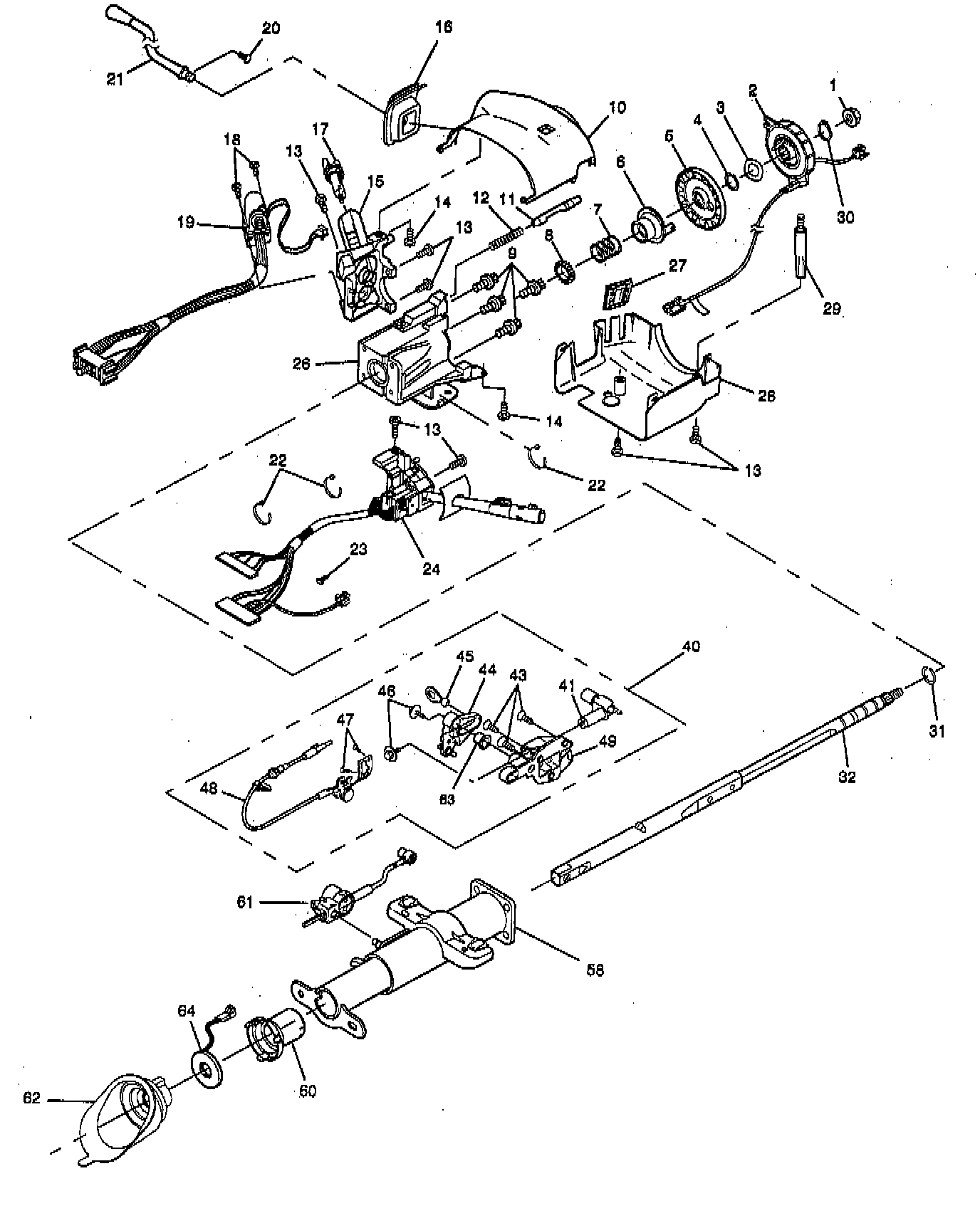
Lock Module Assembly









^ Tools Required:
- J 23653-SIR Lock Plate Compressor
- J 41396 Park Lock Cable Pliers
- Or Equivalents

REMOVE OR DISCONNECT
1. Do removal steps 1 through 4, Refer to Upper Column Housing Components
2. Park lock cable assembly (48) from lock module assembly (15).
- Lock cylinder should be in "OFF-LOCK" position and gear shift in "PARK" position.
- Insert small blade screwdriver into slot in module assembly (15). Push against locking tab on end of cable assembly (48) and remove.

Removing Alarm Switch:





3. Key alarm switch from module assembly (15).
- Gently pry retaining clip on alarm switch with small blade screwdriver.
- Rotate alarm switch 1/4 turn and remove.
4. Two tapping screws (18).
5. Ignition & key alarm switch assembly (19).
- Let switch (19) hang freely.

CAUTION: Lock bolt assembly (11) is under slight spring tension from lock bolt spring (12). Hold lock bolt (11) in place while removing lock module assembly (15).

6. Three pan head tapping screws (13).
7. Lock module assembly (15).
8. Lock bolt assembly (11) with lock bolt spring (12).
- Spring (12) from lock bolt (11).
9. Steering column lock cylinder set (17).
- Turn lock cylinder (17) to "RUN" position.
- Insert small blade screwdriver into hole on top of module assembly (15). Push against locking button and remove lock cylinder (17).

INSTALL OR CONNECT

CAUTION: Always use the correct fastener In the proper location. When you replace a fastener, use ONLY the exact part number for that application. The manufacturer will call out those fasteners that require a replacement after removal. The manufacturer will also call out the fasteners that require thread lockers or thread sealant. UNLESS OTHERWISE SPECIFIED, do not use supplemental coatings (paints, greases, or other corrosion Inhibitors) on threaded fasteners or fastener pint Interfaces. Generally, such coatings adversely affect the fastener torque and pint clamping force, and may damage the fastener. When you install fasteners, use the correct tightening sequence and specifications. Following these Instructions can help you avoid damage to parts and systems. Failure to do so may result in component damage or malfunction of steering column.

1. Steering column lock cylinder set (17).
- Key installed in lock cylinder (17).

Sector Alignment Procedure:




Sector And Lock Cylinder Alignment:





- Ensure sector is in "RUN" position.
- Line up locking tab with slot in lock module assembly (15) and push into position.
- Turn lock cylinder (17) to "LOCK" position.
2. Lock bolt assembly (11) with lock bolt spring (12).

Removing Lock Module Assembly:





- Ensure cut out in lock-bolt (11) is in the 6 o'clock position.
3. Lock module assembly (15).
- Push lockbolt (11) into-steering column housing assembly (26) until flush.
- Align lock module assembly (15) with housing assembly (26) and install.
4. Three pan head tapping screws (13).
- Tighten screws (13) to 6.0 Nm (53 lb in).
5. Ignition & key alarm switch assembly (19).
6. Two tapping screws (18).
- Tighten screws (18) to 1.4 Nm (12 lb in).
7. Alarm switch to module assembly (15).
a. Switch with retaining clip parallel to lock cylinder (17).
b. Rotate switch 1/4 turn until locked into place.

Removing Linear Shift Assembly:





8. Park lock cable assembly (48) to module assembly (15).
- Lock cylinder should be in "OFF-LOCK" position and gear shift in "PARK" position.
- Locking tab on end of cable (48) to slot in module assembly (15).

Adjusting Electrical (BTSI) Actuator:





Adjust
- Park lock cable assembly (48).
a. Gear shift lever installed and in "PARK" position.
b. Ignition in "OFF-LOCK" position and remove key.

Unlocking Adjuster Ring On Park Lock Cable:





c. Unlock adjuster ring on cable assembly (48) with tool J 41396.
d. Pull on cable until park lock latch contacts gear shift lever.
- Release the cable.

Park Lock Cable Locking Adjuster Ring:





e. Lock adjuster ring securely in place on cable assembly (48) with tool J 41396.

Inspect
- Park lock cable assembly (48).
a. With lock cylinder in "OFF-LOCK" position, gear shift lever should not be able to shift out of "PARK" position.
b. Insert key and turn to "RUN" position.
c. Shifter in "NEUTRAL" position.
d. With gear shift in "NEUTRAL" position, lock cylinder should not be able to go into "OFF-LOCK" position;
e. Shifter in "PARK" position.
f. Lock cylinder in "OFF-LOCK" position and remove key.

9. Do installation steps 3 through 6, Refer to Upper Column Housing Components.