Operation CHARM: Car repair manuals for everyone.
Manuals through 2025 now available!

Our trusted friends have launched a new website named LEMON, which has newer manuals. It also contains all the CHARM manuals.

LEMON is the spiritual successor to CHARM, I recommend you try it!

Link: lemon-manuals.la or lemon-manuals.org.ua

(Some people have issue connecting. LEMON is investigating. For now, use Firefox or change your DNS server)

Or, hide this message: temporarily or permanently

Condenser HVAC: Service and Repair












Remove or Disconnect

1. Recover refrigerant. Refer to Refrigerant Recovery and Recycling Adding Oil, Evacuating and Recharging Procedures.
2. Air intake duct.
3. Air cleaner.
4. Upper radiator shroud.
5. Raise and suitably support vehicle.
6. Hose (7) at condenser (3).
^ Discard O-ring (17).
7. Lower vehicle.
8. Receiver and dehydrator tube.
9. Radiator air upper baffle from condenser, if necessary.
10. Condenser (3) from radiator (47).
^ Disconnect retaining tangs from grooves.

Install or Connect

1. Condenser (3) to radiator (47).
^ Retaining tangs must be fully seated in groove.

Important

^ If a retaining groove breaks, install the condenser finger to locate and drill a small hole into the existing boss. Use appropriate screw to fasten finger to the tab. Do not puncture radiator coolant tank when doing this procedure.

2. Radiator air upper baffle to condenser, if removed.
3. Receiver and dehydrator tube.
4. Raise and suitably support vehicle.
5. Clean hose fitting and condenser fitting with mineral base 525 viscosity refrigerant oil.
^ Do not allow refrigerant oil to enter A/C system.
6. O-ring (17) to hose (7).
^ Lightly coat O-ring with mineral base 525 viscosity refrigerant oil.
7. Hose (7) to condenser (3).

Tighten

^ Hose fitting to 27 N.m (20 lb. ft.).

8. Lower vehicle.
9. Upper radiator shroud.
10. Air cleaner.
11. Air intake duct.
12. Charge A/C system. Refer to "Refrigerant Recovery and Recycling, Adding Oil, Evacuating and Recharging Procedures."
13. Leak-test fittings. Refer to "Leak-Testing the Refrigeration System."

Image Legend (Vin K)

1 MODULE, HEATER AND AIR CONDITIONING EVAPORATOR

2 COMPRESSOR, AIR CONDITIONING

3 CONDENSER, AIR CONDITIONING

4 ACCUMULATOR, AIR CONDITIONING

6 EVAPORATOR, AIR CONDITIONING

7 HOSE, AIR CONDITIONING COMPRESSOR AND CONDENSER

8 HOSE, ACCUMULATOR

9 TUBE, AIR CONDITIONING EVAPORATOR

10 BRACKET, AIR CONDITIONING ACCUMULATOR

11 BOLT/SCREW, AIR CONDITIONING ACCUMULATOR CLAMP

12 BOLT/SCREW, AIR CONDITIONING ACCUMULATOR BRACKET

13 O-RING, AIR CONDITIONING EVAPORATOR TUBE

14 O-RING, AIR CONDITIONING COMPRESSOR AND CONDENSER HOSE

16 O-RING, AIR CONDITIONING ACCUMULATOR HOSE

17 O-RING, AIR CONDITIONING COMPRESSOR AND CONDENSER HOSE

18 SEAL, AIR CONDITIONING COMPRESSOR AND CONDENSER HOSE

20 O-RING, AIR CONDITIONING REFRIGERANT PRESSURE SENSOR

21 VALVE, AIR CONDITIONING REFRIGERANT PRESSURE SENSOR

22 SENSOR, AIR CONDITIONING REFRIGERANT PRESSURE SENSOR

23 CORE, AIR CONDITIONING REFRIGERANT SERVICE VALVE

26 CAP, AIR CONDITIONING REFRIGERANT CHARGE VALVE

27 BOLT/SCREW, AIR CONDITIONING EVAPORATOR TUBE

28 BOLT/SCREW, AIR CONDITIONING COMPRESSOR AND CONDENSER HOSE

33 RETAINER, RADIATOR AIR UPPER BAFFLE

38 BOLT/SCREW, AIR CONDITIONING COMPRESSOR

39 NUT, AIR CONDITIONING COMPRESSOR

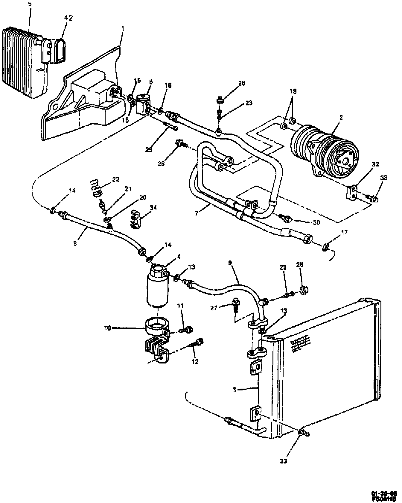
Image Legend (VIN P)

1 MODULE, HEATER AND AIR CONDITIONING EVAPORATOR

2 COMPRESSOR, AIR CONDITIONING

3 CONDENSER, AIR CONDITIONING

4 RECEIVER AND DEHYDRATOR, AIR CONDITIONING

5 EVAPORATOR, AIR CONDITIONING

6 VALVE, AIR CONDITIONING THERMOSTATIC EXPANSION

7 HOSE, AIR CONDITIONING COMPRESSOR AND CONDENSER

8 TUBE, AIR CONDITIONING RECEIVED DEHYDRATOR

9 TUBE, AIR CONDITIONING RECEIVER DEHYDRATOR

10 BRACKET, AIR CONDITIONING RECEIVER DEHYDRATOR

11 BOLT/SCREW, AIR CONDITIONING RECEIVER DEHYDRATOR CLAMP

12 BOLT/SCREW, AIR CONDITIONING RECEIVER DEHYDRATOR BRACKET

13 O-RING, AIR CONDITIONING RECEIVER DEHYDRATOR TUBE

14 O-RING, AIR CONDITIONING EVAPORATOR TUBE

15 SEAL, AIR CONDITIONING EVAPORATOR TUBE

16 SEAL, AIR CONDITIONING COMPRESSOR AND CONDENSER HOSE

17 O-RING, AIR CONDITIONING CONDENSER FITTING

18 SEAL, AIR CONDITIONING COMPRESSOR HOSE

20 O-RING, AIR CONDITIONING REFRIGERANT PRESSURE SENSOR

21 VALVE, AIR CONDITIONING REFRIGERANT PRESSURE SENSOR

22 SENSOR, AIR CONDITIONING REFRIGERANT PRESSURE

23 CORE, AIR CONDITIONING REFRIGERANT SERVICE VALVE

26 GAP, AIR CONDITIONING REFRIGERANT CHARGE VALVE

27 BOLT/SCREW, AIR CONDITIONING RECEIVER DEHYDRATOR TUBE

28 BOLT/SCREW, AIR CONDITIONING COMPRESSOR AND CONDENSER HOSE

29 BOLT/SCREW, AIR CONDITIONING THERMOSTATIC EXPANSION VALVE

30 BOLT/SCREW, AIR CONDITIONING COMPRESSOR AND CONDENSER HOSE CLIP BRACKET

32 BRACKET, AIR CONDITIONING COMPRESSOR HOSE CLIP

33 RETAINER, RADIATOR AIR UPPER BAFFLE

34 STRAP, AIR CONDITIONING COMPRESSOR AND CONDENSER HOSE

38 BOLT/SCREW, AIR CONDITIONING COMPRESSOR

42 GASKET, EVAPORATOR BLOCK