Operation CHARM: Car repair manuals for everyone.
Manuals through 2025 now available!

Our trusted friends have launched a new website named LEMON, which has newer manuals. It also contains all the CHARM manuals.

LEMON is the spiritual successor to CHARM, I recommend you try it!

Link: lemon-manuals.la or lemon-manuals.org.ua

(Some people have issue connecting. LEMON is investigating. For now, use Firefox or change your DNS server)

Or, hide this message: temporarily or permanently

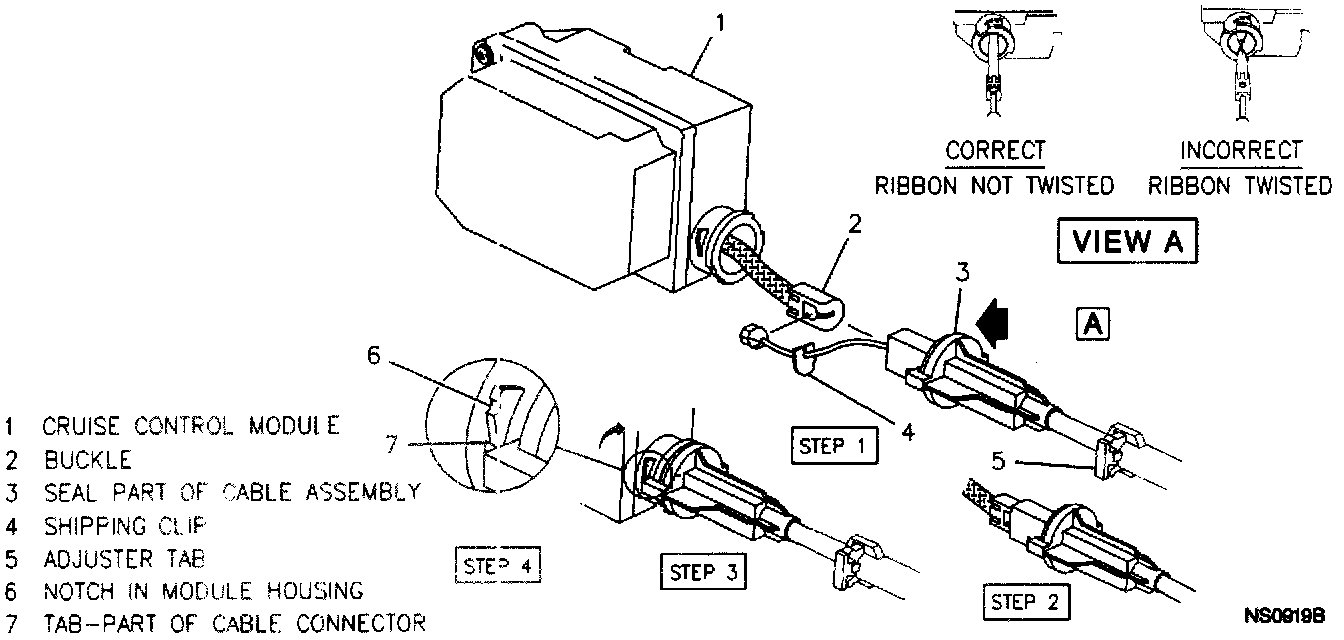
Cruise Control Servo Cable: Service and Repair

Cruise Control Cable Routing:




Accelerator Control Cable Splash Shield:




Cruise Control Cable To Throttle Bracket:




Cruise Control Cable To Module:




Ribbon To Cruise Control Module:





Remove or Disconnect
1. (LN2 ONLY) Accelerator control cable splash shield. (LD9 ONLY) Air Intake duct assembly.
2. Cruise control cable tab from TBI cam. Rotate throttle body cam to 1/4 open throttle to release tab.
3. Push locating fitting inward to release cable and pull from bracket.
4. Cable assembly from module by 1/4 turn counter-clockwise.
5. Cable from ribbon.

Install or Connect
1. Cable to ribbon.
2. Cable assembly to module by 1/4 turn clockwise.
3. Cruise control cable tab to TBI cam.
4. Align cruise control cable fitting to TBI bracket and snap into place.
5. (LN2 ONLY) Accelerator control cable splash shield. (LD9 ONLY) Air intake duct assembly.
6. Adjust cruise control cable.