Operation CHARM: Car repair manuals for everyone.
Manuals through 2025 now available!

Our trusted friends have launched a new website named LEMON, which has newer manuals. It also contains all the CHARM manuals.

LEMON is the spiritual successor to CHARM, I recommend you try it!

Link: lemon-manuals.la or lemon-manuals.org.ua

(Some people have issue connecting. LEMON is investigating. For now, use Firefox or change your DNS server)

Or, hide this message: temporarily or permanently

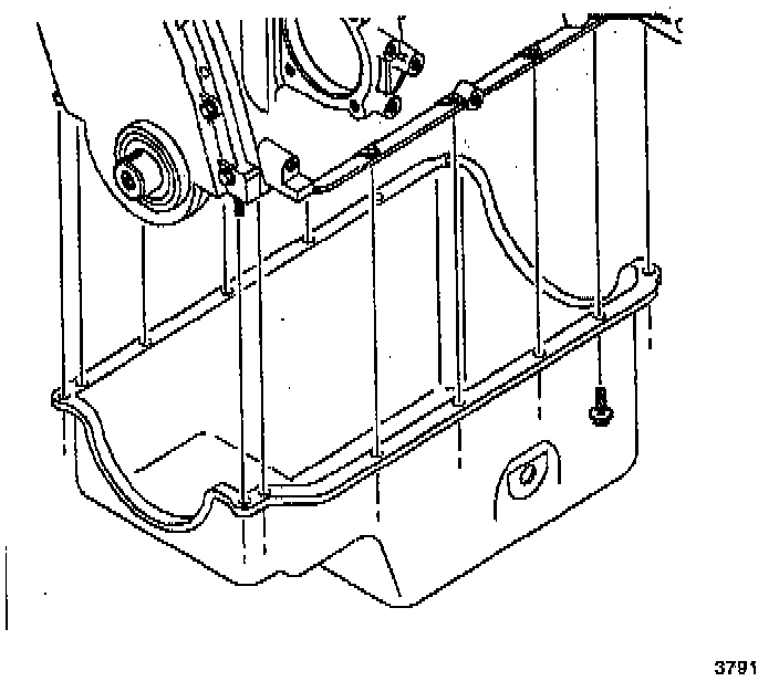
Oil Pan Installation





1. Apply a 2 mm (1/8 inches) diameter bead of GM P/N 1052914 RTV sealer or equivalent to the oil pan side sealing flanges.





2. Apply GM P/N 1052914 RTV sealer or equivalent to the oil pan surface that contacts the engine front cover.





3. Install a new oil pan rear seal.
^ Apply a small amount of GM P/N 1052914 RTV sealer or equivalent to the oil pan rear seal ears.





4. Install the oil pan.





5. Install the oil pan nuts. Tighten the oil pan nuts to 10 Nm (89 inch lbs.).





6. Install the oil pan bolts. Tighten the oil pan bolts to 10 Nm (89 inch lbs.).