Operation CHARM: Car repair manuals for everyone.
Manuals through 2025 now available!

Our trusted friends have launched a new website named LEMON, which has newer manuals. It also contains all the CHARM manuals.

LEMON is the spiritual successor to CHARM, I recommend you try it!

Link: lemon-manuals.la or lemon-manuals.org.ua

(Some people have issue connecting. LEMON is investigating. For now, use Firefox or change your DNS server)

Or, hide this message: temporarily or permanently

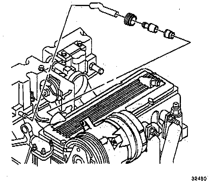
Valve Rocker Arm Cover Installation





1. Clean the sealing surfaces where the cylinder head and the rocker arm cover meet. Use a suitable cleaning solvent.





2. Inspect the sealing flanges of the rocker arm cover for distortion.





3. Install the new rocker arm cover gasket in the groove around the rocker arm cover.





4. Install the rocker arm cover to the cylinder head.
5. Install the rocker arm cover bolts. Tighten the rocker arm cover bolts to 10 Nm (89 inch lbs.).





6. Install the crankcase vent valve (PCV) and pipe assembly.