Operation CHARM: Car repair manuals for everyone.
Manuals through 2025 now available!

Our trusted friends have launched a new website named LEMON, which has newer manuals. It also contains all the CHARM manuals.

LEMON is the spiritual successor to CHARM, I recommend you try it!

Link: lemon-manuals.la or lemon-manuals.org.ua

(Some people have issue connecting. LEMON is investigating. For now, use Firefox or change your DNS server)

Or, hide this message: temporarily or permanently

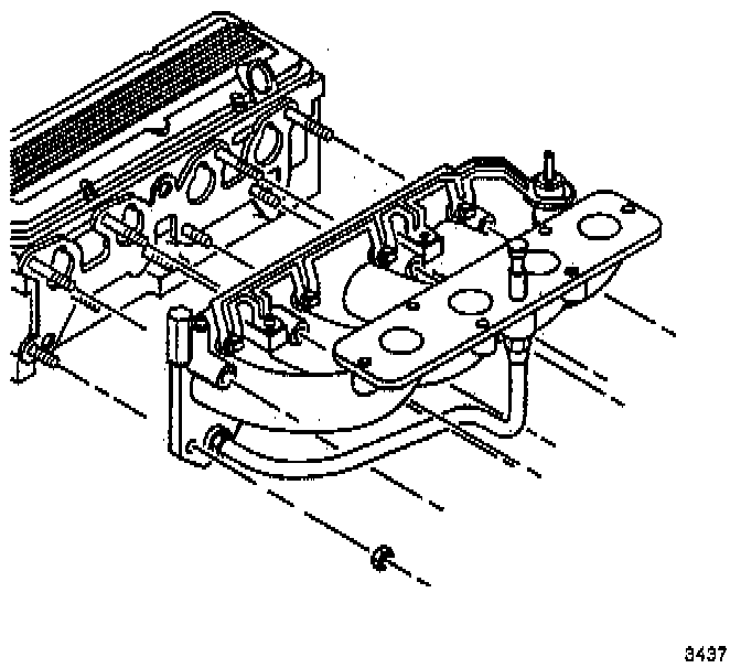
Intake Manifold Removal





1. Remove the throttle cable support bracket.





2. Remove the manifold absolute pressure sensor.
3. Remove the EGR valve.





4. Remove the upper intake manifold bolts.
5. Remove the upper intake manifold.





6. Remove the EGR injector.





7. Remove the fuel injector retainer bracket.





8. Disconnect the fuel pressure regulator from the lower intake manifold.





9. Remove the fuel injectors.





10. Disconnect the fuel pressure connection fitting.





11. Remove the lower intake manifold nuts.
12. Remove the lower intake manifold.





13. Remove the lower intake manifold gasket.
14. Clean the sealing surfaces on the upper and lower intake manifold and on the Cylinder head.