Operation CHARM: Car repair manuals for everyone.
Manuals through 2025 now available!

Our trusted friends have launched a new website named LEMON, which has newer manuals. It also contains all the CHARM manuals.

LEMON is the spiritual successor to CHARM, I recommend you try it!

Link: lemon-manuals.la or lemon-manuals.org.ua

(Some people have issue connecting. LEMON is investigating. For now, use Firefox or change your DNS server)

Or, hide this message: temporarily or permanently

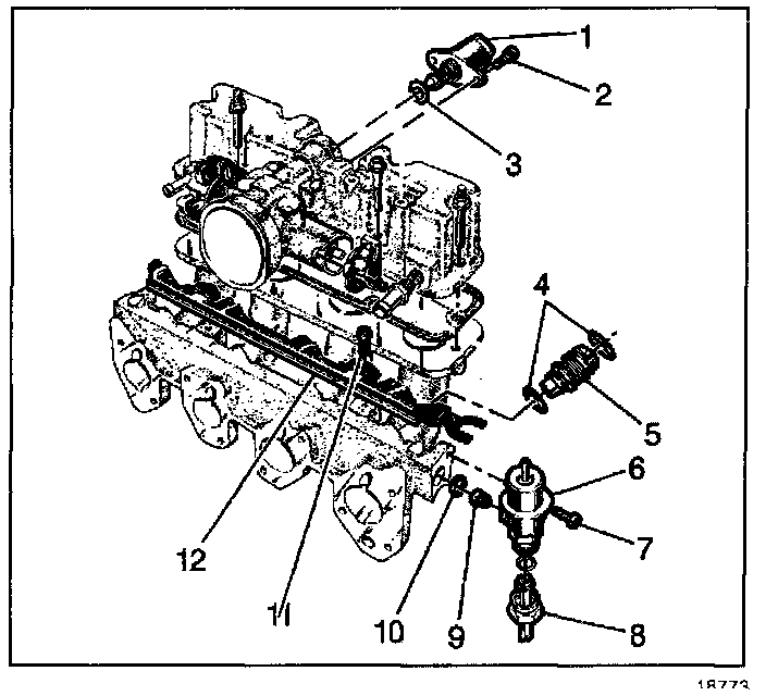
Idle Speed/Throttle Actuator - Electronic: Service and Repair






Removal Procedure

Notice: If the IAC valve has been in service: DO NOT push or pull on the IAC valve pintle. The force required to move the pintle may damage the threads on the worm drive. Also, DO NOT soak the IAC valve in any liquid cleaner or solvent, as damage may result.

1. Remove the IAC valve electrical connector.
2. Remove the IAC valve attaching screws (2).
3. Remove the IAC valve assembly (1).



Installation Procedure

Important:
^ Clean IAC valve O-ring sealing surface, pintle valve seat, and air passage.
^ The IAC valve may be cleaned, using GM cleaner 1052626 or GM X-66A. Use a shop towel or parts cleaning brush to remove heavy deposits.
^ Shiny spots on the pintle or seat are normal, and do not indicate misalignment or a bent pintle shaft.
^ Whenever air passage have heavy deposits, remove throttle body for complete cleaning.
^ Inspect IAC valve O-ring for cuts, cracks, or distortion. Replace if damaged.
^ Whenever installing a new IAC valve, be sure to replace it with an identical part. IAC valve pintle shape and diameter are designed for the specific application.


1. Lubricate IAC valve O-ring (3) with clean engine oil.
2. Install the IAC valve assembly (1).
3. Install the IAC valve attaching screws (2). Tighten the IAC valve attaching screws to 3.0 Nm (27 lb. in.).
4. Connect the electrical connector.






5. Reset IAC valve pintle position:
5.1. Turn ignition switch to the ON position (engine OFF).
5.2. Turn ignition OFF for ten seconds.
5.3. Start engine and check for proper idle operation.
6. Measure the distance between the tip of the IAC valve pintle and mounting flange (1). Whenever the distance is greater than 28 mm, use finger pressure in order to slowly retract the pintle. The force required to retract the pintle of a new valve will not cause damage to the valve.