Operation CHARM: Car repair manuals for everyone.
Manuals through 2025 now available!

Our trusted friends have launched a new website named LEMON, which has newer manuals. It also contains all the CHARM manuals.

LEMON is the spiritual successor to CHARM, I recommend you try it!

Link: lemon-manuals.la or lemon-manuals.org.ua

(Some people have issue connecting. LEMON is investigating. For now, use Firefox or change your DNS server)

Or, hide this message: temporarily or permanently

EVAP System Check

Diagnostic Chart:




Diagnostic Chart:




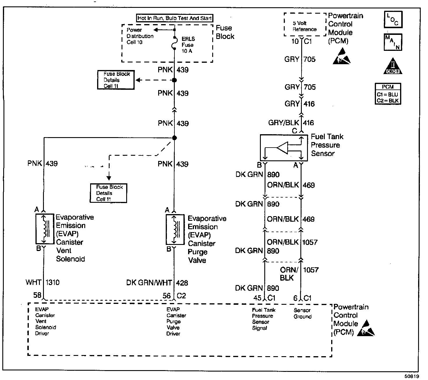
Wiring Diagram:






Visual Check of EVAP Canister

If cracked or damaged, replace canister.

Overview

Diagnosis

^ The EVAP system can be diagnosed by using EVAP Control System Diagnosis.

^ EVAP canister purge valve operation is covered here and diagnosed in DTCs P0440, P0446, and P1441.

^ EVAP vent solenoid operation is covered here and diagnosed in DTCs P0440, P0442, and P0446.

^ Fuel tank pressure sensor operation is covered here and diagnosed in DTCs P0440, P0442, P0446, P1441 and Evaporative Emission System Check.

^ A open or shorted circuit in the EVAP canister purge valve and EVAP vent solenoid can also be diagnosed in PCM Outputs Diagnosis.


Circuit Description

The evaporative emission system is checked by applying vacuum to the EVAP system and monitoring for a vacuum decay. The PCM monitors the vacuum level through the fuel tank vapor pressure sensor signal. At an appropriate time, the EVAP canister purge valve and the EVAP vent solenoid are turned ON, allowing the engine to draw a small vacuum on the entire evaporative emission system. After the desired vacuum level has been achieved, the EVAP canister purge valve is turned OFF, sealing the system. A leak is detected by monitoring for a decrease in vacuum level over a given time period, when all other variables remain constant. A leak, blockage or faulty component in the system will cause a DTC to be set.

Diagnostic Aids

Check for the following conditions:

^ Poor connection at PCM. Inspect harness connectors for the following conditions:

- Backed out terminals

- Improper mating

- Broken locks

- Improperly formed

- Damaged terminals

- Poor terminal to wire connection

^ Damaged harness. Inspect the wiring harness for damage. If the harness appears to be OK, observe the Fuel Tank Vacuum Pressure display on the scan tool while moving connectors and wiring harnesses related to the sensor. A change in the display will indicate the location of the fault.

^ Incorrect purge or vacuum source line routing. Verify that the source vacuum and purge lines to the EVAP canister purge valve are not switched.